文档详情

混凝土结构设计

mar****e5
实名认证
店铺
DOCX
262.91KB
约19页
文档ID:158317891
混凝土结构设计_第1页
1/19

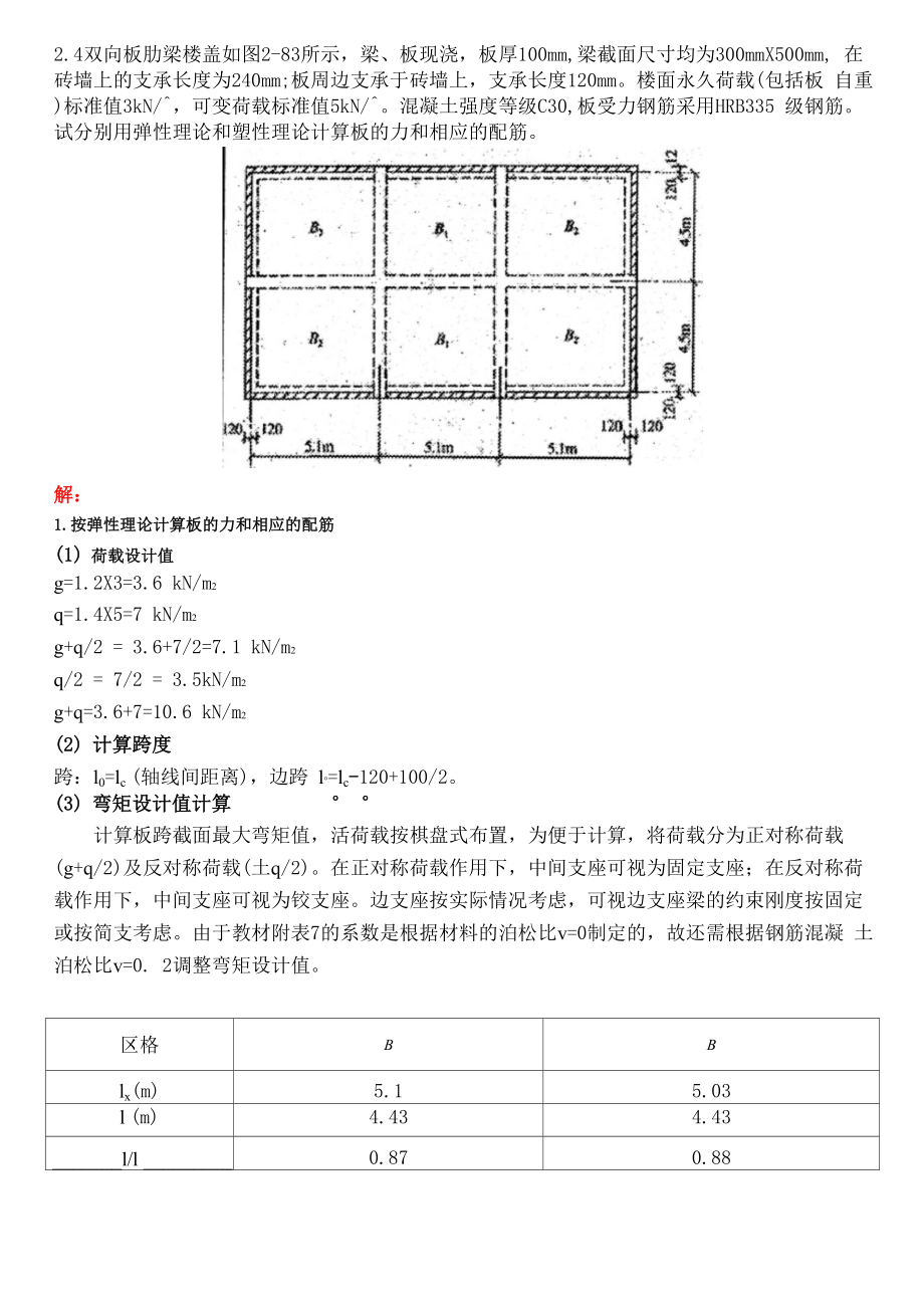
2.4双向板肋梁楼盖如图2-83所示,梁、板现浇,板厚100mm,梁截面尺寸均为300mmX500mm, 在砖墙上的支承长度为240mm;板周边支承于砖墙上,支承长度120mm楼面永久荷载(包括板 自重)标准值3kN/^,可变荷载标准值5kN/^混凝土强度等级C30,板受力钢筋采用HRB335 级钢筋试分别用弹性理论和塑性理论计算板的力和相应的配筋解:1.按弹性理论计算板的力和相应的配筋(1) 荷载设计值g=1.2X3=3.6 kN/m2q=1.4X5=7 kN/m2g+q/2 = 3.6+7/2=7.1 kN/m2q/2 = 7/2 = 3.5kN/m2g+q=3.6+7=10.6 kN/m2(2) 计算跨度跨:l0=lc (轴线间距离),边跨 l°=lc-120+100/23) 弯矩设计值计算 ° °计算板跨截面最大弯矩值,活荷载按棋盘式布置,为便于计算,将荷载分为正对称荷载 (g+q/2)及反对称荷载(土q/2)在正对称荷载作用下,中间支座可视为固定支座;在反对称荷 载作用下,中间支座可视为铰支座边支座按实际情况考虑,可视边支座梁的约束刚度按固定 或按简支考虑由于教材附表7的系数是根据材料的泊松比v=0制定的,故还需根据钢筋混凝 土泊松比v=0. 2调整弯矩设计值。

区格BBlx(m)5.15.03l (m)4.434.43 l/l 0.870.88计算简图+11 111g+q/2V=i | q/2 1 I I1跨WrrV =0mx(0.0226X7.1+0.0350X3.5) X4.432 = 5.553(0.0220X7.1+0.0351X3.5) X4.432= 5.476my(0.0242X7.1+0.0486X3.5) X4.432 = 6.710(0.0303X7.1+0.0476X3.5) X4.432= 7.491V =0.2mNx5.553+0.2X6.710 = 6.8955.476+0.2X7.491 = 6.974mvy6.710+0.2X5.553 = 7.8217.491+0.2X5.476 = 8.586支座计算简图1r=F1 g+q 匚Clm,x-0.0672X10.6X4.432 = -13.979-0.0723X10.6X4.432 = -15.040m"x-13.9790m,y0-0.0797X10.6X4.432 = -16.580m”y-0.0688X10.6X4.432 = -14.3120(4) 截面设计截面有效高度:跨中 h0 二 h -30=70mm, h 0 = h -20=80mm,支座截面 h0 = h -20=80mm。

各跨中、支座弯矩既已求得,即可近似按A =-^^,近似取y =0.9,算出相应的钢筋截面面积 Y h f sA = maX 0.20%,0.45匕)bh = max(0.20%,0.45x143 = 0.2145%)x 1000x 100=214mm2 /ms,min f 300y按弹性理论设计的截面配筋l方向808.58639868120419B - Bi i8014.312663612170665B - B1 28015.040696612160707B 2 一%8016.580768612140808支座2.按塑性理论计算板的力和相应的配筋(1) 荷载设计值g+q=3.6+7=10.6 kN/m2(2) 计算跨度跨:l0 = l-b (b 为梁宽),边跨 l0=l-120-b/2+100/2边区格板B:1l =5.1-0.3=4.8mly =4.5-0.12-0.3/2+0.1/2=4.28m边区格板B :2lx=5.1-0.3/2-0.12+0.1/2=4.88mly =4.5-0.12-0.3/2+0.1/2=4.28m(3)弯矩及配筋计算将楼盖划分为Bi、气两种区格板,采用分离式配筋,跨中截面及支座截面钢筋均匀布置,每区格板均取m la = ―y = Jm lx y=P" = 2.0①边区格板Bi:弯矩计算,4.8、a = ( )2 = 1.264.28M = l m = 4.28mM = l m =al m = 1.26 x 4.8m = 6.05mM ' = M " = l m' = l m- =pl m = 2.0x4.28m x x y x y x y x=8.56mXM ' = 0M ” = l m” =^l m =ap/ m = 1.26 x 2.0x 4.8m = 12.10m yxyxyxx x x由式(2-36)得2 x 4.28m + 2 x 6.05m + 2 x 8.56m +0+ 12.10m = % x 4.282 x (3 x 4.8 - 4.28)解得m =3.28 kN • m/m,于是有m =a m = 1.26 x 3.28 = 4.13 kN・m/mm' = m'' = p m = 2.0 x 3.28 = 6.56 kN*m/mm' = 0m" = Pm =aPm = 1.26 x 4.13 = 8.26 kN*m/m配筋计算跨中截面气=h-30=70mm, h° = h-20=80mm,支座截面 h°=h-20=80mm。

板中配筋率一般较低,故近似取力臂系数y,=0.9进行计算y方向跨中:Asm 4.13 x 106 / y— = = 192 mm2 /m y h0 f 0.9 x 80 x 300y方向支座:Asm'' 8.26 x106 y——= =382 mm2 /my h0 f 0.9 x 80 x 300故 y 方向跨中选 68200 ( A 二251 mm2 /m),支座选 6 10200 ( A =392 mm2 /m)x方向跨中:As3.28 x106 / x— = = 174 mm2 /m y h0 f 0.9 x 70 x 300x方向支座:As6.56 x 106 x— = = 304 mm2 /m y h0 f 0.9 x 80 x 300故x方向跨中选68200 ( A =251 mm2 /m),支座选68160(A^ =314mm2 /m)②边区格板B :2弯矩计算4.88)2 = 1.30将B区格板的m”作为B区格板的m'的已知值1 x 2M = l m = 4.28mM = l m =al m = 1.30x 4.88m = 6.34mM ' = l m' = 4.28 x 6.56 = 28.08 kN - m/mM ” = 0M — 0M ”= l m"=郎 l m = 1.30 x 2.0 x 4.88m = 12.69m y x y x x x x由式(2-36)得2 x 4.28m + 2 x 6.34m + 28.08 +0+0+12.69m =106 x 4.282 x (3 x 4.88 - 4.28) 12解得mx =4.11 kN • m/m,于是有m =a m = 1.30 x 4.11 = 5.34 kN*m/mm' = 6.56 kN*m/mm'' = 0m' = 0m" = p m = 2 x 5.34 = 10.68 kN*m/m配筋计算跨中截面气=h-30=70mm, h0 = h-20=80mm,支座截面h°=h-20=80mm。

板中配筋率一般较低,故近似取力臂系数y,=0.9进行计算y方向跨中:4 m 5.34 x106s y h f 0.9 x 80 x 300 mm2 ms 0 y yy方向支座:, m'' 10.68 x 106 /A = y— = = 494 mm2 /ms y h0 f 0.9 x 80 x 300故 y 方向跨中选 68200 ( A =251 mm2 /m),支座选 610160 ( A =491 mm2 /m)x方向跨中:A=_m_ = m x 106 = 217 mm2 /ms y h0 f 0.9 x 70 x 300x方向支座:6.56 x 1060.9 x 80 x 300=304 mm2/m故 x 方向跨中选 68200 ( A 二251 mm2 /m),支座选 68160 ( A 二314mm2 /m)o一〜 项目截面h0(mm)m(kN • m/m)As(mm2/m )配筋实有As(mm2/m )跨中B1l方向703.281746 8200251ly方向804.131926 8200251B2l方向704.112176 8200251ly方向805.342476 8200251支座B - B1 1808.26382610200392B - B1 2806.5630468160314B - B2 28010.68494610160491按塑性理论设计的截面配筋第3章单层厂房结构3.1某单跨厂房排架结构,跨度为24m,柱距为6m。

厂房设有10t和30/5t工作级别为A4的吊 车各一台,吊车有关参数见表3-26,试计算排架柱承受的吊车竖向荷载标准值^^、Dm.n和吊 车横向水平荷载标准值Tax吊车有关参数表3-26解:查表3-11得,p =0.91)吊车梁的支座竖向反力影响线及两台吊车的布置情况(两种)如图所示由式(3-6)D =maxP y 二 0.9 x(1.6)m f 4.751 +——+ 29 x 10 x "6 J6」12.5 x 10 x二349.12kND =maP y^ = 0.9 x0 35 + 4 75 ( 1 2、12.5 x10 x + 29 x10 x 1 + — =408.83kN6 I 6 ;排架柱承受的吊车竖向荷载标准值D 为408.83kNo maD - pSp y 二0.9x 4.7xl0x min i min i(1.6)C 4.75]1 +——+ 7.0xl0x ——1 6 J6 J二103. 46kND - pSp y 二0.9x 4.7xl0x min i min i0.35 + 4.756(+ 7.0xl0x 1 +1.2'6 >二111. 56kN排架柱承受的吊车竖向荷载标准值。

为103. 46kNomin(2)吊车梁的支座竖向反力影响线及两台吊车的布置情况(两种)如图所示 由式(3-9)和(3_10)可得T =Lot0 + Q )=4x0.12x(10x10 + 3.8x10)=4. 14 kN1, k 4 i 4T =-afo + 2 )=1x0.10xGox10 + 11.8x10)=10. 45 kN2, k 4 1 4T = pSry =0.9xmax i iT = y 二0.9x m ax i i(1.6)4.75]1 +——+10.45 x 1 6 J6 J=12.17kN4.14x… 0.35 + 4.75 in L 1.2) 4.14x +10.45 x 1 + ——二 14. 45kN排架柱承受的吊车竖向荷载标准值T 为14.45kNmax【例题3T]已加「有—单跨厂房.跨度]8皿H跪6e.役升酎考盅两会 im中级如肯秋态的辟式吊奉.串本桥装蹬度匕尸16.5札1)心、Df奥了二.*解;由市率产品荷草.ZQ1」汶史得.桥架宽度13 5, 55m. IfrKE K*™ 4• 40m,小率质量 m: * 3, & •由式(3-5) * R心可得:-Si .9 5了_具- i B os芾率藏尺轮压栋次值叵二=11:大车质量二*;_C _ P Gni+g+Q) jf,心皿一2X10"** 115//这Jf,,&为*力加速Jt,可此为Eg」s'*查疝一]得阳0, 9#ilHN JISkN 】|心,h$Sni2硕 44kNenn ,车梁的支座蚣曲反力彩响嫉及两台卜 5.5辿4 ■| iiajia^s.uii的布Jt如国医瓦二□ 由 5(3-6)Ml 阳HHyE 9XL4XU5X (M 业成)5 】L 54kNe 1)e令心431L 54 X t^: 119. 2kN帽N•幻卅军犀}:峰晓向及日蚪啊檀找慰U*时的用率:位It1迪匝IT's「有-革"房「耕度IS M 6m.设计时才虑展Ml中嫉技苻秋志的糖式辛奉'吊车桥架跨度/『I6.5叽.也以心如相儿…L屋…由式(3-9)和(3-10)可得7;=+邸 im.^Q) xo, 12X0.9X Ct 8+10} XL0的3. 73kN j丁,万'k「=3]「斜x ^^KlOJkN厂 rtifi.1 1 J O5.55 m故Du细―D*11心 1J5 Uft;M尸—FESkN 吊未瘴的支成怪向反力材响线及两岛的布复如图质示.由盘(3 -EU Ed* b = " 9 X L 4 X 】15x (I 十以 土侦答i9iA§)dm. s4kN 1=3】L5"奈皿 119*2kNin iys祖郭斯发阵受丽反;f;影嘲供及艰队“时的品部加骨-..._. ― 一_一 1 嗔;,、 .域3.3如图3-102所示单跨排架结构,两柱截面尺寸相同,上柱I -25.0x 109mm4,下柱I -174.8x 108mm4,混凝土强度等级为C30。

吊车竖向荷载在牛腿顶面处产生的力矩M1 =378.94kN-m, M2 =63.25kN-m求排架柱的剪力并绘制弯矩图解:(1)剪力分配系数X= H =兰=0.30H 13.2I 25.0 x 108n = f = = 0.143I】 174.8 x 108剪力分配系数门 a =n =n = 0.5(2)计算各柱顶剪力在A柱和B柱的柱顶分别虚加水平不动铰支座,由表3-9中的简图3得C 3=1.17因此不动铰支座反力M — 378.94RA = h C3 = 13 2 x 1.17 = -33.59 kN (—)八 M 八 63.25 .R =Hi C = 13 2 x1.17 = 5.61 kN (一)撤销附加的不动铰支座,在排架柱顶施加水平集中力-RA和-RB,进行剪力分配:七=七=n( — RA — RB) = 0.5x(33.59 — 5.61) = 13.99kN (一)叠加上述两个状态,恢复结构原有受力状况,即把各柱分配到的柱顶剪力与柱顶不动铰支 座反力相加,即得该柱的柱顶剪力:匕=匕 2 + RA = -33.59 +13.99 = -19.60 kN( — )匕=匕 2 + RB = 5.61 +13.99 = 19.60 kN (一)(3) 绘制弯矩图和剪力图柱顶剪力求出后,按悬臂柱求弯矩图和剪力图,如题3.3图所示。

VA=19.60 kN V b =19.60 kNM 1=378.94 kN - mM2 =63.25 kN - m(a)+302.50 kN . m+ 120.22 kN. m+19.60 kN-76.44 kN. m一 +76.44 kN. m-+ 13.19 kN. m+ 195.47 kN. m-19.60 kN(b)(c)题3.3图 排架弯矩图和剪力图3.4如图3-103所示两跨排架结构,作用吊车 水平荷载T =17.90kN已知③、©轴上、下柱的截面惯性矩分别为21.30x 108mm4和 195.38x 108mm4 ,轴上、下柱的截面惯性矩分别为 72.00 x 108mm4 和 256.34x 108mm4,三根柱的剪力分配系数分别为n -n = 0.285,A CnB = 0.430,空间作用分配系数r= 0.9求各柱剪力,并与不考虑空间作用(r= 1.0 )的计算 结果进行比较分析解:1.考虑空间作用(r= 0.9 )的计算(1)计算各柱顶剪力在A柱、B柱和C柱的柱顶分别虚加水平不动铰支座,由表3-9中的简图5得A 柱、C 柱:C5 =0.60,B 柱:C5 =0.67 计算过程:H 3.9 2.6 2H =3.9m, X = hu = 12 9 = 0.30, a = 39I 21.30 x108 …A 柱、C 柱: n = —u = = 0.11I〔 195.38 x1082 - 3ak + 人 3(2 + a )(1 - a )2n-(2 — 3a)卜2 1 +如!T)=°8°由表3-9中的简图5得I 72.00 x 108B 柱:n = —u = = 0.28Ii 256.34 x 108由表3-9中的简图5得2 - 3a人+人3(2 + a )(1 - a )2n-(2 — 3a)卜2 1 + X3(iT) =°.67因此不动铰支座反力Ra = TC5 =-17.90x0.60 = -10.78kN (—)RB = TC5 =-17.90x 0.67 = -11.96 kN (—)Rc = 0R = RA + RB + RC =—10.78-11.96-0 = —22.74kN (―)(2) 将柱顶反力R乘以空间作用分配系数r= 0.9,并将它反方向施加于该棉排架的柱顶, 按剪力分配法求出各柱顶剪力:七=% =-nAM = 0.285x0.9x22.74 = 5.83 kN (一),2 =-nBM = 0.430x 0.9 x 22.74 = 8.80kN (一)(3) 将上述两项计算求得的柱顶剪力叠加,即为考虑空间作用的柱顶剪力:V' = RA + VA2 =-10.78 + 5.83 = -4.95kN (―)匕=RB + VB2 =-11.96 + 8.80 = -3.16kN (―)VC = RC + VC2 = 5.83kN (一)+ 12.87 kN - mT43.61 kN - m+8.22 kN - m-4.95 kN+12.95 kN-3.16 kN+14.74 kN根据柱顶剪力和柱上实际承受的荷载,按静力悬臂柱可求出各柱的力,如题3.4图(a)所 示。

题3.4图(a)考虑空间作用排架弯矩图和剪力图2. 不考虑空间作用(R= 1.0 )的计算(1) 将柱顶反力R反方向施加于该棉排架的柱顶,按剪力分配法求出各柱顶剪力:七=VC2 = -门 AR = 0.285 x 22.74 = 6.48 kN ( —)VB 2 =-nbR = 0.430x22.74 = 9.78kN (一)(2) 将上述两项计算求得的柱顶剪力叠加,即为各柱顶剪力:V = RA + VA2 =-10.78 + 6.48 = -4.30kN (―)VB = RB + VB2 =-11.96 + 9.78 = -2.18 kN (―)VC = RC + VC 2 = 6.48kN (一)根据柱顶剪力和柱上实际承受的荷载,按静力悬臂柱可求出各柱的力,如题3.4图(b)所 示 12.47 kN - m+5.67 kN • m-156.25 kN • m-4.30 kN+13.60 kN-2.18 kN+15.72 kN+6.48 kN题3.4图(b)不考虑空间作用排架弯矩图和剪力图3. 将考虑空间作用(r= 0.9 )与不考虑空间作用(r= 1.0)的计算结果进行比较,可见,考虑 厂房整体空间作用时,上柱力将增大;又因为"与\密方向相反,所以下柱力将减小。

由于下 柱的配筋量一般比较多,故考虑空间作用后,柱的钢筋总用量有所减少3.5某单跨厂房,在各种荷载标准值作用下A柱III-III截面力如表3-27所示,有两台吊车,吊 车工作级别为A5级,试对该截面进行力组合④柱『JI截面内力标准值 ft >17抻四瓯11直、风号规定荷载类型序号M (kN,N CkN)V (kN)+十永久荷栽 屋面可登荷威十328. 7034& <554.006.021.S4n吊车餐口网菖在密柱16. 40290, 00'—3.74向荷栽在施柱— 42. 9052= 80—3 74din吊车水平荷裁 —— _右喷M风荷餐卜左吹风土 .】1Q、35459.倡55二±8. 8952. se一心0。

下载提示
相关文档
正为您匹配相似的精品文档