文档详情

大桥验槽记录

t****d
实名认证
店铺
DOC
101.50KB
约5页
文档ID:159722985
大桥验槽记录_第1页
1/5

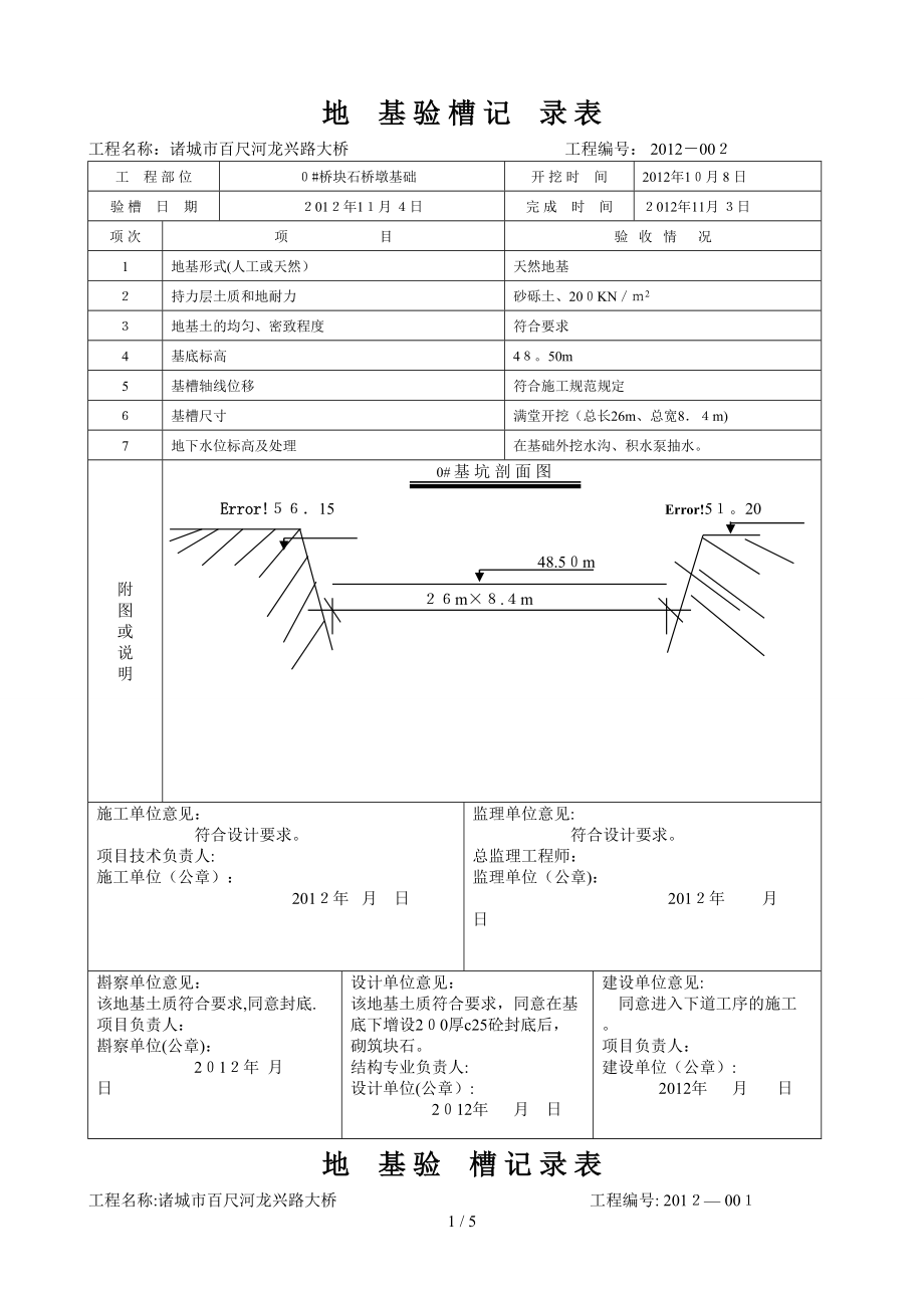
地 基 验 槽 记 录 表工程名称:诸城市百尺河龙兴路大桥              工程编号: 2012-002工 程 部 位0#桥块石桥墩基础开 挖 时 间2012年10月 8 日验 槽 日 期2012年11月 4日完 成 时 间2012年11月 3日项 次项         目验 收 情  况1地基形式(人工或天然)天然地基2持力层土质和地耐力砂砾土、200KN/m23地基土的均匀、密致程度符合要求4基底标高4850m5基槽轴线位移符合施工规范规定6基槽尺寸满堂开挖(总长26m、总宽8.4m)7地下水位标高及处理在基础外挖水沟、积水泵抽水附图或说明                       0# 基 坑 剖 面 图 56.15                      512048.50m                   26m×8.4m施工单位意见:符合设计要求项目技术负责人:施工单位(公章):             2012年 月 日监理单位意见:符合设计要求。

总监理工程师:监理单位(公章):              2012年   月    日斟察单位意见:该地基土质符合要求,同意封底.项目负责人:斟察单位(公章):2012年 月   日设计单位意见:该地基土质符合要求,同意在基底下增设200厚c25砼封底后,砌筑块石结构专业负责人:设计单位(公章):2012年  月 日建设单位意见:同意进入下道工序的施工项目负责人:建设单位(公章):2012年  月   日地 基 验 槽 记 录 表工程名称:诸城市百尺河龙兴路大桥                  工程编号: 2012— 001工 程 部 位5#楼开 挖 时 间2011年8月 10日验 槽 日 期2012年9月 18日完 成 时 间2011年9月 17日项 次项          目验  收 情 况1地基形式(人工或天然)天然地基2持力层土质和地耐力砂砾土、200KN/m23地基土的均匀、密致程度符合要求4基底标高4560m5基槽轴线位移符合施工规范规定6基槽尺寸满堂开挖(总长26总宽8.4m)7地下水位标高及处理在基础外挖水沟、积水坑用泵抽水。

附图或说明                   5# 基 坑 剖 面 图     51.20                      5600m48.60m                       26m×84m施工单位意见:符合设计要求项目经理:项目技术负责人:施工单位(公章):            2012年  月  日监理单位意见:符合设计要求总监理工程师:监理单位(公章):              2012年  月 日斟察单位意见:该地基土质符合要求,同意封底项目负责人:斟察单位(公章):2012年  月   日设计单位意见:该地基土质符合要求,同意在基底下增设200厚c25砼封底后,砌筑块石结构专业负责人:设计单位(公章):2012年 月   日建设单位意见:同意进入下道工序的施工项目负责人:建设单位(公章):     2012年 月 日地 基 验 槽 记 录 表工程名称:连山林场危旧房改造工程E栋           工程编号: 2011—001工 程 部 位~轴开 挖 时 间2011年9月 28 日验 槽 日 期2011年10月 1 日完 成 时 间2011年10月 1 日项 次项     目验 收   情 况1地基形式(人工或天然)天然地基2持力层土质和地耐力砂砾土、200KN/m23地基土的均匀、密致程度符合要求4基底标高—1.800m5基槽轴线位移符合施工规范规定6基槽尺寸满堂开挖(总长38.3m、总宽13m)7地下水位标高及处理在基础外挖水沟、积水坑用水泵抽水.附图或说明                 基 坑 剖 面 图龙门板        -0。

100m                      —0300m-1.600m                  38.3m×13m施工单位意见:符合设计要求项目经理:项目技术负责人:施工单位(公章):                 2011年 月   日监理单位意见:符合设计要求总监理工程师:监理单位(公章):           2011年 月 日斟察单位意见:该地基土质符合要求,同意封底项目负责人:斟察单位(公章):2011年 月 日设计单位意见:该地基土质符合要求,同意封底.结构专业负责人:设计单位(公章):2011年 月 日建设单位意见:同意进入下道工序的施工项目负责人:建设单位(公章):      2011年  月 日地 基 验 槽 记 录 表工程名称:连山林场危旧房改造工程C、D栋         工程编号: 2011-001工 程 部 位C#楼开 挖 时 间2011年9月 29 日验 槽 日 期2011年10月 2 日完 成 时 间2011年10月 2 日项 次项     目验 收  情   况1地基形式(人工或天然)天然地基2持力层土质和地耐力砂砾土、200KN/m23地基土的均匀、密致程度符合要求4基底标高-2.000m5基槽轴线位移符合施工规范规定6基槽尺寸满堂开挖(总长36。

1m、总宽11.8m)7地下水位标高及处理附图或说明                    基 坑 剖 面 图龙门板 -0.300m                      -0.700m-2.000m               361m×118m施工单位意见:符合设计要求项目经理:项目技术负责人:施工单位(公章):                2011年 月  日监理单位意见:符合设计要求总监理工程师:监理单位(公章):       2011年 月  日斟察单位意见:该地基土质符合要求,同意封底项目负责人:斟察单位(公章):2011年  月   日设计单位意见:该地基土质符合要求,同意封底结构专业负责人:设计单位(公章):2011年  月 日建设单位意见:同意进入下道工序的施工项目负责人:建设单位(公章): 2011年 月  日地 基 验 槽 记 录 表工程名称:连山林场危旧房改造工程C、D栋               工程编号: 2011-001工 程 部 位D#楼开 挖 时 间2011年9月 29 日验 槽 日 期2011年10月 2 日完 成 时 间2011年10月 2 日项 次项  目验 收   情  况1地基形式(人工或天然)天然地基2持力层土质和地耐力砂砾土、200KN/m23地基土的均匀、密致程度符合要求4基底标高-2.000m5基槽轴线位移符合施工规范规定6基槽尺寸满堂开挖(总长36。

1m、总宽118m)7地下水位标高及处理附图或说明            基 坑 剖 面 图龙门板 ±0.000m                          -0.300m-2000m                     36.1m×11.8m施工单位意见:符合设计要求.项目经理:项目技术负责人:施工单位(公章):            2011年  月 日监理单位意见:符合设计要求总监理工程师:监理单位(公章):             2011年 月 日斟察单位意见:该地基土质符合要求,同意封底项目负责人:斟察单位(公章):2011年 月 日设计单位意见:该地基土质符合要求,同意封底结构专业负责人:设计单位(公章):2011年  月 日建设单位意见:同意进入下道工序的施工项目负责人:建设单位(公章):  2011年 月  日不足之处,敬请谅解5 / 5。

下载提示
相关文档
正为您匹配相似的精品文档