文档详情

液压系统压力不正常故障的诊断与排除

suij****uang
实名认证
店铺
DOCX
81.38KB
约2页
文档ID:168925578
液压系统压力不正常故障的诊断与排除_第1页
1/2

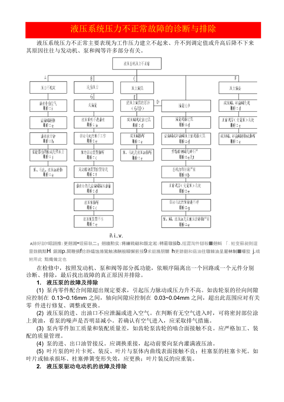
液压系统压力不正常故障的诊断与排除液压系统压力不正常主要表现为工作压力建立不起来、升不到调定值或升高后降不下来 其原因往往与发动机、泵和阀等许多部分有关i\ i..v.a締好訓Y昭詡推:更翹濺*锻蘇執二;翹牆勲实:将練戦翩和顋定淞:轉霰驟臊b.揺澀淘件讎鞍■翹蚪 「.鮭变蘇昶則遛靈魏鶴黠H.錮濺p.闕鞭損f捻静孀蚀滌鸞触沸酬般瞬懈藪接9求緞滌朋嬲 h更聽翻和菇油往驟棘油呈嚴林制■嚎狡 j.嶠鮒用此 黠熾做定也在检修中,按照发动机、泵和阀等部分孤功能,依顺序隔离出一个回路或一个元件分别 诊断、排除,最后找出故障的真正原因并排除1. 液压泵的故障及排除(1) 泵内零件配合间隙超出规定要求,引起压力脉动或压力升不高如齿轮泵的径向间隙 应控制在 0.13~0.16mm 之间,轴向间隙应控制在 0.03~0.04mm 之间,超出此范围应对有关零 件进行修复、调整或更换2) 液压泵的进、出油口不应泄漏或进入空气在判断有无空气进入时,可将密封部位涂 上黄油,看泵的噪声是否明显减小若确认有空气进入,应采取排气措施3) 泵内零件加工质量和装配质量差,如齿轮泵齿轮的啮合面接触不良应严格加工、装 配的质量管理。

4) 泵的进、出口油管接反应调换重接,起动前要向泵内灌满液压油5) 叶片泵的叶片卡死、装反、叶片与泵体内曲线表面接触不良;柱塞泵的柱塞卡死如 叶片或轴承损坏、柱塞弹簧变形失效,应更换;叶片装反的应重装2. 液压泵驱动电动机的故障及排除(1) 电动机转向不对应调线换相2) 电动机功率不足或转速达不到规定要求应检查电压,校核电动机性能3. 溢流阀调压失灵故障及排除(1) 主阀芯上阻尼孔堵塞,油压传递不到主阀上腔和锥阀前腔,先导阀因此而失去了对主 阀压力的调节作用,使系统压力建不起来应清洗溢流阀,疏通阻尼孔2) 调压弹簧变形、阀内泄漏过大或先导阀的锥阀过度磨损,使压力不能达到调定值应 更换弹簧、锥阀和密封件3) 先导阀锥阀座上的阻尼小孔堵塞,油压传递不到锥阀上,先导阀失去了对主阀的调节 作用,在任何压力下都不能泄油而使压力不断升高应清洗先导阀,疏通阻尼孔4) 溢流阀密封件损坏,主阀芯及锥阀芯磨损过大,造成内、外泄漏严重,压力不稳定、 忽高忽低应更换损坏了的密封件、阀芯5) 主阀芯径向卡紧,不能实现调节功能,造成压力上不去或下不来应拆检、清洗阀体, 排除故障6) 溢流阀主阀芯阻尼小孔堵塞,使主阀芯在很低的压力下才能开启。

应清洗溢流阀,疏 通阻尼小孔,使溢流阀恢复正常压力下的调节功能7) 由于污染、毛刺等原因,使溢流阀芯卡死在开启或关闭位置,前者使系统压力不能升 高,后者使系统压力突然升高而且降不下来应拆检溢流阀体,查找卡死原因,排除后彻底 清洗、装配条件允许时应上试验台测试,确认无问题后再装回系统4. 减压阀调压失灵的故障及排除(1) 由于下列原因,调节调压手轮时,减压阀出口压力不能上升a) 主阀芯阻尼孔堵塞应清洗疏通b) 主阀减压阀口关闭时,主阀芯卡住,外控口未堵住应排除阀芯卡滞故障,清洗阀体, 堵好外控口2) 减压阀出油口压力由于以下原因不能上升到额定压力值a) 调压弹簧永久性变形,压缩行程不够应在弹簧底座加调整垫片,如仍无改善则更换b) 锥阀磨损过大应清洗锥阀,更换损坏件3) 因为下列原因使之调节调压手轮时不能改变阀后压力,且出油口压力随进油口压力同 时上升或下降a) 锥阀座阻尼孔堵塞应清洗锥阀,疏通阻尼孔b) 单向减压阀的单向阀严重泄漏应更换 O 形圈c) 主阀芯在全开位置时卡住应清洗并排除4) 主阀芯卡住,造成调节调压手轮失灵,出油口压力不能下降应清洗并排除;如果阀 芯变形则应更换5) 主阀芯配合过松或磨损过大,使减压阀在调定工作压力后出油口压力自行升高。

应更 换主阀芯5. 压力不正常的其他原因及排除(1) 滤油器堵塞、液流通道太小和油液粘度过高,以致吸不上油应清洗或更换滤油器, 更换液压油2) 油液中进入过量空气3) 管路接错应检查并重接4) 电动机功率不足,转速太低应检查电动机故障并予以排除,必要时重新校核电动机 的规格及性能5) 油液粘度过低,泄漏严重应更换液压油及密封件6) 压力表损坏。

下载提示
相关文档
正为您匹配相似的精品文档