文档详情

平面闸门胸墙安装质量检查表填表要求

m****
实名认证
店铺
DOCX
26.40KB
约1页
文档ID:198594012
平面闸门胸墙安装质量检查表填表要求_第1页
1/1

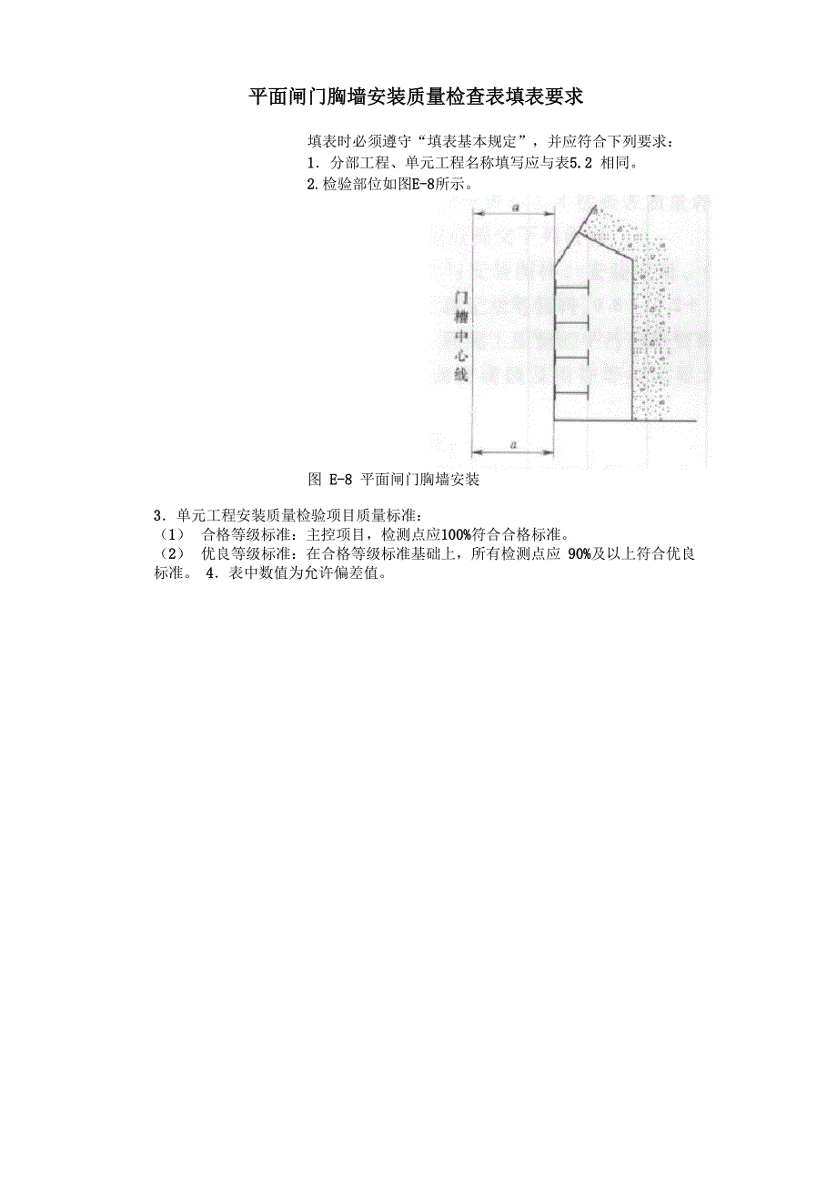
平面闸门胸墙安装质量检查表填表要求填表时必须遵守“填表基本规定”,并应符合下列要求:1.分部工程、单元工程名称填写应与表5.2 相同2.检验部位如图E-8所示图 E-8 平面闸门胸墙安装3.单元工程安装质量检验项目质量标准:(1) 合格等级标准:主控项目,检测点应100%符合合格标准2) 优良等级标准:在合格等级标准基础上,所有检测点应 90%及以上符合优良标准 4.表中数值为允许偏差值。

下载提示
相关文档
正为您匹配相似的精品文档