文档详情

液压课程设计要求及题目2015

ba****u6
实名认证
店铺
DOCX
37.64KB
约15页
文档ID:167331562
液压课程设计要求及题目2015_第1页
1/15

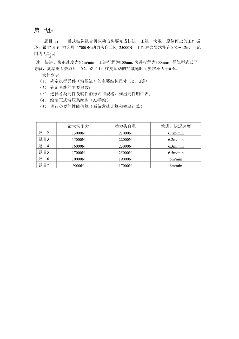
第一组:题目 1: 一卧式钻镗组合机床动力头要完成快进-工进-快退-原位停止的工作循环;最大切削 力为耳=1700ON,动力头自重Fg=25000N;工作进给要求能在0.02〜1.2m/min范围内无级调LG速,快进、快退速度为6.5m/min;工进行程为100mm,快进行程为300mm;导轨型式式平 导轨,其摩擦系数取fs = 0.2, fd=0.1;往复运动的加减速时间要求不大于0.5s设计要求:(1) 确定执行元件(液压缸)的主要结构尺寸(D、d等)(2) 确定系统的主要参数;(3) 选择各类元件及辅件的形式和规格,列出元件明细表;(4) 绘制正式液压系统图(A3手绘)(5) 进行必要的性能估算(系统发热计算和效率计算)最大切削力动力头自重快进、快退速度题目213000N21000N6.1m/min题目315000N22000N6.2m/min题目416000N23000N6.3m/min题目517000N25000N6.5m/min题目610000N19000N6m/min题目79000N17000N6m/min题目 1:一台专用双面铣床,最大的切削力为9000N,工作台、夹具和行程的总重量4000N,工件的 总重量为1800N,工作台最大行程为600mm,其中工进行程为350mm。

工作台的快进速度 为4.5m/min,工进速度在50〜100mm/min范围内无级调速工作台往复运动的启制(加速 减速时间)为0.05s,工作台快退速度等于快进速度,滑台采用平面导轨静摩擦系数为0.2s, 动摩擦系数为0.1 (夹紧力大于等于最大静摩擦力)机床的工作循环为:工作定位-工件夹紧-工作台快进-工作台工进-加工到位后停留 -快退-原位停止-工件松开-定位销拔出要求系统采用电液结合实现自动化循环,速度换接无冲击,且速度要平稳,能承受一定 量的反向负载试完成:(1) 按机床要求设计液压系统,绘制液压系统图;(A3手绘)(2) 确定夹紧缸、主工作液压缸的结构参数;(3) 计算系统各参数,选择液压元件型号,列出元件明细表;(4) 列出设计系统中的电磁铁动作顺序表最大切削力工作台、夹具的总重量快进速度工件重量题目28000N3500N4m/min1600N题目39100N4100N5m/min1900 N题目49200N4200N5.5m/min2000 N题目59300N4300N6 m/min2100N题目67000N3000N4.5m/min1500N第三组:题目 1:设计一台上料机的液压系统:要求工作循环为快速下升-慢速上升-停留- 快速下降。

工件的重量为500KG,滑台的重量为100KG,快速上升速度要求 >45mm/s;慢速上升速度要求>8mm/s快速下降速度要求>55mm/ s;滑台采用V 形导轨,导轨面的夹角为90度,滑台与导轨的最大间隙为2 mm,起动加速与 减速时间均为0.5s,液压缸的机械效率为0.91 (考虑密封阻力)设计要求:(1) 按机床要求设计液压系统,绘制液压系统图;(A3手绘)(2) 确定执行元件(液压缸)的主要结构尺寸(D、d等);(3) 计算系统各参数,选择液压元件型号,列出元件明细表;(4) 列出设计系统中的电磁铁动作顺序表工件重量滑台重量题目2500KG110KG题目3550KG150KG题目4600KG180KG题目5500KG120KG题目6450KG130KG第四组:题目 1:设计一台卧式单面多轴钻孔组合机床液压动力滑台的液压系统已知参数:切削负载FL=30500N,机床工作部件总质量m= 1000kg,快进、快退速度均为5.5m/min,工进速 度在20〜100mm/min范围内可无级调节滑台最大行程400mm,其中工进行程150mm, 往复运动加、减速时间W0.2s,滑台采用平导轨,其摩擦系数fs=0.2,动摩擦系数fd= 0.1。

滑台要求完成“快进-工进-快退-停止”的工作循环设计任务:(1) 完成系统的设计与计算,阐述液压传动系统的工作原理,并整理出设计计算说明 书;(2) 绘制液压传动系统图;(A3图纸,手绘)( 3) 确定液压缸的结构参数;( 4) 选择液压元件及辅件,并列出元件明细表;(5) 列出设计系统中的电磁铁动作顺序表切削力工作部件总重快进速度滑台最大行程题目230000N950KG5.5m/min400mm题目331000N1050kg5.5m/min410mm题目431050N1100kg6m/min410mm题目531100N1200kg6.5 m/min420mm题目629500N900kg5.5m/min400mm题目728500N800kg5.5m/min400mm第五组:题目 1: 设计一台小型液压机的液压系统,要求实现快速空程下行——慢速加压——保压——快速回程——停止的工作循环快速往返速度为3m/min,加压速度为 40〜250mm / min,压制力为200kN,运动部件总重量为20kN1) 按机床要求设计液压系统,绘制液压系统图;(A3手绘)(2) 确定执行元件(液压缸)的主要结构尺寸(D、d等);(3) 计算系统各参数,选择液压元件型号,列出元件明细表;(4) 列出设计系统中的电磁铁动作顺序表。

运动部件总 重量快速往返速度压制力题目235kN3. 5m/min150kN题目325kN4m/min250kN题目420kN5m/min300kN题目515kN5.5m/min350kN题目625kN4.5m/min350kN第六组:题目 1:一台专用铣床,铣头驱动电动机功率为7.5KW,铣刀直径为120mm,转速为350r/min工 作行程为400mm,快进、快退速度为6m/min,工进速度为60〜1000mm/min,加、减速时间 为0.05s工作台水平放置,导轨摩擦系数为0.1,运动部件总重量为4000N试设计该机床 的液压系统设计任务:(1) 完成系统的设计与计算,阐述液压传动系统的工作原理,并整理出设计计算说明书(2) 绘制液压传动系统图;(A3图纸,手绘)(3) 确定液压缸的结构参数;(4) 选择液压元件及辅件,并列出元件明细表;电动机功率工作部件总重快进速度滑台最大行程题目27.5KW5000N6m/min450mm题目38.5KW6000N6m/min400mm题目48.5KW6500N6.5m/min400mm题目59KW6000N6.5m/min400mm题目69KW6500N7m/min400mm题目78.5KW5500N7m/min450mm第七组:题目 1:要求设计的动力滑台液压系统实现的工作循环是:快进—工进—快退--停止。

主要性能 参数与性能要求如下:切削阻力FL=30468N;运动部件所受重力G=9800N;快进、快退速度 VI二V3=0.1m/s,工进速度 V2=0.88X10-3m/s;快进行程 Ll=100mm,工进行程 L2=50mm;往 复运动的加速时间△ t=0.2s;动力滑台采用平导轨,静摩擦系数p s=0.2,动摩擦系数 |J d=0.1液压系统执行元件选为液压缸设计任务:(1) 完成系统的设计与计算,阐述液压传动系统的工作原理,并整理出设计计算说明书(2) 绘制液压传动系统图;(A3图纸,手绘)(3) 确定液压缸的结构参数;(4) 选择液压元件及辅件,并列出元件明细表;(5) 列出设计系统中的电磁铁动作顺序表切削阻力运动部件总重快进速度快进行程工进行程题目230468N9800N0.15m/s100mm50mm题目335000N10000N0.2m/s120mm60mm题目430468N9000NO.lm/s150mm50mm题目535000N9800N0.12m/s200mm55mm题目630468N9000NO.lm/s120mm50mm题目730000N9500N0.15m/s150mm60mm第八组:题目 1: 试设计一专用钻床的液压系统,要求完成”快进-工作-快退-停止(卸荷)”的工作循环.已知:切削阻力为13412N,运动部件自重为5390N,快进行程为300mm,工进行程为100mm, 快进,快退运动速度为4.5m/min,工进速度为60T000mm/min,加速和减速时间为At=0.2sec, 机床采用平导轨,摩擦系数为 Fs=0.2,Fd=0.1设计任务:(1) 完成系统的设计与计算,阐述液压传动系统的工作原理,并整理出设计计算说明书;(2) 绘制液压传动系统图;(A3图纸,手绘)(3) 确定液压缸的结构参数;(4) 选择液压元件及辅件,并列出元件明细表;切削阻力运动部件总重快进速度快进行程工进行程题目213000N5500N4.5m/min200mm50mm题目315000N5000N5m/min220mm80mm题目414000N6000N5.5m/min250mm90mm题目513000N5800N4.5m/min300mm100mm题目613500N5500N5m/min320mm70mm题目715000N6000N5.5m/min350mm80mm题目814500N6000N5/min300mm90mm第九组:题目 1:设计一台专用铳床,工作台要求完成快进一一工作进给一一快退一一停止 的自动工作循环。

铳床工作台重量4000N,工件夹具重量为1500N,铳削阻力最 大为9000N,工作台快进、快退速度为4.5m / min,工作进给速度为0.06〜1m /min,往复运动加、减速时间为0.05s工作采用平导轨,静、动摩擦分别为fs = 0.2, fd=0.1,工作台快进行程为0.3m工进行程为0.1m,试设计该机床的液 压系统设计任务:(1) 完成系统的设计与计算,阐述液压传动系统的工作原理,并整理出设计计算说明书(2) 绘制液压传动系统图;(A3图纸,手绘)(3) 确定液压缸的结构参数;(4) 选择液压元件及辅件,并列出元件明细表;铣削阻力工作台重量快进快退速度快进行程题目29000N5000N5m/min0.3m题目38000N6000N6m/min0.4m题目48000N5500N5.5m/min0.3m题目59500N6000N4.5m/min0.4m题目69000N6500N5m/min0.3m题目79500N5500N7m/min0.5m第十组:题目 1: 设计一台用成型铣刀加工的液压专用铣床,要求机床工作台上一次可安装两只工件,并 能同时加工工件的上料、卸料由手工完成,工件的夹紧及工作台进给由液压系统完成。

机 床的工作循环为:手工上料—工件自动夹紧—工作台快进—铣削进给(工进)—工作台快退 —夹具松开—手工卸料对液压系统的具体参数要求:运动部件总重G=25000N,切削力Fw=18000N;快进行程 l]=300mm,工进行程 l2=80mm;快进、快退速度 v1=v3=5m/min,工进速度 v2=100〜600mm/min, 启动时间4 t=0.5s;夹紧力Fj=300ON,行程lj=15mm,夹紧时间4 j=1s工作台导轨采用平 导轨,导轨间静摩擦系数fs=0.2,动摩擦系数fd=0.1,要求工作台能在任意位置上停留 设计任务:(1) 确定执行元件(液压缸)的主要结构尺寸(D、d等)(2) 确定系统的主要参数;(3) 选择各类元件及辅件的形式和规格,列出元件明细表;(4) 绘制正式液压系统图(A3手绘)(5) 进行必要的性能估算(系统发热计算和效率计算)切削力运动部件总重快进速度夹紧力题目217000N24000N4.5m/min2500N题目319000N26000N5.5m/min3100 N题目420000N27000N6m/min3200N题目521000N28000N6.5 m/min3300N题目617000N24000N5m/min3000N题目715000N23000N5m/min3000N第十一组:题目 1:设计一台钻、镗两用组合机床的液压系统。

要求:液压系统完成快进—工进—死挡铁停 留—快退—原位停止的工作循环,并完成工件的定位与夹紧机床的快进速度为 5m/min, 快退速度与快进速度相等工进要求是:能在 20~100mm/min 范围内无级调速最大行 程为500mm,工进行程为300mm最大切削力为12000N运动部件自重为20000N导 轨水平放置,工件所需夹紧力不得超过6500N,最小不低于4000N夹紧缸的行程为 50mm,由松开到夹紧的时间△ t1=1s,启动换向时间4 t2=0.2s,摩擦系数fs = 0.2,动摩 擦系数fd=0.1o设计任务:(1) 完成系统的设计与计算,阐述液压传动系统的工作原理,并整理出设计计算说明 书;(2) 绘制液压传动系统图;(A3图纸,手绘)(3) 确定液压缸的结构参数;( 4) 选择液压元件及辅件,并列出元件明细表;切削力工作部件总重快进速度滑台最大行程题目210000N18000N4.5m/min450mm题目313000N21000N5m/min520mm题目414000N22000N5.5m/min530mm题目515000N23000N6.m/min540mm题目610000N17000N4m/min500mm题目79000N14000N4m/min500mm第十二组:题目 1: 设计一台卧式钻、镗组合机床液压系统。

该机床用于加工铸铁箱形零件的孔系,运动部件总重G=10000N,液压缸机械效率为0. 9,加工时最大切削力为12000N,工作循 环为:“快进一一工进一一死挡铁停留一一决退一一原位停止”行程长度为0.4m,工 进行程为0.1 m快进和快退速度为0.1m / s,工进速度范围为3X10-4〜5X10-3m/ s, 采用平导轨,启动时间为0.2s要求动力部件可以手动调整,快进转工进平稳、可靠 设计任务:(1) 完成系统的设计与计算,阐述液压传动系统的工作原理,并整理出设计计算说明 书;(2) 绘制液压传动系统图;(A3图纸,手绘)( 3) 确定液压缸的结构参数;( 4) 选择液压元件及辅件,并列出元件明细表;最大切削力运动部件总重快进速度行程长度题目210000N12000N0.2m / s0.4m题目311000N11000 N0.15m/ s0.45m题目412000N12000N0.1m / s0.4m题目510000N11000N0.2m / s0.5m题目611000N12000N0.15m/ s0.4m题目712000N10000N0.1m / s0.45m第十三组:题目 1: 设计卧式双面铣削组合机床的液压系统。

机床的加工对象为铸铁变速箱箱体,动作 顺序为夹紧缸夹紧——工作台快速趋近工件——工作台进给——工作台快退——夹紧缸 松开——原位停止工作台移动部件的总质量为400kg,加、减速时间为0.2s采用平 导轨,静摩擦系数为0.2,动摩擦系数为0.1,夹紧缸行程为30mm,夹紧力为800N工 作台快进行程为100mm,快进速度为3.5m/ min,工进行程为200mm,工进速度为80〜 300m/min,轴向工作负载为12000N,快退速度为6m/min要求工作台运动平稳,夹紧 力可调并保压设计任务:(1) 按机床要求设计液压系统,绘制液压系统图;(A3手绘)(2) 确定夹紧缸、主工作液压缸的结构参数;(3) 计算系统各参数,选择液压元件型号,列出元件明细表;(4) 列出设计系统中的电磁铁动作顺序表工作负载移动部件总质量快进速度题目212000N450kg4m/min题目312500N480kg3.5m/min题目412000N400kg4.5m/min题目513000N450kg3.5 m/min题目612000N4600kg4.5m/min第十四组:半自动液压专用铣床液压系统,要求设计一台用成型铣刀在加工件上加工出成型面的液压专用铣床,工作循环:手工上料——自动夹紧——工作台快进——铣削进给——工作台快退——夹具松开——手工卸料。

设计参数见附表,其中:工作台液压缸负载力(KN): FL 工作台液压缸移动件重力(KN): G 工作台快进、快退速度(m/min): V1=V3 工作台工进速度( mm/min):V2 工作台液压缸快进行程(mm): L1 工作台液压缸工进行程(mm): L2 工作台启动时间(S): Dt=0.5夹紧液压缸负载力(KN): Fc 夹紧液压缸负移动件重力(N): Gc 夹紧液压缸行程(mm): Lc夹紧液压缸运动时间(S): tc 导轨面静摩擦系数:p s=0.2导轨面动摩擦系数:p d=0.1设计任务:(1) 按机床要求设计液压系统,绘制液压系统图;(A3手绘) ( 2) 确定液压缸的结构参数;(3) 计算系统各参数,选择液压元件型号,列出元件明细表(4) 列出设计系统中的电磁铁动作顺序表题目FGGV1V2L1L2Lt12.24.41.5806.035300801512684.81.8805.03540010020138.83.81.5804.5453509010252.24.83.5305.555450801016284.81.5555.645250701017205.52.0705.84528070102。

下载提示
相关文档
正为您匹配相似的精品文档