文档详情

特种设备检查评分标准

痛***
实名认证
店铺
DOC
698.50KB
约79页
文档ID:150940680
特种设备检查评分标准_第1页
1/79

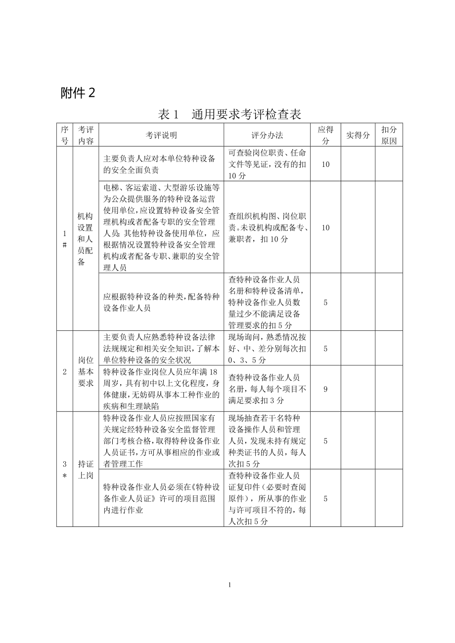
附件2表1 通用要求考评检查表序号考评内容考评说明评分办法应得分实得分扣分原因1#机构设置和人员配备主要负责人应对本单位特种设备的安全全面负责可查验岗位职责、任命文件等见证,没有的扣10分10电梯、客运索道、大型游乐设施等为公众提供服务的特种设备运营使用单位,应设置特种设备安全管理机构或者配备专职的安全管理人员;其他特种设备使用单位,应根据情况设置特种设备安全管理机构或者配备专职、兼职的安全管理人员查组织机构图、岗位职责未设机构或配备专、兼职者,扣10分10应根据特种设备的种类,配备特种设备作业人员查特种设备作业人员名册和特种设备清单,特种设备作业人员数量过少不能满足设备管理要求的扣5分52岗位基本要求主要负责人应熟悉特种设备法律法规规定和相关安全知识,了解本单位特种设备的安全状况现场询问,熟悉情况按好、中、差分别每次扣0、3、5分5特种设备作业岗位人员应年满18周岁,具有初中以上文化程度,身体健康,无妨碍从事本工种作业的疾病和生理缺陷查特种设备作业人员名册,每人每个项目不满足要求扣3分93*持证上岗特种设备作业人员应按照国家有关规定经特种设备安全监督管理部门考核合格,取得特种设备作业人员证书,方可从事相应的作业或者管理工作现场抽查若干名特种设备操作人员和管理人员,发现未持有规定种类证书的人员,每人次扣5分5特种设备作业人员必须在《特种设备作业人员证》许可的项目范围内进行作业查特种设备作业人员证复印件(必要时查阅原件),所从事的作业与许可项目不符的,每人次扣5分5特种设备作业人员证书应按照国家规定每2年复审一次。

使用单位应对本单位持有作业证书的人员建立档案,并按规定定期及时组织作业人员参加证件复审查特种作业人员名册和资格证复印件(必要时查阅原件),以及特种作业人员档案,每人次不合格项扣2分44特种设备作业人员的培训应加强作业人员安全教育和培训,保证特种设备作业人员具备必要的特种设备安全作业知识、作业技能查培训制度、新员工入厂培训记录,按好、中、差分别扣0、4、8分8应确立终身教育的观念和全员培训的目标,对在岗的作业人员应进行经常性安全生产教育培训,及时进行知识更新查培训制度、员工继续培训记录,按好、中、差分别扣0、4、8分85各级人员的安全生产责任制应根据本单位实际制定各级人员的安生产责任制应包括但不限于: —法人代表岗位职责;—安全生产负责人岗位职责;—特种设备安全管理机构专职/兼职管理人员岗位职责;—特种设备作业人员岗位职责;—安全教育人员岗位职责;—特种设备安全技术档案管理人员岗位职责查管理制度文件,至少应该包含所列责任制内容(名称不一定相同,但要有相应内容),缺一项扣3分6要求各岗位责任制包含特种设备安全管理内容,按内容完善程度,分好、中、差分别每个责任制扣0、2、4分8安全生产责任制有漏岗现象,每个岗位扣2分46*各职能部门的安全生产责任制应根据本单位实际制定各职能部门的安全生产责任制。

应包括但不限于:—特种设备安全管理部门职责;—岗位培训教育部门安全职责;—档案管理部门安全管理职责;—其他有关部门安全职责查管理制度文件,至少应该包含所列责任制内容(名称不一定相同,但要有相应内容),缺一项扣3分6要求有关部门包含特种设备安全管理职能,按内容完善程度,按好、中、差分别每个责任制扣0、3、6分67**特种设备规章制度应根据本单位实际制定特种设备规章制度应包括但不限于:—安全生产责任制度;—安全教育、培训制度;—特种设备维护保养管理制度;—特种设备安全检查和隐患整改制度;            —特种设备安全生产会议制度;—特种设备相关文件和记录的管理制度;—特种设备应急救援制度;—特种设备事故处理制度;—特种设备定期检验申报制度;—个体防护用具(品)和保健品发放管理制度查管理制度文件,至少应该包含所列规章制度内容(名称不一定相同,但要有相应内容),缺一项扣5分10按内容完善程度,按好、中、差分别每个制度扣0、5、10分108*文件和记录管理特种设备安全管理文件应注明日期(包括修订日期),易于识别,应有编号(包括版本编号),并保管有序且有一定的保存期限文件的形式可以是书面的,也可以是电子化形式或其它媒体形式抽查2份安全管理文件,按符合程度,以每个项目好、中、差分别扣0、3、6分6应将有关文件和要求对特种设备使用单位内所有相关或受影响人员进行传达,并使有关各方易于获得文件的最新版本抽查2份文件,检查规定需要传达的部门和人员是否得到了文件的有效版本,是否有记录,按符合程度,按好、中、差分别扣0、3、6分6应控制管理特种设备使用运行、维护保养、自行检查等记录。

记录应填写完整、字迹清楚、标识明确,应确定安全记录的保存期,并将其存放在安全地点妥善保管,便于查阅重要的安全记录应以适当方式或按法规要求妥善保管,以防损坏抽查二份历史记录,不完善的,按对应要求,以每个项目好、中、差等级分别扣0、4、8分89#安全信息的收集、传达与沟通应建立获取法规、安全技术规范、政府有关文件及本单位特种设备安全管理等信息的渠道,应主动定期获取和更新特种设备安全信息,并确认其适用性查是否有完整有效的特种设备安全管理法规、安全技术规范和其它文件(可以查文件清单),是否有有效方法和渠道获取相关文件和信息,按符合性好、中、差扣0、3、5分5应将法规、安全技术规范、政府有关文件及本单位特种设备安全管理信息在内部各层次之间以及内外部之间及时有效地传达,并将发现的特种设备安全隐患及时通报给相关责任人员抽查一份关于特种设备安全信息的沟通记录,可以是文件发放记录、传阅记录等,按符合性好、中、差分别每项扣0、3、5分5主要负责人至少应每月召开一次安全会议,督促检查特种设备的安全使用工作任抽3个月会议记录或其它沟通记录,按符合性好、中、差分别每项扣0、3、5分5特种设备有关内部信息沟通的形式,根据特种设备使用单位特点可以是会议、文件、公告、宣传报道等。

与外部进行信息沟通应通过一定的渠道进行,应了解外部有关特种设备安全信息,与特种设备监督、检验检测、评价部门,外部维护保养部门建立有效的联络、交流机制询问内部信息沟通的形式,是否有文件规定,是否有专人或专门部门负责外部信息沟通,沟通的效果如何,按符合性好、中、差分别每项扣0、3、5分510**使用登记变更管理1.特种设备安全状况发生变化、长期停用、移装或者过户的,应向企业主管部门和设备属地特种设备安全监督管理部门申请办理变更;2.特种设备安全状况发生变化的,应在变化后30日内持有关文件向企业主管部门和设备属地特种设备安全监督管理部门申请变更登记;3.特种设备存在严重事故隐患,无改造、维修价值,或者超过安全技术规范规定使用年限,应及时予以报废,并企业主管部门和设备属地特种设备安全监督管理部门办理注销查特种设备台帐和使用登记记录,没有及时进行使用登记变更,一次扣10分1011*对分包方的管理应对从事特种设备制造、安装、改造、维修、检验检测、安全评价等活动的分包方及其作业人员是否取得国家有关法定的资格进行鉴定和判断,并选择具备资质的分包方没有文件规定的扣2分2抽取最近一次的分包记录,未选择有资质分包方扣2分2应对特种设备制造、安装、改造、维修、检验检测、安全评价等分包方的活动实施有效管理。

应对分包方在本单位场所内对特种设备开展的相关活动进行监督和检查,包括其人员和作业活动没有文件规定的扣2分2抽取最近一次的分包记录,未提供监督和检查记录扣2分212*重点监控设备、风险评价与控制应确定本单位是否存在重大危险源,并对重点监控特种设备应登记建档,报企业主管部门和设备属地特种设备安全监督管理部门备案查设备台帐,满足重大危险源条件而没有识别的,每台设备扣5分;已识别未建档,或未报质量技术监督部门备案的,每台扣5分5应定期开展重点监控特种设备辨识,不间断地组织风险评价工作,每隔一定时间或发生重大变更时,应重新进行辨识和风险评价确定与业务活动有关的危害、影响和隐患,并对它们进行科学的评价分析,确定最大危害程度和可能影响的最大范围,以便采取有效或适当的控制措施,从而把风险降低或控制在可以承受的程度应针对风险评价的结果采取风险控制措施,风险控制应与风险的程度相适应对构成重点监控设备的特种设备,其控制措施应充分查有无风险评价与控制的文件规定和记录文件,按符合性好、中、差分别每项扣0、5、10分513*应急准备与响应应建立可靠的防范措施和应急预案有重点监控特种设备的使用单位应将应急预案报质量技术监督部门备案没有文件规定的扣4分;适用时没有报送备案的扣2分2应按照国家要求,建立应急救援组织和队伍;特种设备使用影响较小的单位,可以不建立应急救援组织的,应指定兼职的应急救援人员查文件规定,无应急组织或人员的,扣2分21.应急物资准备:准备事故或紧急情况应急所需的物资,包括通信设备和器材安全检测仪器、消防设施、器材及材料、个人防护、救护器材、照明设施、破拆工具及其它救灾物资;2.应急资料准备:包括特种设备的技术资料、现场工艺流程图及平面示意图、现场作业人员岗位布置与名单、应急人员的联络方式和地址、生产现场承包方或供货方人员名单、质量技术监督、医疗、消防、公安等部门的、地址及其它联系方式等查应急方案,按符合性好、中、差分别每项扣0、2、4分;抽查一种应急物资和一种应急资料,缺少或不完善的,每次扣2分4应建立内、外部应急联络渠道,包括:质量技术监督部门、分包方(特种设备维护保养方)、医院、消防等部门/人员的联络方式和地址、及其 它联系方式。

应保证应急救援通讯联络的畅通查是否有应急联络制度和联络记录,没有的扣4分4应在应急预案中详细描述并规定应急的流程,包括发现或发生紧急情况时应急的启动与恢复,各应急机构和人员的现场应急响应,以及向有关方面报告的程序按符合性好、中、差分别每项扣0、2、4分4应对在特种设备使用中负重要职责岗位的员工进行应急培训,使其熟知岗位上可能遇到紧急情况及应采取的对策查应急培训记录和培训大纲,按符合性好、中、差分别每项扣0、2、4分4应针对特种设备应急预案定期演练,演练前应经过演练策划和批准,必要时对相关人员进行告知,演练次数一年不得少于一次,以验证应急预案、应急准备工作,以及应急响应规定的有效性、充分性和适宜性查应急演习方案和记录,按符合性好、中、差分别每项扣0、2、4分4应针对特种设备应急预案和响应计划演习和实施过程中暴露的问题进行总结和评审,对演练规定、内容和方法进行及时的修订,也应注意总结本单位及外单位的事故教训,及时修订相关的应急预案查应急演习总结和评审报告或记录,按符合性好、中、差分别每项扣0、2、4分414*事故处理应建立事故调查处理规定,以确保能及时准确地调查、处理特种设备事故,分析发生的原因,并制定出相应的纠正和预防措施查是否建立事故调查处理程序,是否有相应的纠正和预防措施,适用时,可以检查有关事故发生后,是否及时启动程序,按符合性好、中、差分别每项扣0、5、10分515**特种设备故障处理和隐患整改应制定故障处理和隐患整改工作流程并建立隐患整改台帐查文件规定和有关台帐、见证,不完善的,按符合性好、中、差分别每项扣0、3、6分6特种设备使用单位无力解决的特种设备重大事故隐患,除采取有效防范措施外,应书面向本单位主管部门、质量技术监督部门等政府有关部门报告适用时,查是否有文件规定和书面报告,按符合性好、中、差分别每项扣0、2、4分4对物质或技术条件暂时不具备整改的重大隐患,必须采取应急的防范措施,并纳入计划,限期解决或停产适用时,查是否有文件规定和书面计划,按符合性好、中、差分别每项扣0、2、4分4各级检查人员都应将检查出的隐患和整改情况报告、重大隐患及整改情况交本单位主管部门汇总并存档查隐患和整改记录档案,没有相应存档的,扣6分616特种定期检查1按照公司文件要求定期进行特种设备检查;2按照检查的问题清单进行整改;3第二阶段检查上一阶段检查问题及时关闭;4检查资料完整且妥善保管上述四个问题各15分60合 计300表2 锅炉考评检查表表2-1 工业锅炉序号考评内容考评说明应得分实得分扣分原因查阅三项锅炉技术档案:1锅炉制造技术资料:(1)锅炉图样[包括总图(有设计审核章)、安装图和主要受压部件图];(2)受压元件的强度计算书或计算结果汇总表;(3)安全阀排放量的计算书或计算结果汇总表;(4)锅炉质量证明书(包括锅炉压力容器产品安全性能监督检验证书、出厂合格证、金属材料证明、焊接质量证明和耐压试验证明);(5)锅炉安装说明书和使用说明书;(6)受压元件重大设计更改资料1.没有每台锅炉单独建立锅炉制造技术档案的扣2分;2.每台锅炉制造技术资料缺一项扣1分,其中缺少(4)项的扣10分。

例外情况:a.对于没有安全阀的锅炉,(3)项缺项不扣 分;b.对于小型蒸汽锅炉,(1)项可以只包括总 图,(2)、(3)项允许缺项,(4)项可以 只包括安全性能监督检验证书和出厂合格证;c.对于没有经过受压元件重大设计更改的,(6)项缺项不扣分;d.对于进口锅炉,可以不要求总图有设计审核章,(4)项可以用进口锅炉压力容器安全性 能监督检验报告代替102锅炉的安装资料:(1)锅炉安装监督检验证书;(2)锅炉安装质量证明书;(3)锅炉施工质量记录(包括安装申报资料、施工方案、材质证明文件、无损检测记录、耐压试验记录、焊接记录、安全附件检定记录、水质化验记录、验收记录)1.没有每台锅炉单独建立锅炉安装技术档案的扣2分;2.每台锅炉安装技术资料缺一项扣1分,其中缺少(1)项的扣10分例外情况:a.对于有机热载体炉,(3)项中水质化验记 录用油品化验记录代替;b.对于小型蒸汽锅炉,(3)项缺项不扣分103**锅炉使用登记和管理资料:(1)使用登记簿;(2)历年的检验报告及检验意见书(定期内部检验报告、定期外部检验报告、耐压试验报告、重大修理改造监督检验报告、水质或油品监测报告);(3)安全附件的整定、校验记录或报告;(4)锅炉台帐;(5)特种设备作业人员清册和资格证书复印件1.没有每台锅炉单独建立锅炉使用登记和管理档案的扣2分;2.每台锅炉资料缺一项扣1分,其中缺少(1)项的扣15分;3.锅炉定期检验超期未检的,一次扣10分;4.安全附件超期未检的,一次扣5分;5.未按检验报告要求及时完成整改的,一次扣8分;6.单位只有一台锅炉的可以没有锅炉台帐15锅炉使用现场检查:4**锅炉房布置1.没有锅炉房的,扣10分;2.锅炉房设在聚集人多的房间或在其上面、下面、贴邻或主要疏散口两旁的,扣10分;3.锅炉房设置在地下室的,无强制通风措施的,扣5分;4.锅炉房通向室外的门没有设计成向外开的,扣5分;5.在锅炉运行期间锁住或闩住门的,扣5分;6.小型蒸汽锅炉,采用燃油、燃气或电加热,有可靠温控装置、超温超压自动保护装置、低水位保护装置,出现异常,能自动切断热源,可以不要求独立建造锅炉房,但应与蒸汽使用场所隔开,安装时应保证安全阀的泄放方向避开人员所处位置。

达不到要求的扣10分105锅炉及锅炉房安全管理制度和记录、使用登记检查: 八项安全管理制度:(1)岗位责任制;(2)交接班制度;(3)巡回检查制度;(4)定期检查、检修制度;(5)安全操作规程;(6)维护保养、清洁卫生制度;(7)水质管理制度;(8)事故报告制度五项记录:(1)锅炉安全运行记录;(2)交接班记录;(3)水质处理设备运行及水质化验记录;(4)锅炉和水质处理设备检修保养记录;(5)单位主管部门检查记录锅炉房应悬挂锅炉使用登记证1.八项安全管理制度应悬挂在锅炉房明显位置,没有悬挂或位置不满足要求的扣5分;2.锅炉作业人员应熟悉八项安全管理制度,现场随机抽查一名以上锅炉作业人员,询问有关条款的熟悉程度,不能达到基本掌握程度的扣2分;3.五项记录,运行人员应准时、认真填写,情况真实,锅炉管理人员对运行记录定期检查核实各项记录保存一年以上现场检查运行记录,记录超前或滞后的扣2分,记录结果不准确的扣2分,记录没有保留的扣2分;4.水质应符合GB1576《低压锅炉水质》,水质化验记录的时间、项目、数据符合相关的标准和规程,不满足要求的扣3分;5.缺少一项管理制度扣3分;6.缺少一项记录扣5分;7.锅炉房内跑、冒、滴、漏,环境卫生差的扣1分;8.锅炉使用登记证应悬挂在锅炉房内明显处,没有悬挂或位置不满足要求的,扣5分。

例外情况:a.有机热载体炉无有关水质的制度和记录不扣分;b.小型蒸汽锅炉应有安全操作规程和运行记录,其它管理制度和记录不齐全不扣分156**人员持证上岗:(1)司炉、水质化验人员应持有特种设备作业人员证,并随身携带正证或副证;(2)司炉、水质化验人员的操作证批准项目应与所操作的设备类别相适应,并在有效期内;(3)锅炉房如设在多层或高层建筑的半地下室或第一层中、地下室时,独立操作的司炉工人必须持有相应级别的司炉操作证,且连续操作同类别锅炉5年以上,未发生过事故1.一人次无证操作或作业种类不对应、超期未及时复审的,扣5分;2.按(3)款要求,司炉达不到要求的,扣10分;3.未随身携带特种设备作业人员证的,扣3分;4.检查时司炉不在现场或脱岗超过20分钟的,扣5分157**锅炉安全附件检查:(1)安全阀:铅封、校验标签完好,在校验有效期内使用,外观无缺陷,有定期排放试验记录,疏水畅通,排汽管、放水管引到安全地点;(2)水位表:水位表上有最低、最高安全水位和正常水位的明显标志,水位清晰可见,玻璃管水位表有防护罩,照明良好,事故照明电源完好;两只水位表显示的水位一致同一水位检测系统中,一次仪表与二次仪表显示的水位一致;有定期冲洗水位表记录;(3)压力表:有校验标签并在有效期内,表盘清晰指针功能正常,便于观察,采光或照明良好;(4)自动保护联锁装置完好,有定期的  功能检查记录,必要时由司炉工进行实际的操作试验1.安全阀、压力表超期未检的、给水设备不能正常工作的,扣10分;2.其它要求不符合要求的,一项扣2分158#锅炉及辅机检查:(1)接头可见部位、阀门、法兰及人孔、手孔、头孔、检查孔、汽水取样孔周围应无腐蚀、渗漏;(2)炉顶、炉墙、保温密封良好,无漏烟现象,无开裂、凸鼓、脱落等缺陷;(3)承重结构和支、吊架等无过热、变形、裂纹、腐蚀、卡死;(4)锅炉范围内管道及阀门没有泄漏,保温完好无破损;(5)排污装置:阀门、排污管无渗漏;排污畅通,排污时无振动,有定期的排污记录;(6)给水系统:给水设备、阀门能保证可靠地向锅炉供水;(7)循环泵:循环泵和备用循环泵完好,可靠;(8)燃烧系统:燃烧设备、燃料供应设备及管道、除渣、鼓、引风机运转正常;(9)给水设备完好,匹配合理,水处理设备正常运行,除氧装置工作正常按要求对各项内容进行检查,发现一个问题扣2分10合 计100表2-2 电站锅炉序号考评内容考评说明应得分实得分扣分原因查阅三项锅炉技术档案:1锅炉制造技术资料:(1)锅炉竣工图,包括锅炉整体总图(有 设计审核章)、各部件总图和分图、汽水系统图、热膨胀系统图、测点布置图、基础荷重及其外形图等;(2)承压部件强度计算书或汇总表;(3)过热器、再热器管壁温度计算书或汇总表;(4)烟风系统阻力计算书或汇总表;(5)锅炉设计说明书和使用说明书;(6)热力计算书或汇总表;(7)过热器和再热器壁温计算书;(8)安全阀排放量的计算书和反力计算书;(9)锅炉质量证明书(包括出厂合格证、 金属材料、焊接质量和水压试验合格证明等); (10)受压元件重大设计更改资料1.没有每台锅炉单独建立锅炉制造技术档案的扣2分;2.每台锅炉制造技术资料缺一项扣1分,其中缺少(9)项的扣10分;例外情况:a.对于没有经过受压元件重大设计更改的,(10)项缺项不扣分;b.对于进口锅炉,可以不要求总图有设计审核章,(9)项可以用进口锅炉压力容器安全性能监督检验报告代替102锅炉的安装资料:(1)锅炉安装监督检验证书;(2)锅炉安装质量证明书或竣工验收报告;(3)锅炉施工质量记录(包括安装申报资料、施工方案、材质证明文件、无损检测记录、水压试验记录、焊接记录、安全附件检定记录、水质化验记录、验收记录)1.没有每台锅炉单独建立锅炉安装技术档案的扣2分;2.每台锅炉安装技术资料缺一项扣1分,其中缺少(1)项的扣10分103*锅炉使用登记和管理资料:(1)锅炉技术登记簿和使用登记证、使用登记簿;(2)历年的检验报告及检验意见书(定期内部检验报告、定期外部检验报告、水压试验报告、重大修理改造检验报告和有关申报资料、水质监测报告);(3)安全附件的整定、校验记录或报告;(4)电站锅炉台帐;(5)特种设备作业人员名册和资格证书复印件1.没有每台锅炉单独建立锅炉使用登记和管理档案的扣2分;2.每台锅炉资料缺一项扣1分,其中缺少(1)项的扣15分;3.查定期检验报告和锅炉检验计划、大小修工程计划,超期未检的,一次扣10分;4.安全附件超期未检的,一次扣5分;5.锅炉改造,受压元件经重大修理或更换的,如水冷壁更换管数在50%以上,过热器、再热器、省煤器等部件成组更换及汽包进行了重大修理时,要按重大修理改造申报,并经监督检验合格,查阅锅炉检修台帐,未经申报的一次扣5分;6.未按检验报告要求及时完成整改的,一次扣8分154*锅炉安全管理制度:(1)运行交接班制度;(2)运行设备巡回检查制度;(3)运行记录管理制度;(4)定期检查、检修制度;(5)化学监督管理制度;(6)金属技术监督管理制度;(7)操作票和工作票管理制度(两票);(8)安全运行操作规程;(9)安全技术措施和反事故技术措施计划管理制度(两措)1.缺少一项安全管理制度扣1分;2.操作没有按“两票”制度执行,或未按程序签发的,每次扣1分;3.其它制度与实际情况不符的,每个扣1分155锅炉管理和运行记录:(1)“两措”计划和演习记录、分析报告;(2)锅炉压力容器检验计划和记录;(3)锅炉大小修工程计划和记录;(4)锅炉检修台帐;(5)安全检查计划和记录;(6)炉膛超压记录簿;(7)壁温超温记录簿;(8)爆管分析报告;(9)非计划停运记录;(10)运行日志;(11)安全阀定期排汽试验记录;(12)安全阀校验记录;(13)化学监督记录;(14)金属监督记录;(15)设备缺陷记录;(16)锅炉排污记录1.缺少一项管理和运行记录扣2分;2.按计划抽查实际记录是否与计划相符,不相符的一次扣2分156**人员持证上岗:(1)司炉、水质化验人员应持有特种设备作业人员证,并随身携带正证或副证;(2)司炉、水质化验人员的操作证批准项目应与所操作的设备类别相适应,在有效期内;1.一人次无证操作或作业种类不对应、超期未及时复审的,扣5分;2.未随身携带特种设备作业人员证的,扣3 分;3.检查时司炉不在现场或脱岗超过20分钟的,扣5分157**锅炉安全附件检查:(1)安全阀:铅封、校验标签完好,在校验有效期内使用,外观无缺陷,有定期排汽试验记录,疏水畅通,排汽管、放水管引到安全地点;(2)汽包水位表:水位表上有最低、最高安全水位和正常水位的明显标志,水位清晰可见,玻璃管水位表有防护罩,照明良好,事故照明电源完好;两只水位表显示的水位一致;同一水位检测系统中,一次仪表与二次仪表显示的水位一致;有定期冲洗水位表记录;(3)压力表:有校验标签并在有效期内,表盘清晰指针功能正常,便于观察,采光或照明良好;一次仪表与二次仪表显示的压力一致1.安全阀、压力表超期未检的,扣10分;2.其它要求不符合要求的,一项扣2分158#锅炉及辅机检查:(1)接头可见部位、阀门、法兰及人孔、手孔、头孔、检查孔、汽水取样孔周围无腐蚀、渗漏;(2)炉顶、炉墙、保温密封良好,无漏烟现象,无开裂、凸鼓、脱落等缺陷;(3)承重结构和支、吊架等无过热、变形、裂纹、腐蚀、卡死;(4)锅炉范围内管道及阀门没有泄漏,保温完好无破损;(5)排污装置:阀门、排污管无渗漏;排污畅通,排污时无振动;(6)给水系统:给水设备、阀门能保证可靠地向锅炉供水;(7)循环泵:循环泵和备用循环泵完好,可靠;(8)燃烧系统:燃烧设备、燃料供应设备及管道、除渣、鼓、引风机运转正常;(9)给水设备完好,匹配合理,水处理设备正常运行,除氧装置工作正常按要求对各项内容进行检查,发现一个问题扣1分5合 计100表3 固定式压力容器考评检查表序号考评内容考评说明应得分实得分扣分原因1压力容器制造技术资料:(1)产品质量证明书;(2)产品合格证使用说明书;(3)产品安全质量监督检验证书(进口压力容器则应有安全性能监督检验报告); (4)设计总图(竣工图)1.现场查看,核对资料;2.对出厂在7年以内的压力容器,每台压力容器制造技术资料缺一项扣2分,其中缺少(1)、(3)项的扣5分102压力容器安装档案资料:(1)大型压力容器现场组装竣工验收文件;(2)安装监督检验证书或报告1.现场查看,核对资料;2.每台压力容器安装资料缺一项扣2分,其中缺少(2)项的扣5分53**压力容器使用登记和管理资料:(1)使用登记证书;(2)运行周期内的年度检查或最近二次全面检验报告;(3)运行记录、操作条件变化情况以及运行中出现异常情况的记录等;(4)有关维修或者改造的文件,重大改造维修方案,告知文件,竣工资料,改造、维修监督检验证书等;(5)安全附件校验、修理和更换记录1.现场查看,核对资料;2.每台压力容器使用登记和管理资料缺一项扣3分,其中缺少(1)项的扣15分154*压力容器各项规章制度和操作规程贯彻执行: (1)贯彻执行压力容器的安全管理规章制度等;(2)压力容器安全操作规程或要求:a)压力容器的操作工艺指标(含最高工作压力、最高或最低工作温度);b)压力容器的岗位操作法(含开、停车的操作程序和注意事项);c)压力容器运行中应重点检查的项目和部位,运行中可能出现的异常现象和防止措施,以及紧急情况的处置和报告程序现场查看、询问,根据不同设备的安全管理法规要求和文件规定,按符合性好、中、差分别每项扣0、2、4分105#压力容器作业人员:(1)经质量技术监督部门考核发证,持证上岗;(2)使用单位应对压力容器操作人员定期进行专业培训与安全教育1.每人次无证操作或作业种类不对应、超期未及时复审的,扣2分;2.达不到(3)项要求,扣3分106*安全附件:(1)安全阀:铅封、校验标签完好,在校验有效期内使用,无泄漏;(2)液位计:整体完好,阀件牢固,无假液位,指示清晰;(3)压力表:外观、校验标签完好,在检定有效期内使用,表盘清晰,指针功能正常,表盘上有超压警示标记;(4)爆破片装置:完好、无泄漏、无变形,在有效期内使用;(5)测温仪表:在规定的检定、检修期限内使用,仪表及防护装置无破损;(6)紧急切断阀:灵敏、可靠、能远程控制;(7)快开门联锁保护装置:a)当快开门达到预定关闭部位方能升压运行的联锁控制功能;b)压力容器的内部压力完全释放,锁紧装置脱开,方能打开快开门的联锁联动作用; c)具有与上述动作同步的报警装置现场查看,试验,每一项不符合要求扣4分207*压力容器本体:(1)压力容器的铭牌、漆色、标志和标记是否符合有关规定;(2)压力容器的本体、接口(阀门、管路)部位、焊接接头等无裂纹、过热、变形、泄漏、损伤等;(3)外表面有无严重腐蚀,有无异常结霜、结露;(4)保温层有无破损、脱落、潮湿、跑冷;(5)检漏孔、信号孔有无漏液、漏气;(6)支承或者支座有无损坏、基础有无下沉、倾斜 、开裂,紧固螺栓齐全、完好;(7)排放(疏水、排污)装置完好;     (8)运行期间无超压、超温、超量等现象;(9)罐体有接地装置的,接地装置符合要求;(10)安全状况等级为4级的压力容器的监控措施执行情况现场查看,核对资料,每一项不合格扣4分208#压力容器修理、改造:应由取得相应资质的单位进行,并按规定办理了相应告知手续,并由特种设备监督检验部门进行全面检验并出具检验报告资料审查、询问,每一项不合格扣2分。

没有进行修理或改造,按空项对待49压力容器站房或安装位置:盛装易燃、易爆、有毒介质的压力容器以及其它有特殊要求的压力容器要设置单独的站房,并有相关的安全防护措施;不能单独设置站房的,应按相关技术规范要求,与附近的建筑物、设施、道路等保持一定的间距现场检查、对照有关技术规范,资料审查、询问,每一项不合格扣3分6合 计100表4 气瓶考评检查表序号考评内容考评说明应得分实得分扣分原因1*气瓶建档资料:(1)气瓶的登记信息:气瓶在充装单位的编号、气瓶名称或型号(指无缝气瓶、焊接气瓶、溶解乙炔气瓶等,如是液化石油气瓶,应填写LPG50、LPG15、LPG10、LPG5、LPG2、LPG0.5等)、气瓶充装介质名称或化学分子式并应具备电子、文本档案;(2)气瓶的制造信息:气瓶制造单位名称或代号、气瓶制造编号、气瓶制造年月;并应具备电子、文本档案;(3)气瓶的基本技术参数信息:气瓶的公称工作压力(单位:MPa)、水压试验压力(单位:MPa)、重量(单位:kg)、容积(单位:L)、瓶体设计壁厚(单位:mm);并应具备电子、文本档案;(4)气瓶的检验信息:检验报告,检验有效期限,具备电子、文本档案;(5)托管气瓶的托管见证资料(仅需文本档案)现场抽查20只气瓶档案,齐全(95%以上)不扣分,基本齐全(50%以上)扣3分,不齐全(50%以下)扣5分,没有资料扣10分102#气瓶管理制度,至少应包括:(1)岗位责任制;(2)气瓶建档、标识、定期送检和日常保养制度;(3)用户信息反馈管理制度;(4)计量器具与仪器仪表校验管理制度; (5)气瓶充装前、后检查登记制度;(6)气瓶储存、发送管理制度(如配带瓶帽、防震圈等);(7)资料保管制度(如充装资料、设备档案等);(8)不合格气瓶处理制度;(9)各类人员培训考核管理制度;(10)用户宣传教育管理制度; (11)接受特种设备安全监察机构监督检查制度1.现场查阅,各岗位责任制度齐全,每缺一项扣2分;2.制度与实际情况不符的,每个制度扣3分93安全技术操作规程,至少应包括:(1)瓶内残液(残气)处理操作规程;(2)气瓶充装前、后检查操作规程;(3)气瓶充装操作规程;(4)气体分析操作规程(液化石油气除外)(5)设备操作规程1.现场查阅,各操作规程齐全,每缺一项扣2分;2.规程与实际情况不符的,每个规程扣3分64*技术负责人条件及素质:(1)技术负责人:具有相关专业工程师(液化石油气充装单位可为助理工程师)或以上职称,或符合以下任一条件:a)有相关专业大专学历并从事相关行业8年以上;b)具有相关专业本科或以上学历并从事相关行业5年以上。

2)技术负责人应经质量技术监督部门考核,取得相应的特种设备作业人员证书;(3)技术负责人熟悉本单位充装工艺过程及现状,掌握气瓶充装相关要求;(4)技术负责人熟知本单位安全管理制度,具有组织、协调能力,具有处理一般技术问题的能力;(5)技术负责人熟悉本单位的事故紧急处理预案,并具有一定的事故处理组织能力1.查职称证书原件或学历证书原件及相关见证材料不符合扣2分;2.查资格证书原件,不符合扣3分;3.现场提问:按符合性好、中、差分别每项扣0、2、4分75#安全员条件及素质:(1)根据充装气体种类及储存能力配备专职或兼职安全员,负责安全管理与安全检查工作;(2)安全员熟悉本站所充装气体的基础知识及有关安全知识;(3)安全员熟悉本单位充装工艺过程及现状,掌握气瓶充装相关要求;(4)安全员熟悉本单位事故紧急处理预案,掌握本单位一般事故的处理方法,熟悉事故上报程序及要求现场提问:按符合性好、中、差分别每人项扣0、2、4分76**充装人员条件及素质:(1)充装前检查人员经质量技术监督部门考核,取得相应的特种设备作业人员证书;(2)充装前检查人员应根据单位充装量,至少配备2名,且每工班至少有1名在现场;(3)充装前检查人员应熟练掌握检验要点及方法,正确使用检验工具;(4)充装作业人员经质量技术监督部门考核,取得相应的特种设备作业人员证书;(5)充装作业人员根据单位充装量,至少配备3名;(6)充装作业人员掌握本站所充装气体的基本知识,掌握各种气瓶最大充装量规定,了解气瓶基础知识;(7)充装作业人员熟悉充装设备性能及其安全操作方法;(8)配备一定数量经考核取得特种设备作业人员资格证书的压力容器操作人员;(9)根据本单位情况,配备一定数量的掌握相关技术要求的其他相关工程技术人员;(10)充装易燃或有毒气体的充装单位,须配备一定数量取得相应特种设备作业人员资格证书的带压堵漏人员,且操作熟练;(11)单位应对气瓶装卸、搬运、收发等人员进行培训,使其了解与所充装气体及气瓶有关的安全技术知识、法规和标准等检查方法:1.查资格证书原件;2.查制度和考勤记录;3.查培训记录;4.抽不少于2名充装前检查人员现场各检3只气瓶。

按符合性好、中、差分别每人项扣0、2、4分77#充装工作记录和见证材料,至少应包括:(1)收发气瓶记录;(2)残液(残气)处理记录;(3)充装前、后检查及充装记录;(4)不合格气瓶隔离处理记录;(5)气体分析记录(液化石油气除外);(6)质量信息反馈记录;(7)设备运行、检修和安全检查记录;(8)溶解乙炔高压干燥器添加(更换)干燥剂记录;(9)溶解乙炔气瓶添加丙酮记录;(10)事故应急处理预案定期演练记录1.现场查阅,各记录应齐全,并核查签名或审批等手续是否齐全,每缺一项扣2分;2.记录与实际情况不符的,每个记录扣3分;3.现场查阅,无演练无记录扣4分,有演练无记录扣2分128*法规、管理制度执行情况:26充装许可证在有效期内,充装工作严格按许可范围进行,没有超范围充装查充装许可证,查阅历史充装记录,现场核查充装情况及储存气体情况发现有违规行为扣1分1单位技术负责人如有更换应及时向质量技术监督部门办理有关备案手续查使用单位记录,核查相关见证资料每一项不符合要求扣0.3分1按相关法规、规章、安全技术规范和标准的要求从事气瓶充装工作,主动接受特种设备安全监察机构的监督检查,并能积极配合查阅历史充装记录,通过各种渠道了解情况,结合各级特种设备安全监察机构日常监督检查的情况,并现场核查充装工作情况1自有气瓶(含托管气瓶)数量符合有关要求,并已用计算机建档登记,建档情况符合要求查阅气瓶档案资料,调阅计算机档案,核查建档项目是否符合有关要求,是否齐全、完整。

在充装现场随机抽查20只钢瓶,对照档案计算准确率,准确率低于70%为0分,70-74%为0.5分,75-79%为1分,80-84%为1.5分,85-89%为2分,90-94%为2.5分,95%以上可得3-4分4按照质监部门的统一要求,对自有气瓶(含托管气瓶)涂敷本单位标志,打本单位标识和气瓶编号钢印,并进行日常维护,以保证其清晰程度和完整性气瓶涂敷样式符合有关法规、规章、安全技术规范和标准的要求核查相关制度、工器具、记录和见证资料,现场核查气瓶,随机抽查20只钢瓶,对照电脑档案计算准确率;准确率低于70%为0分,70-74%为1.5分,75-79%为2分,80-84%为2.5分,85-89%为3分,90-94%为3.5分,95%以上可得3-4分4执行专用瓶固定充装现场检查,发现有违规充装行为扣3分3执行气瓶定期送检查资料及现场,无送检资料扣1.5分,现场发现充装过期瓶扣3分3按规定及时上报气瓶建档情况及气瓶充装情况等查阅上报材料或存档资料0.5应保持相关管理人员和操作人员的相对稳定性查阅人员花名册和劳动合同等相关见证资料0.5按规定进行气瓶充装工作,保证充装质量和安全同种类气瓶现场抽查不少于3只,进行气瓶充装全过程跟踪;充装合格的气瓶粘贴符合国家标准的警示标签和充装标签。

发现有违规情况扣3分3气体储存能力应符合有关规定要求,具有足够数量自有气瓶(不含托管气瓶)查气瓶建档资料,并现场核查1岗位责任制及主要安全技术操作规程上墙查制度,现场核查0.5由单位负责人主持召开每月至少一次质量安全分析会议,及每年至少一次的安全生产、质量分析总结查制度和见证0.5事故应急处理操作规程(预案),定期演练并有记录查定期演练记录2没有发生严重及以上特种设备事故,没有发生气体燃烧、爆炸、有毒气体大量泄漏等较大的质量事故根据掌握的材料和有关情况核实19-1#场地、装备及安全设施条件(适用于液化石油气充装):16生产区(包括罐区、充装台、罐车装卸区)和辅助区分区布置现场核查0.5有独立专用的充装前检查场地,可充瓶与不可充瓶应有明显标志并分开存放现场核查1实瓶区和空瓶区分开设置,实瓶存放量应满足有关规定现场核查1有充装后检漏或复检(含二次检斤)场地,设施完好,满足要求现场核查1气瓶装卸、搬运等场地应配备防止气瓶碰撞或划伤的装置或措施现场核查1贮罐的充装量不得超过最大允许充装量配备的残液罐不得用于充装液化石油气查设计文件,现场核查0.5贮罐应设置可即时指示的液位计和压力表,宜设置可即时指示的温度计现场核查0.5应设置两台或两台以上贮罐,贮罐及容器的支座与基础应牢固可靠现场核查1设置压缩机和烃泵;压缩机进口设气液分离器;烃泵进口设过滤器,出口设安全回流阀及旁通管和旁通阀现场核查1至少设置两台充装秤,并另设检斤秤,均应具有自动切断气源的装置;钢瓶装液重量≤15kg时,秤的最小刻度值应≤0.1kg,装液重量在15~50kg时则应≤0.2kg。

现场核查2计量设备及仪器应进行检定,并在检定有效期内使用查检定见证、检定制度和计划,现场核查1.5有安全可靠的残液倒空和回收装置,宜设新瓶抽真空装置现场核查1设汽车罐车装卸台和装卸装置,并应符合相关规范标准要求现场核查0.5压力容器和主要压力管道一般应配备带压密封设备和装置现场核查0.5充装操作人员应配备有效的劳动保护和安全防护用品现场核查0.5对充装设备应进行日常的维护,保持设备工作性能和安全性能查制度,现场核查1.5充装单位入口应设入站须知牌,重要部位应设立安全标志现场核查19-2#场地、装备及安全设施条件(适用于永久气体充装):16有独立专用的充装前检查场地,可充瓶与不可充瓶应有明显标志并分开存放现场核查1实瓶区和空瓶区分开设置,之间应设置防爆墙,其厚度≥120mm,高度≥2m现场核查1有充装后检斤或检漏场地和设施现场核查1实、空瓶及充装区之外应设置运瓶通道和气瓶装卸平台现场核查1气瓶装卸、搬运等场地应配备防止气瓶碰撞或划伤的装置现场核查1计量设备及仪器应进行检定,并在检定有效期内使用查检定见证、检定制度和计划,现场核查1充装设备、管道、阀门、联接件等不应选用与介质发生化学反应的材料,特别是能导致燃烧爆炸的材料现场核查1应有防止可燃气体与助燃气体错装和防止不相容气体错装的装置现场核查1有毒气体充装单位应设处理瓶内残液或余气的设备或装置现场核查1可燃气体输送管道以及放空管道上应设置阻火器查设计文件、现场核查1气体放空管应引至室外,其具体位置应参照不同气体的设计规范。

对有毒气体,由应将其引入回收或处理装置现场核查0.5采用水电解法制取氢气、氧气的充装单位,必须设置自动测定氢气中氧含量、氧气中氢含量的分析仪器和超标报警装置现场核查1易燃或有毒气体充装单位,应设置相应的气体危险浓度监测报警装置,并应定期校验现场核查,查检验见证、检验制度和计划1易燃气体充装单位应设有足够泄压面积并有与充装单位空间相适应的泄压设施充装介质重度小于空气的,排气泄压设施应开设在其建筑物顶部;充装介质重度大于或等于空气的,排气泄压设施应开设在其建筑物靠近地面的位置上现场核查0.5易燃或有毒气体充装单位,其压力容器和主要压力管道一般应配备带压密封设备和装置现场核查0.5充装操作人员应配备有效的劳动保护和安全防护用品现场核查0.5对充装设备应进行日常的维护,保持设备工作性能和安全性能现场核查1充装单位入口应设入站须知牌,室内外醒目处应设立安全标志现场核查19-3#场地、装备及安全设施条件(适用于液化气体和溶解乙炔气体充装):16充装间、气瓶储存地点和气体贮罐区温度一般不宜超过30℃,并应设置通风、遮阳、蔽雨、防雷电、导除静电和防超温设施现场核查1有独立专用的充装前气瓶余压测试、剩余介质纯度分析、重量检查场地和设施,可充瓶与不可充瓶应有明显标志并分开存放现场核查1充装容积≥40L的,应设气瓶装卸站台,实瓶区和空瓶区应分开设置,并设立明显标记,站台上应留有宽度不小于2m的通道现场核查1有充装后检漏及复检场地和设施现场核查1气瓶装卸、搬运等场地应配备防止气瓶碰撞或划伤的装置现场核查1气体加压、分离、储存、计量等压力容器应设有准确、安全、醒目的液面显示装置,并有可靠的防超装、超压设施现场核查应配备与其充装接头数量相等的称重衡器。

复检与充装的称重衡器应分开使用称重衡器的最大称量值不得大于所充气瓶实重的3倍,且不小于1.5倍,其精度满足有关要求称重衡器应设有超装报警并自动切断气源的装置现场核查1管线、设备上配置的各种压力指示计,其精度不应低于1.5级现场核查0.5计量设备及仪器应进行检定,并在检定有效期内使用查检定见证、检定制度和计划,现场核查1根据所充装气体的特性,应设置相应的可进行置换、解毒、排放或回收处理瓶内可燃、有毒和其它气体残液的设施现场核查0.5应配备气体分析检测仪器和专门进行气瓶附件修理或更换的操作间现场核查0.5必须采用逐瓶称重、充装同时进行的方式充装,禁止无称重直接充装现场核查,查制度1充装毒性和可燃性气体的单位,应设置相应的气体浓度监测报警装置现场核查0.5充装毒性气体的单位,厂房内除设置一般机械通风外,还应备有事故排风装置;充装剧毒气体的单位,应配置在充装同时可防止气体逸出的负压操作系统,气体贮存容器应设置在室外,并设有可在容器四周形成水幕制止突发性事故而造成毒性气浪的给水装置现场核查0.5充装腐蚀性气体的单位,其设备、管道、阀门及连接件与密封件应根据气体腐蚀性选用相应的耐蚀材料制作,设备及管道系统上安装的压力指示计应采用耐蚀膜片式(如采用普通式压力表,检验周期不应超过6个月)。

充装与水反应易形成强腐蚀性介质的单位,应经常保持干燥环境,并备有对设备、管道、阀门、气瓶进行干燥的设施现场核查,查设计文件、相关制度及见证0.5易燃或有毒气体充装单位,其压力容器和主要压力管道一般应配备带压密封设备和装置现场核查0.5充装操作人员应配备有效的劳动保护和安全防护用品现场核查1对充装设备应进行日常的维护,。

下载提示
相关文档
正为您匹配相似的精品文档