文档详情

内部质量审核表

沈***
实名认证
店铺
PDF
1.21MB
约34页
文档ID:188862955
内部质量审核表_第1页
1/34

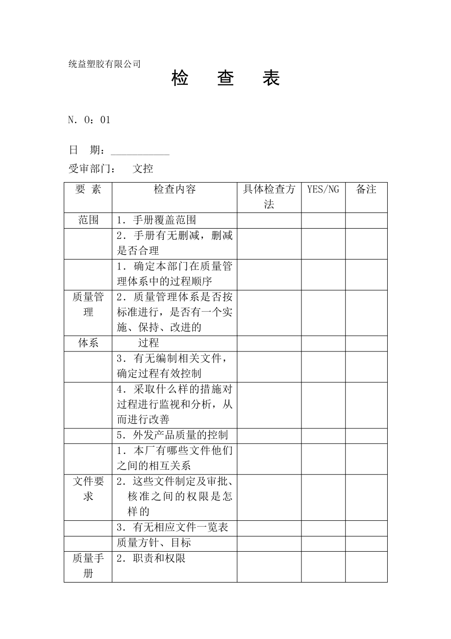
统益塑胶有限公司 检 查 表 NO:01 日 期:_ 受审部门:文控 要 素 检查内容 具体检查方法 YES/NG 备注 范围 1手册覆盖范围 2手册有无删减,删减是否合理 1确定本部门在质量管理体系中的过程顺序 质量管理 2质量管理体系是否按标准进行,是否有一个实施、保持、改进的 体系 过程 3有无编制相关文件,确定过程有效控制 4采取什么样的措施对过程进行监视和分析,从而进行改善 5外发产品质量的控制 1本厂有哪些文件他们之间的相互关系 文件要求 2这些文件制定及审批、核准之间的权限是怎样的 3有无相应文件一览表 质量方针、目标 质量手册 2职责和权限 制 表:审 核:核准:表格编号:QR-55 统益塑胶有限公司 检 查 表 NO:02 日 期:_ 受审部门:文控 检查文件编号:要 素 检查内容 具体检查方法 YES/NG 备注 3产品实现流程 4有多少份程序文件,且在其职能分配过程中本部门有哪几项为主导部门 5为保证程序顺利执行,应有哪些作业指导书其审批是否按正常权限 6我们公司的管代是谁为什么要委任管代 7质量手册是否受控 表格的目的是什么,目前所用的表格有哪些 文件控制 2我们目前有四阶文件,请问内部文件是怎样控制它是否都按此要求 3你是否知道工厂文件编号的原则,其中产品实现的章节号为多少 4我们四阶文件是否全部受 控 5文件类型和状态标示保持清晰,易于识别 6。

文件保存是否建档 制 表:审 核:核准:表格编号:QR-55 统益塑胶有限公司 检 查 表 NO:03 日 期:_ 受审部门:文控 检查文件编号:要 素 检查内容 具体检查方法 YES/NG 备注 7有否印章证明此文件受控 8收回作废文件如何管制 9如果有文件更改时应该怎样处理 10文件修改有否记录 11外来文件是否有控制,是否经过相关人员审核 12图纸怎样管理 13外发检验报告是否管理(电镀、原料供应商)14申请文件的过程是怎样的 15文件控制流程图是怎样的 记录标识、表格形式、编号方式有无统一 2质量体系相关表单有无管制 3记录填写是否按要求(真实、及时、清晰、正确)4是否对记录的内容进行分析改进(如特采、退货等)5所登记的记录是否予以明确控制 制 表:审 核:核准:表格编号:QR-55 统益塑胶有限公司 检 查 表 NO:04 日 期:_ 受审部门:文控 检查文件编号:要 素 检查内容 具体检查方法 YES/NG 备注 6 有无规定记录保存期限 7 记录形式是否符合体系运作过程 制 表:审 核:核准:表格编号:QR-55 统益塑胶有限公司 检 查 表 NO:05 日 期:_ 受审部门:人事 检查文件编号:要 素 检查内容 具体检查方法 YES/NG 备注 1是否提供所需资源 资源提供 2 关健过程和岗位资源是否充足 1各岗位任务、性质的要求是否确定,是否按岗位能力选人 人力资源 2是否从教育、培训、技能去考核员工 新进员工有无培训,培训过程怎样 培训 2 对新进员工有无技能作业培训有无培训记录 3有无培训考核结果 4 第一次培训不合格是否应予不录用 5企业是否重视培训 6,公司特岗人员是否有培训是否有培训记录及上岗核准 7有无系统培训计划 8培训计划是否有实施 9培训资源是否充足 制 表:审 核:核准:表格编号:QR-55 统益塑胶有限公司 检 查 表 NO:06 日 期:_ 受审部门:人事 检查文件编号:要 素 检查内容 具体检查方法 YES/NG 备注 10有无人力资源评估 11现职员工有无培训 12试产或打样时有无对新产品进行技能培训 13转岗人员有无培训(培训记录)14评审有无跟踪及归档 15培训效果有无一个具体衡量标准 1有否提供适宜工作环境以保证产品符合性 环境 2有哪些重要环境(人、物)3有无制作安全手册对员工进行安全教育培训 4工作场所卫生、清洁、通风、光照情况是否良好 5工作场所 5S 6工作场所有无安全标志、危险标志等设施 是否建立实施保持内部审核程序 内审 2根据规定时间段是否编制审核计划 3编制检查表是否根据审核准则(标准要求、体系文件)制 表:审 核:核准:表格编号:QR-55 统益塑胶有限公司 检 查 表 NO:07 日 期:_ 受审部门:人事 检查文件编号:要 素 检查内容 具体检查方法 YES/NG 备注 4审核小组是否按体系需 要成立,其具体职能 5审核有无按流程作业,有无相关记录 6审核不合格项是否填写内审不合格报告 7不合格项有无得到纠正(有无制定和实施预防和纠正措施)8有无内审报告 9有无末次会议,有无会议记录 10工作文件是否齐全、范围正确并得到整理保存 制 表:审 核:核准:表格编号:QR-55 统益塑胶有限公司 检 查 表 NO:08 日 期:_ 受审部门:纸板/纸箱 检查文件编号:要 素 检查内容 具体检查方YES/NG 备注 法 记录标识、表格形式、编号方式有无统一 2 质量体系相关表单有无管制 3记录填写是否按要求(真实、及时、清晰、正确)4 是否对记录的内容进行分析改进(如特采、退货等)5 所登记的记录是否予以明确控制 6 有无规定记录保存期限 7 记录形式是否符合体系运作过程 1设备管理有无流程图 设施 2设备有无编号登记(资料),有无设备登记一览表 3 设备验收时附件及说明有无存档 4 设备验收时功能测试有否记录 5设备上有无设备卡 6 设备上是否挂作业指导书作业员是否按指导书作业 7 设备是否定期保养有否记录 制 表:审 核:核准:表格编号:QR-55 统益塑胶有限公司 检 查 表 NO:09 日 期:_ 受审部门:纸板/纸箱 检查文件编号:要 素 检查内容 具体检查方法 YES/NG 备注 8 各指定人员有否对机器进行日常点检并记录 9设备不能正常运转时,不否挂牌标示 10设备报废有无按作业运作新设备有无登记注册 11设备维修是否有记录 12生产所有工夹具是否有效管理 1 有否提供适宜工作环境以保证产品符合性 环境 2有哪些重要环境(人、物)3 有无制作安全手册对员工进行安全教育培训 4工作场所卫生、清洁、通风、光照情况是否良好 5工作场所 S 6工作场所有无安全标志、危险标志等设施 1产品质量的特性、目标要求是否清楚,在哪些文件中有体现 产品实现 2有无工艺流程,哪些过程需要验证 策划 3验证、检验、活动是否明确要求,接收准则是否清楚 制 表:审 核:核准:表格编号:QR-55 统益塑胶有限公司 检 查 表 NO:10 日 期:_ 受审部门:纸板/纸箱 检查文件编号:要 素 检查内容 具体检查方法 YES/NG 备注 4 产品实现过程有无策划(有无流程)是否制定各产品的作业指导书 生产流程 2 产品是否有指导书及控制文件 3 是否按规定使用和维护设备(日常点检表)4 有否生产需要的监视和测量装置(有无验收,有无超过使用期)5 有无建立生产过程失控改善措施,怎样应付不合 格品的产出 6 对工序更改有无经过评审 7 有无规定交付实施过程条件、方式有无产品交付记录 8 怎样保证重要工序是按质量计划实施,怎样去重点控制(电镀、铣槽、倒角等)生产和测量设备准确度和精密度怎样保证 过程确认 2设备设定有无具体化、文字化(车床转速)制 表:审 核:核准:表格编号:QR-55 统益塑胶有限公司 检 查 表 NO:11 日 期:_ 受审部门:纸板/纸箱 检查文件编号:要 素 检查内容 具体检查方法 YES/NG 备注 3对操作人员技能、资格 有否培训,有无考核,是否合格胜任 4有无证实设备能满足产品要求 5原材料、人员、设备变更时是否对过程进行再次确认 6请试述所在部门流程 7订单是怎样接受(生产通知单)8物控依据什么做生产安排依据(生产排程、车间负荷)9超领怎样作业 10报废怎样作业 11跟催生产进度依据是什么(生产排程 出货排程 12生产所需物料、工夹具有无安排领取或自做 制 表:审 核:核准:表格编号:QR-55 统益塑胶有限公司 检 查 表 NO:12 日 期:_ 受审部门:纸板/纸箱 检查文件编号:要 素 检查内容 具体检查方法 YES/NG 备注 13生产使用的工艺文件、资料、产品样版是否齐全 是否采用适当方法防止产品混淆、混用 标识和可 2产品标识和状态标识责任人 追溯性 3原材料、半成品、成品的产品标识怎样进行标示 4原材料、半成品、成品状态标示是怎样标示进行 5怎样进行追溯,追溯是否有效 是否有对生产物料进行核算 产品防护 2产品标识是否符合要求,危险品是否有标示 1仪器是否指定专人使用 监视和测量 2所有监视和测量设备是否均由工程部查收 装置控制 3所有量具是否有表示量具准确性和状态的标识 过程监视和测量的范围有哪些 过程监视 2未满足要求是否采取纠正措施 和测量 3对于产品实现过程采取什么方法进行监控记录 制 表:审 核:核准:表格编号:QR-55 统益塑胶有限公司 检 查 表 NO:13 日 期:_ 受审部门:纸板/纸箱 检查文件编号:要 素 检查内容 具体检查方法 YES/NG 备注 1 有无不合格品控制程序 不 合 格品控制 2 首检不合格品如何控制 制 表:审 核:核准:表格编号 QR-55 统益塑胶有限公司 检 查 表 NO:14 日 期:_ 受审部门:业务 检查文件编号:要 素 检查内容 具体检查方法 YES/NG 备注 记录标识、表格形式、编号方式有无统一 记录控制 2 质量体系相关表单有无管制 3记录填写是否按要求(真实、及时、清晰、正确)4 是否对记录的内容进行分析改进(如特采、退货等)5 所登记的记录是否予以明确控制 6 有无规定记录保存期限 7 记录形式是否符合体系运作过程 1为什么要以顾客为中心,这种理念如何体现 以顾客为 中心 2怎样去动员全员参与,调动积极性,实现顾客满意目标 3怎样知道顾客要求,如 果顾客有不满,怎样处理 4对产品安全、环境保护的法律法规要求的措施如何落实 5 顾客的要求如何被确定 制表:审核:表格编号:QR-55 统益塑胶有限公司 检 查 表 NO:15 日 期:_ 受审部门:业务 检查文件编号:要 素 检查内容 具体检查方法 YES/NG 备注 1 顾客要求是否确定和充分理解(性能、可靠性、样品、交付量、产品有关 交付期等)要求确定 2用途必要要求有哪些 3产品法律、法规要求是否清楚 4 附加要求是否形成文件 顾客要求的形式(口头、合同)如何接受、确定、评审 产品有2常规、非常规产品如何 关 评审 界定、如何评审、方式是否有效 3 顾客提出产品要求更改时是否进行重新评审,企业更改产品时是否得到客户认可 4产品要求更改时,是否有确定变更过程、更改文件及传递,对已实现产品是否给顾客妥善解决 制 表:审 核:核准:表格编号:MF-QF-036(A/0 版)统益塑胶有限公司 检 查 表 NO:16 日 期:_ 受审部门:业务 检查文件编号:要 素 检查内容 具体检查方法 YES/NG 备注 5评审内容包括哪四个方面,重点是什么附加要求顾客是否接受 6合同改动有无重新评审 在什么时候与顾客进行沟通 2与顾客汹沟涌一些什么 3怎样与顾客沟通 订单是怎样接受(生产通知单)公司顾客财产有哪些有否进行识别和保护 2.样品使用、保管有否落实 有哪些获得顾客满意信息渠道有哪些方法进行满意度测量 顾客满意 2在顾客不满意问题点和关键因素上是否设置测量和监控点,并确定其方法 3有无顾客满意度控制流程,其职能部门相互关系怎样 制 表:审 核:核准:表格编号:MF-QF-036(A/0 版)统益塑胶有限公司 检 查 表 NO:17 日 期:_ 受审部门:业务 检查文件编号:要 素 检查内容 具体检查方法 YES/NG 备注 4 是否对顾客投诉重点有跟踪改善、纠正预防措施 5.对顾客满意度未达标是否要求 特殊放行是否有得到授权人员或顾客批准 制 表:审 核:核准:表格编号:MF-QF-036(A/0 版)统益塑胶有限公司 检 查 表 NO:18 日 期:_ 受审部门:货仓 检查文件编号:要 素 检查内容 具体检查方法 YES/NG 备注 记录标识、表格形式、编号方式有无统一 记录控制 2质量体系相关表单有无管制 3记录填写是否按要求(真实、及时、清晰、正确)4是否对记录的内容进行分析改进(如特采、退货 等)5所登记的记录是否予以明确控制 6有无规定记录保存期限 7记录形式是否符合体系运作过程 是否采用适当方法防止产品混淆、混用 标识和可 2产品标识和状态标识责任人 追溯性 3原材料、半成品、成品的产品标识怎样进行标示 4怎样进行追溯,追溯是否有效 公司顾客财产有哪些有否进行识别和保护 顾客财产 2当发现顾客提供原材料不良时,怎样进行处理 制 表:审 核:核准:表格编号:MF-QF-036(A/0 版)统益塑胶有限公司 检 查 表 NO:19 日 期:_ 受审部门:货仓 检查文件编号:要 素 检查内容 具体检查方YES/NG 备注 法 3 仓库怎样对公司顾客财产进行管理(标识、建账、保管)运输工具负荷有无标识 产品防护 2 是否有对生产物料进行核算 3产品标识是否符合要求,危险品是否有标示 1 有无不合格品控制程序 不合格品控制 2 进料不合格品如何控制 制 表:审 核:核准:表格编号:MF-QF-036(A/0 版)统益塑胶有限公司 检 查 表 NO:20 日 期:_ 受审部门:物控 检查文件编号:要 素 检查内容 具体检查方法 YES/NG 备注 记录标识、表格形式、编号方式有无统一 记录控制 2质量体系相关表单有无管制 3记录填写是否按要求(真实、及时、清晰、正确)4是否对记录的内容进行分析改进(如特采、退货等)5所登记的记录是否予以明确控制 6有无规定记录保存期限 7记录形式是否符合体系运作过程 简述采购流程(原材料)2有否对同类型供应商进行评价、选择、有无评定及选择标准 3有无合格供应商名单并经批准 4物控部根据什么来核对供应商交货状况 5怎样才算一份有效采购单 6对从生产线上退回来的原材料应该怎样处理 7外发加工流程图是怎样 制 表:审 核:核准:表格编号:MF-QF-036(A/0 版)统益塑胶有限公司 检 查 表 NO:21 日 期:_ 受审部门:物控 检查文件编号:要 素 检查内容 具体检查方法 YES/NG 备注 8 当交期交量变理时怎样处理(变更单)9有无对供应商进行级、删减,是怎样做,做得怎样 10 有无对供应商进行评审,目前公司合格供应商是怎样确定的 订单是怎样接受(生产通知单)过程确认 2 物控依据什么做生产安排依据(生产排程、车间负荷)3超领怎样作业 4原材料、人员、设备变更时是否对过程进行再次确认 5请试述所在部门流程 6 跟催生产进度依据是什么(生产排程 出货排程 7生产所需物料、工夹具有无安排领取或自做 8生产使用的工艺文件、资料、产品样版是否齐全 公司顾客财产有哪些有否进行识别和保护 顾客财产 2.当发现顾客提供原材料不良时,怎样进行处理 制 表:审 核:核准:表格编号:MF-QF-036(A/0 版)统益塑胶有限公司 检 查 表 NO:22 日 期:_ 受审部门:物控 检查文件编号:要 素 检查内容 具体检查方法 YES/NG 备注 1 有无不合格品控制程序 不合格品控制 2 进料不合格品如何控制 制 表:审 核:核准:表格编号:MF-QF-036(A/0 版)统益塑胶有限公司 检 查 表 NO:23 日 期:_ 受审部门:品管部 检查文件编号:要 素 检查内容 检查记录 YES/NG 备注 记录标识、表格形式、编号方式有无统一 记录控制 2质量体系相关表单有无管制 3记录填写是否按要求(真实、及时、清晰、正确)4是否对记录的内容进行分析改进(如特采、退货等)5所登记的记录是否予以明确控制 6有无规定记录保存期限 7记录形式是否符合体系运作过程 1产品质量的特性、目标要求是否清楚,在哪些文件中有体现 产品实现 2有无工艺流程,哪些过程需要验证 策划 3验证、检验、活动是否明确要求,接收准则是否清楚 4产品实现过程有无策划(有 无流程)产品验证方式有无规定 采购产品 2试说流程 验证 3检验 OK 后怎样处理进料日报 制 表:审 核:核准:表格编号:MF-QF-036(A/0 版)统益塑胶有限公司 检 查 表 NO:24 日 期:_ 受审部门:品管 检查文件编号:要 素 检查内容 具体检查方法 YES/NG 备注 4不合格品怎样处理(品质异常处理单)5怎样进行特采 6有无标示区分原物料状态 有无建立生产过程失控改善措施怎样应付不合格品的产出 生产流程 2.工序更改有无经过评审 3.怎样保证重要工序是按质量计划实施怎样去重 点控制电镀、铣槽、倒角等 产品标识和状态标识责任人 标识和可追溯 2.原材料、半成品、成品状态标示是怎样进行的 当发现顾客提供原材料不良时,怎样进行处理 顾客财产 2.样品使用、保管有无落实 1.测量装置的精度是否有控制 监视和测量 2.仪器是否指定专人使用 制 表:审 核:核准:表格编号:MF-QF-036(A/0 版)统益塑胶有限公司 检 查 表 NO:25 日 期:_ 受审部门:品管 检查文件编号:要 素 检查内容 具体检查方法 YES/NG 备注 3仪器有无校验,有无超过校验周期,有无合格标示 4 所有监视和测量设备是 否均由工程部查收 5有无规定仪器检验周期,内检仪器有无记录表 6外检仪器是否记录,外检仪器是否有检定中心确认的认可证书 7 所有量具是否有表示量具准确性和状态的标识 8 不存在国际或国家标准时,是否制定校准和验证文件 9.有无申请报废监视和测量设备的规范 过程监视和测量的范围有哪些 过程监视 2 未满足要求是否采取纠正措施 和测量 3 对于产品实现过程采取什么方法进行监控记录 监视和测量是否为产品特性 产品监测 2 是否有证明产品符合标准和证据存在 制 表:审 核:核准:表格编号:MF-QF-036(A/0 版)统益塑胶有限公司 检 查 表 NO:26 日 期:_ 受审部门:品管部 检查文件编号:要 素 检查内容 具体检查方法 YES/NG 备注 3 放行产品人员是否经过考核后授权 4 产品监测记录是否符合要求 5 特殊放行是否得到授权人员或顾客批准 1 有无不合格品控制程序 不合格品 2 进料不合格品如何控制 控制 3 首检不合格品如何控制 4 巡回检验不合格品怎样控制 制 表:审 核:核准:表格编号:MF-QF-036(A/0 版)统益塑胶有限公司 检 查 表 NO:27 日 期:_ 受审部门:机修 检查文件编号:要 素 检查内容 具体检查方法 YES/NG 备注 记录标识、表格形式、编号方式有无统一 记录控制 2 质量体系相关表单有无管制 3记录填写是否按要求(真实、及时、清晰、正确)4 是否对记录的内容进行分析改进(如特采、退货等)5 所登记的记录是否予以明确控制 6 有无规定记录保存期限 7 记录形式是否符合体系运作过程 1设备管理有无流程图 设施 2设备有无编号登记(资料),有无设备登记一览表 3 设备验收时附件及说明有无存档 4 设备验收时功能测试有否记录 5设备上有无设备卡 6 设备上是否挂作业指导书作业员是否按指导书作业 制 表:审 核:核准:表格编号:MF-QF-036(A/0 版)统益塑胶有限公司 检 查 表 NO:28 日 期:_ 受审部门:机修 检查文件编号:要 素 检查内容 具体检查方法 YES/NG 备注 7 设备是否定期保养有否记录 8 各指定人员有否对机器进行日常点检并记录 9设备不能正常运转时,不否挂牌标示 10设备报废有无按作业运作新设备有无登记注册 11设备维修是否有记录 12生产所有工夹具是否有效管理 1产品质量的特性、目标要求是否清楚,在哪些文件中有体现 产品实现 2有无工艺流程,哪些过程需要验证 策划 3验证、检验、活动是否明确要求,接收准则是否清楚 4产品实现过程有无策划(有无流程)工序更改有无经过评审 生产流程 2.怎样保证重要工序是按质量计划实施怎样去重点控制 电镀、铣槽、倒角等 制 表:审 核:核准:表格编号:MF-QF-036(A/0 版)统益塑胶有限公司 检 查 表 NO:29 日 期:_ 受审部门:机修 检查文件编号:要 素 检查内容 具体检查方法 YES/NG 备注 1 测量装置的精度是否有控制 监视和测量 2 仪器是否指定专人使用 3 所有监视和测量设备是否均由工程部查收 4 不存在国际或国家标准时,是否制定校准和验证文件 5 有无申请报废监视和测量设备的规范 监视和测量是否为产品特性 产品监测 2 是否有证明产品符合标准和证据存在 制 表:审 核:核准 格编号:MF-QF-036(A/0 版)。

下载提示
相关文档
正为您匹配相似的精品文档