文档详情

人工挖孔灌注桩一桩一表

回****
实名认证
店铺
DOC
4.19MB
约80页
文档ID:133936691
人工挖孔灌注桩一桩一表_第1页
1/80

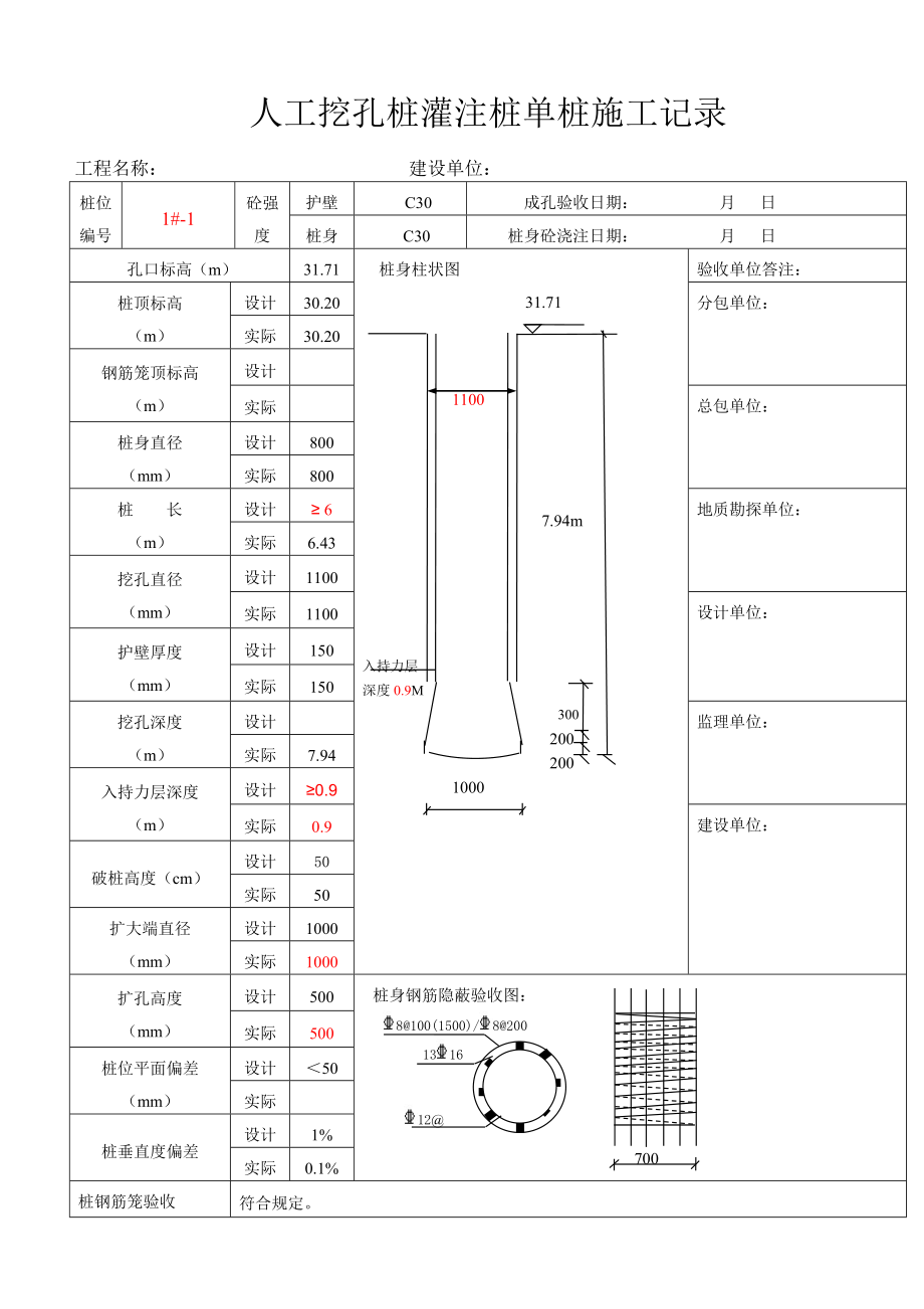
人工挖孔桩灌注桩单桩施工记录 工程名称: 建设单位:桩位编号1#-1砼强度护壁 C30 成孔验收日期: 月 日桩身C30桩身砼浇注日期: 月 日孔口标高(m)31.71桩身柱状图 31.71 1100 7.94m入持力层深度0.9M 300 200 200 1000 验收单位答注:桩顶标高(m)设计30.20分包单位:实际30.20钢筋笼顶标高(m)设计实际总包单位:桩身直径(mm)设计800实际800桩 长(m)设计≥ 6地质勘探单位:实际6.43挖孔直径(mm)设计1100实际1100设计单位:护壁厚度(mm)设计150实际150挖孔深度(m)设计监理单位:实际7.94入持力层深度(m)设计≥0.9实际0.9建设单位:破桩高度(cm)设计50实际50扩大端直径(mm)设计1000实际1000扩孔高度(mm)设计500 8@100(1500)/8@200桩身钢筋隐蔽验收图: 1316 12@ 700实际500桩位平面偏差(mm)设计<50实际桩垂直度偏差设计1%实际0.1%桩钢筋笼验收符合规定。

人工挖孔桩灌注桩单桩施工记录 工程名称: 建设单位:桩位编号1#-2砼强度护壁 C30 成孔验收日期: 月 日桩身C30桩身砼浇注日期: 月 日孔口标高(m)31.78桩身柱状图 31.78 1100 7.93m入持力层深度0.9M 300 200 200 1000 验收单位答注:桩顶标高(m)设计30.20分包单位:实际30.20钢筋笼顶标高(m)设计实际总包单位:桩身直径(mm)设计800实际800桩 长(m)设计≥ 6地质勘探单位:实际6.35挖孔直径(mm)设计1100实际1100设计单位:护壁厚度(mm)设计150实际150挖孔深度(m)设计监理单位:实际7.93入持力层深度(m)设计≥0.9实际0.9建设单位:破桩高度(cm)设计50实际50扩大端直径(mm)设计1000实际1000扩孔高度(mm)设计500 8@100(1500)/8@200桩身钢筋隐蔽验收图: 1316 12@ 700实际500桩位平面偏差(mm)设计<50实际桩垂直度偏差设计0.5%实际0.2%桩钢筋笼验收符合规定。

人工挖孔桩灌注桩单桩施工记录 工程名称: 建设单位:桩位编号1#-3砼强度护壁 C30 成孔验收日期: 月 日桩身C30桩身砼浇注日期: 月 日孔口标高(m)31.74桩身柱状图 31.74 1100 10.18m入持力层深度0.9M 300 200 200 1000 验收单位答注:桩顶标高(m)设计30.20分包单位:实际30.20钢筋笼顶标高(m)设计实际总包单位:桩身直径(mm)设计800实际800桩 长(m)设计≥ 6地质勘探单位:实际8.64挖孔直径(mm)设计1100实际1100设计单位:护壁厚度(mm)设计150实际150挖孔深度(m)设计监理单位:实际10.18入持力层深度(m)设计≥0.9实际0.9建设单位:破桩高度(cm)设计50实际50扩大端直径(mm)设计1000实际1000扩孔高度(mm)设计500 8@100(1500)/8@200桩身钢筋隐蔽验收图: 1316 12@ 700实际500桩位平面偏差(mm)设计<50实际桩垂直度偏差设计0.5%实际0.15%桩钢筋笼验收符合规定。

人工挖孔桩灌注桩单桩施工记录 工程名称: 建设单位:桩位编号1#-4砼强度护壁 C30 成孔验收日期: 月 日桩身C30桩身砼浇注日期: 月 日孔口标高(m)31.82桩身柱状图 31.82 1100 10.11m入持力层深度0.9M 300 200 200 1000 验收单位答注:桩顶标高(m)设计30.20分包单位:实际30.20钢筋笼顶标高(m)设计实际总包单位:桩身直径(mm)设计800实际800桩 长(m)设计≥ 6地质勘探单位:实际8.49挖孔直径(mm)设计1100实际1100设计单位:护壁厚度(mm)设计150实际150挖孔深度(m)设计监理单位:实际10.11入持力层深度(m)设计≥0.9实际0.9建设单位:破桩高度(cm)设计50实际50扩大端直径(mm)设计1000实际1000扩孔高度(mm)设计500 8@100(1500)/8@200桩身钢筋隐蔽验收图: 1316 12@ 700实际500桩位平面偏差(mm)设计<50实际桩垂直度偏差设计0.5%实际0.1%桩钢筋笼验收符合规定。

人工挖孔桩灌注桩单桩施工记录 工程名称: 建设单位:桩位编号1#-5砼强度护壁 C30 成孔验收日期: 月 日桩身C30桩身砼浇注日期: 月 日孔口标高(m)31.96桩身柱状图 31.96 1100 10.68m入持力层深度0.9M 300 200 200 1000 验收单位答注:桩顶标高(m)设计30.20分包单位:实际30.20钢筋笼顶标高(m)设计实际总包单位:桩身直径(mm)设计800实际800桩 长(m)设计≥ 6地质勘探单位:实际8.92挖孔直径(mm)设计1100实际1100设计单位:护壁厚度(mm)设计150实际150挖孔深度(m)设计监理单位:实际10.68入持力层深度(m)设计≥0.9实际0.9建设单位:破桩高度(cm)设计50实际50扩大端直径(mm)设计1000实际1000扩孔高度(mm)设计500 8@100(1500)/8@200桩身钢筋隐蔽验收图: 1316 12@ 700实际500桩位平面偏差(mm)设计<50实际桩垂直度偏差设计0.5%实际0.2%桩钢筋笼验收符合规定。

人工挖孔桩灌注桩单桩施工记录 工程名称: 建设单位:桩位编号1#-6砼强度护壁 C30 成孔验收日期: 月 日桩身C30桩身砼浇注日期: 月 日孔口标高(m)32.01桩身柱状图 32.01 1100 11.3m入持力层深度0.9M 300 200 200 1000 验收单位答注:桩顶标高(m)设计30.20分包单位:实际30.20钢筋笼顶标高(m)设计实际总包单位:桩身直径(mm)设计800实际800桩 长(m)设计≥ 6地质勘探单位:实际9.49挖孔直径(mm)设计1100实际1100设计单位:护壁厚度(mm)设计150实际150挖孔深度(m)设计监理单位:实际11.3入持力层深度(m)设计≥0.9实际0.9建设单位:破桩高度(cm)设计50实际50扩大端直径(mm)设计1000实际1000扩孔高度(mm)设计500 8@100(1500)/8@200桩身钢筋隐蔽验收图: 1316 12@ 700实际500桩位平面偏差(mm)设计<50实际桩垂直度偏差设计0.5%实际0.1%桩钢筋笼验收符合规定。

人工挖孔桩灌注桩单桩施工记录 工程名称: 建设单位:桩位编号1#-7砼强度护壁 C30 成孔验收日期: 月 日桩身C30桩身砼浇注日期: 月 日孔口标高(m)31.79桩身柱状图 31.79 1100 10.56m入持力层深度0.9M 300 200 200 1000 验收单位答注:桩顶标高(m)设计30.20分包单位:实际30.20钢筋笼顶标高(m)设计实际总包单位:桩身直径(mm)设计800实际800桩 长(m)设计≥ 6地质勘探单位:实际8.97挖孔直径(mm)设计1100实际1100设计单位:护壁厚度(mm)设计150实际150挖孔深度(m)设计监理单位:实际10.56入持力层深度(m)设计≥0.9实际0.9建设单位:破桩高度(cm)设计50实际50扩大端直径(mm)设计1000实际1000扩孔高度(mm)设计500 8@100(1500)/8@200桩身钢筋隐蔽验收图: 1316 12@ 700实际500桩位平面偏差(mm)设计<50实际桩垂直度偏差设计0.5%实际0.1%桩钢筋笼验收符合规定。

人工挖孔桩灌注桩单桩施工记录 工程名称: 建设单位:桩位编号1#-8砼强度护壁 C30 成孔验收日期: 月 日桩身C30桩身砼浇注日期: 月 日孔口标高(m)31.73桩身柱状图 31.73 1100 8.51m入持力层深度0.9M 300 200 200 1000 验收单位答注:桩顶标高(m)设计30.20分包单位:实际30.20钢筋笼顶标高(m)设计实际总包单位:桩身直径(mm)设计800实际800桩 长(m)设计≥ 6地质勘探单位:实际6.98挖孔直径(mm)设计1100实际1100设计单位:护壁厚度(mm)设计150实际150挖孔深度(m)设计监理单位:实际8.51入持力层深度(m)设计≥0.9实际0.9建设单位:破桩高度(cm)设计50实际50扩大端直径(mm)设计1000实际1000扩孔高度(mm)设计500 8@100(1500)/8@200桩身钢筋隐蔽验收图: 1316 12@ 700实际500桩位平面偏差(mm)设计<50实际桩垂直度偏差设计0.5%实际0.1%桩钢筋笼验收符合规定。

人工挖孔桩灌注桩单桩施工记录 工程名称: 建设单位:桩位编号1#-9砼强度护壁 C30 成孔验收日期: 月 日桩身C30桩身砼浇注日期: 月 日孔口标高(m)31.71桩身柱状图 31.71 1100 12.21m入持力层深度1.0M 600 200 200 1200 验收单位答注:桩顶标高(m)设计30.20分包单位:实际30.20钢筋笼顶标高(m)设计实际总包单位:桩身直径(mm)设计800实际800桩 长(m)设计≥ 6地质勘探单位:实际10.7挖孔直径(mm)设计1100实际1100设计单位:护壁厚度(mm)设计150实际150挖孔深度(m)设计监理单位:实际12.21入持力层深度(m)设计≥0.9实际1.0建设单位:破桩高度(cm)设计50实际50扩大端直径(mm)设计1200实际1200扩孔高度(mm)设计800 8@100(1500)/8@200桩身钢筋隐蔽验收图: 1316 12@ 700实际800桩位平面偏差(mm)设计<50实际桩垂直度偏差设计0.5%实际0.1%桩钢筋笼验收符合规定。

人工挖孔桩灌注桩单桩施工记录 工程名称: 建设单位:桩位编号1#-10砼强度护壁 C30 成孔验收日期: 月 日桩身C30桩身砼浇注日期: 月 日孔口标高(m)31.71桩身柱状图 31.71 1100 10.36m入持力层深度0.9M 300 200 200 1000 验收单位答注:桩顶标高(m)设计30.20分包单位:实际30.20钢筋笼顶标高(m)设计实际总包单位:桩身直径(mm)设计800实际800桩 长(m)设计≥ 6地质勘探单位:实际8.85挖孔直径(mm)设计1100实际1100设计单位:护壁厚度(mm)设计150实际150挖孔深度(m)设计监理单位:实际10.36入持力层深度(m)设计≥0.9实际0.9建设单位:破桩高度(cm)设计50实际50扩大端直径(mm)设计1000实际1000扩孔高度(mm)设计500 8@100(1500)/8@200桩身钢筋隐蔽验收图: 1316 12@ 700实际500桩位平面偏差(mm)设计<50实际桩垂直度偏差设计0.5%实际0.2%桩钢筋笼验收符合规定。

人工挖孔桩灌注桩单桩施工记录 工程名称: 建设单位:桩位编号1#-11砼强度护壁 C30 成孔验收日期: 月 日桩身C30桩身砼浇注日期: 月 日孔口标高(m)31.82桩身柱状图 31.82 1100 11.11m入持力层深度0.9M 300 200 200 1000 验收单位答注:桩顶标高(m)设计30.20分包单位:实际30.20钢筋笼顶标高(m)设计实际总包单位:桩身直径(mm)设计800实际800桩 长(m)设计≥ 6地质勘探单位:实际9.49挖孔直径(mm)设计1100实际1100设计单位:护壁厚度(mm)设计150实际150挖孔深度(m)设计监理单位:实际11.11入持力层深度(m)设计≥0.9实际0.9建设单位:破桩高度(cm)设计50实际50扩大端直径(mm)设计1000实际1000扩孔高度(mm)设计500 8@100(1500)/8@200桩身钢筋隐蔽验收图: 1316 12@ 700实际500桩位平面偏差(mm)设计<50实际桩垂直度偏差设计0.5%实际0.1%桩钢筋笼验收符合规定。

人工挖孔桩灌注桩单桩施工记录 工程名称: 建设单位:桩位编号1#-12砼强度护壁 C30 成孔验收日期: 月 日桩身C30桩身砼浇注日期: 月 日孔口标高(m)31.76桩身柱状图 31.76 1100 10.74m入持力层深度0.9M 300 200 200 1000 验收单位答注:桩顶标高(m)设计30.20分包单位:实际30.20钢筋笼顶标高(m)设计实际总包单位:桩身直径(mm)设计800实际800桩 长(m)设计≥ 6地质勘探单位:实际9.18挖孔直径(mm)设计1100实际1100设计单位:护壁厚度(mm)设计150实际150挖孔深度(m)设计监理单位:实际10.74入持力层深度(m)设计≥0.9实际0.9建设单位:破桩高度(cm)设计50实际50扩大端直径(mm)设计1000实际1000扩孔高度(mm)设计500 8@100(1500)/8@200桩身钢筋隐蔽验收图: 1316 12@ 700实际500桩位平面偏差(mm)设计<50实际桩垂直度偏差设计0.5%实际0.1%桩钢筋笼验收符合规定。

人工挖孔桩灌注桩单桩施工记录 工程名称: 建设单位:桩位编号1#-13砼强度护壁 C30 成孔验收日期: 月 日桩身C30桩身砼浇注日期: 月 日孔口标高(m)31.83桩身柱状图 31.83 1100 10.91m入持力层深度0.9M 300 200 200 1000 验收单位答注:桩顶标高(m)设计30.20分包单位:实际30.20钢筋笼顶标高(m)设计实际总包单位:桩身直径(mm)设计800实际800桩 长(m)设计≥ 6地质勘探单位:实际9.28挖孔直径(mm)设计1100实际1100设计单位:护壁厚度(mm)设计150实际150挖孔深度(m)设计监理单位:实际10.91入持力层深度(m)设计≥0.9实际0.9建设单位:破桩高度(cm)设计50实际50扩大端直径(mm)设计1000实际1000扩孔高度(mm)设计500 8@100(1500)/8@200桩身钢筋隐蔽验收图: 1316 12@ 700实际500桩位平面偏差(mm)设计<50实际桩垂直度偏差设计0.5%实际0.1%桩钢筋笼验收符合规定。

人工挖孔桩灌注桩单桩施工记录 工程名称: 建设单位:桩位编号1#-14砼强度护壁 C30 成孔验收日期: 月 日桩身C30桩身砼浇注日期: 月 日孔口标高(m)31.57桩身柱状图 31.57 1100 10.16m入持力层深度1.0M 600 200 200 1200 验收单位答注:桩顶标高(m)设计30.20分包单位:实际30.20钢筋笼顶标高(m)设计实际总包单位:桩身直径(mm)设计800实际800桩 长(m)设计≥ 6地质勘探单位:实际8.79挖孔直径(mm)设计1100实际1100设计单位:护壁厚度(mm)设计150实际150挖孔深度(m)设计监理单位:实际10.16入持力层深度(m)设计≥0.9实际1.0建设单位:破桩高度(cm)设计50实际50扩大端直径(mm)设计1200实际1200扩孔高度(mm)设计800 8@100(1500)/8@200桩身钢筋隐蔽验收图: 1316 12@ 700实际800桩位平面偏差(mm)设计<50实际桩垂直度偏差设计0.5%实际0.3%桩钢筋笼验收符合规定。

人工挖孔桩灌注桩单桩施工记录 工程名称: 建设单位:桩位编号1#-15砼强度护壁 C30 成孔验收日期: 月 日桩身C30桩身砼浇注日期: 月 日孔口标高(m)31.49桩身柱状图 31.49 1100 10.54m入持力层深度1.0M 600 200 200 1200 验收单位答注:桩顶标高(m)设计30.20分包单位:实际30.20钢筋笼顶标高(m)设计实际总包单位:桩身直径(mm)设计800实际800桩 长(m)设计≥ 6地质勘探单位:实际9.25挖孔直径(mm)设计1100实际1100设计单位:护壁厚度(mm)设计150实际150挖孔深度(m)设计监理单位:实际10.54入持力层深度(m)设计≥0.9实际1.0建设单位:破桩高度(cm)设计50实际50扩大端直径(mm)设计1200实际1200扩孔高度(mm)设计800 8@100(1500)/8@200桩身钢筋隐蔽验收图: 1316 12@ 700实际800桩位平面偏差(mm)设计<50实际桩垂直度偏差设计0.5%实际0.2%桩钢筋笼验收符合规定。

人工挖孔桩灌注桩单桩施工记录 工程名称: 建设单位:桩位编号1#-16砼强度护壁 C30 成孔验收日期: 月 日桩身C30桩身砼浇注日期: 月 日孔口标高(m)31.88桩身柱状图 31.88 1100 10.56m入持力层深度0.9M 300 200 200 1000 验收单位答注:桩顶标高(m)设计30.20分包单位:实际30.20钢筋笼顶标高(m)设计实际总包单位:桩身直径(mm)设计800实际800桩 长(m)设计≥ 6地质勘探单位:实际8.88挖孔直径(mm)设计1100实际1100设计单位:护壁厚度(mm)设计150实际150挖孔深度(m)设计监理单位:实际10.56入持力层深度(m)设计≥0.9实际0.9建设单位:破桩高度(cm)设计50实际50扩大端直径(mm)设计1000实际1000扩孔高度(mm)设计500 8@100(1500)/8@200桩身钢筋隐蔽验收图: 1316 12@ 700实际500桩位平面偏差(mm)设计<50实际桩垂直度偏差设计0.5%实际0.1%桩钢筋笼验收符合规定。

人工挖孔桩灌注桩单桩施工记录 工程名称: 建设单位:桩位编号1#-17砼强度护壁 C30 成孔验收日期: 月 日桩身C30桩身砼浇注日期: 月 日孔口标高(m)31.52桩身柱状图 31.52 1100 10.26m入持力层深度0.9M 300 200 200 1000 验收单位答注:桩顶标高(m)设计30.20分包单位:实际30.20钢筋笼顶标高(m)设计实际总包单位:桩身直径(mm)设计800实际800桩 长(m)设计≥ 6地质勘探单位:实际8.94挖孔直径(mm)设计1100实际1100设计单位:护壁厚度(mm)设计150实际150挖孔深度(m)设计监理单位:实际10.26入持力层深度(m)设计≥0.9实际0.9建设单位:破桩高度(cm)设计50实际50扩大端直径(mm)设计1000实际1000扩孔高度(mm)设计500 8@100(1500)/8@200桩身钢筋隐蔽验收图: 1316 12@ 700实际500桩位平面偏差(mm)设计<50实际桩垂直度偏差设计0.5%实际0.1%。

下载提示
相关文档
正为您匹配相似的精品文档