文档详情

山东高层青年公寓项目模板施工方案

1888****888
实名认证
店铺
DOC
483.50KB
约20页
文档ID:39152312
山东高层青年公寓项目模板施工方案_第1页
1/20

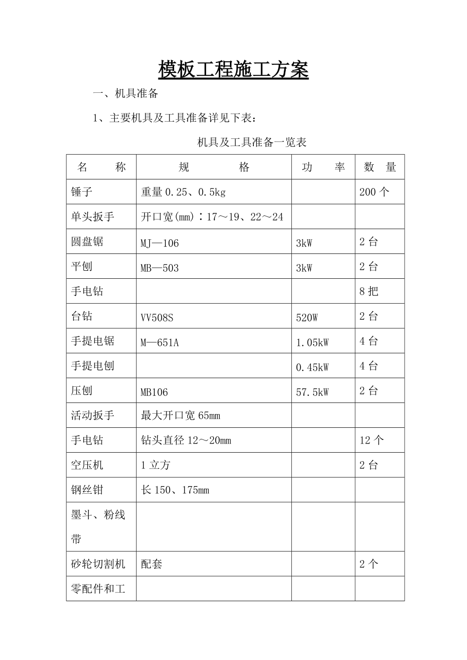
模板工程施工方案一、机具准备1、主要机具及工具准备详见下表: 机具及工具准备一览表名 称规 格功 率数 量锤子重量0.25、0.5kg200个单头扳手开口宽(mm)∶17~19、22~24圆盘锯MJ—106 3kW2台平刨MB—503 3kW 2台手电钻8把台钻VV508S 520W 2台手提电锯M—651A 1.05kW 4台手提电刨0.45kW 4台压刨MB106 57.5kW 2台活动扳手最大开口宽65mm手电钻钻头直径12~20mm12个空压机1立方2台钢丝钳长150、175mm墨斗、粉线带砂轮切割机配套2个零配件和工具箱水准仪DZS3—1/AL3322台激光垂准仪DZJ—3 1台水平尺长450、500、550mm钢卷尺50m/30m/5m直尺2~3m工程检测尺2m塞规一般2、材料准备顶板、梁、地下部分墙体、方柱模板材料选用覆膜多层板17mm厚,模板周转次数为5次,支撑采用碗扣式满堂架,隔离剂选用油性隔离剂根据所需材料提前考察、选用相关材料厂家二、主要施工方法及措施(一)模板及支撑配置数量地下2层~地下1层顶板,模板面积约为9900m2,首层~2层顶板模板面积约为25000m2,A座3层~23层顶板面积约为20482m2、B座3层~17层顶板面积约为630 m2、C座3层~17层顶板面积约为583m2、综合考虑多层板周转次数5次,水平结构为保证混凝土达到拆模强度,需配地下2层~地下1层顶板的模板。

0.000以下的墙体考虑多层板周转次数3次,所以配1层一半的模板柱子模板考虑5层更新一次面板梁只配0.000以下部分地上部分梁、楼梯采用地下剩下的顶板模板进行组装考虑到顶板回顶,配3层支撑体系施工中,模板及脚手架施工所用材料计划见下表 模板施工材料计划表序号名称规格单位数量使用部位备注1多层板17mmm2210002木方58m34003立杆2m根30003.5m根30004.5m根5000横杆0.5-1m根15001-2m根40004螺旋顶700mm 个50005穿墙螺杆φ12750根8500外墙350φ12800根240外墙4006柱子加固螺杆φ141000根6660柱子600600φ141100根420柱子700700φ141200根1300柱子:800800φ141400根180柱子:1000600φ141600根240柱子:12006006钉子50kg700每层70kg60每层7胶水40桶5每层8小白线kg80每层外脚手架施工材料计划表序号材料名称规格单位数量备注1架管6m根33002架管4.5m根50003架管3.5~4m根20004架管2.5~3m根22005架管1.5~2m根40006架管1.0m以下根8007扣件个130008脚手板5cmm330隔离剂选用大钢模板的隔离剂选用油性隔离剂,即机油和柴油按1∶3比例调匀。

三)模板设计1、墙模板:墙模采用1.222.44m, 15mm厚多层板面板,5080mm方木作竖楞(方木均经压刨找平),0.000以下外剪力墙采用φ12mm@450mm对拉止水螺栓(为防水不再抽出)和钢管斜支撑加固0.000以上剪力墙采用φ14mm@500mm对拉螺栓(套20㎜PVC管可抽出重复使用)和钢管斜支撑加固直段墙模板内竖楞5080mm方木间距200mm,外横楞用2φ483~5.5mm架子管间距500mm布置,与“3”型扣件配套使用,在其上、中、下部各加一排φ483.5mm钢管斜撑,间距500mm,上下排交错布置,斜撑将力传至预埋在底板φ25锚筋上详见下图模板拼接处用胶带粘贴严密为了保证整体墙模刚度和稳定性,另沿高度方向设三~四道抛地斜撑,从而形成了整套的墙体模板体系2、柱模板:柱模板采用15mm厚多层板制作整体模板,竖楞采用5080mm方木,方木均经压刨找平,每20cm一道柱箍采用φ483.5mm架子管锁紧,每400mm一道,最底一层距地面300mm其板块与板块竖向接缝处理,做成企口式拼接,然后加柱箍、支撑体系将柱固定支撑采用φ483.5mm架子管刚性支撑详见下图3、梁模板:直梁的底模与侧模均采用15 mm厚多层板,主龙骨采用50100mm@500mm单面刨光方木,次龙骨选用50100mm@200mm双面刨光方木。

梁侧模、梁底模按图纸尺寸进行现场加工,由塔吊或吊车运至作业面组合拼装然后加横楞并利用支撑体系将梁两侧夹紧,在梁h/2处加M16穿墙螺栓@500梁节点详见下图图②梁模板及支撑详见附图,梁、柱模板节点处理详见下图图柱接头节点剖面图图梁、柱接头节点平面图 4、顶板模板:顶板模板采用15mm厚度多层板主龙骨采用5080mm@300mm双面刨光方木,次龙骨选用5080mm@200mm双面刨光方木为保证顶板的整体混凝土成型效果,将整个顶板的多层板按同一顺序、同一方向对缝平铺,必须保证接缝处下方有龙骨,且拼缝严密,表面无错台现象若与柱相交,则不刻意躲开柱头,只在该处将多层板锯开与柱尺寸相应洞口,下垫方木作为柱头的龙骨 5、楼梯模板:楼梯模板为多层板踏步侧板两端钉在梯段侧板木档上,靠墙的一端钉在反三角木上,踏步板龙骨采用50mm厚方木制作时在梯段侧板内划出踏步形状与尺寸,并在踏步高度线一侧留出踏步侧板厚度定上木档6、特殊模板:(1)门窗洞口模板:采用50mm厚的木板定型窗模,其角用定型角钢固定,并用螺栓拉牢,详见下图侧面用铁钉将多层板固定在木板上,木螺丝要凹进多层板表面上、下用边梁加内控式定位筋分左、中、右三道支撑定位,左右两侧与暗柱内控式定位筋分上、中、下固定。

(2)后浇带、施工缝模板筏板后浇带模板为便于施工采用1010mm钢丝网两层做为侧模墙体后浇带模板采用面板多层板,次龙骨5050mm三道方木三道,次龙骨平行于墙体,主龙骨5050mm短方木间距1000mm布置,中间由方木支撑,详见下图墙体后浇带模板 顶板后浇带、施工缝处模板采用多层板,多层板紧靠钢筋上、下两侧,此处多层板厚度同钢筋保护层,详见下图顶板后浇带、板施工缝模板(3)板变厚度线模板:板变厚度线模板结点,详见下图板变厚度线模板支立(4)积水坑电梯井道模板:积水坑电梯井道模板节点,详见下图 集水、电梯坑模板支立(四)顶板、梁及支撑体系:1、梁、顶板支撑系统为扣件式满堂红脚手架,立杆间距为1000mm,水平竿间距为1000mm,本工程梁底、梁侧模均采用15mm厚多层板,侧模、底模用5080mm间距200mm方木作通长背楞,5080mm方木作梁底排木,间距600mm2、对于跨度≥4m梁,按全跨长度3‰进行梁底模起拱,起拱从支模开始时进行(通过U托调整底模各部位标高),而后将侧模和底模连成整体距梁端500mm处,在梁模上留设清扫口,待杂物清理干净后,将其堵严3、梁模加固完毕后,即可支设楼板模板。

楼板模板用15mm厚多层板,次楞用5080mm方木,间距200mm,主龙骨用5080mm方木,间距为600mm,支撑均采用可调节顶托五)模板加工及安装1、模板加工要求:柱、梁的模板加工必须满足截面尺寸,两对角线误差小于1mm,尺寸过大的模板需进行刨边,否则禁止使用次龙骨必须双面刨光,主龙骨至少要单面刨光翘曲、变形的方木不得作为龙骨使用模板表面平整度控制在1mm以内,拼缝小于1mm,模板必须具备足够的刚度、强度、尺寸2、模板加工管理:模板加工完毕后,必须经过项目经理部技术人员、质检人员验收合格后方可使用对于周转使用的多层板,如果有飞边、破损模板必须切掉破损部分,然后刷封边漆加以利用3、模板安装(1)模板安装的一般要求:竖向结构钢筋等隐蔽工程验收完毕、施工缝处理完毕后准备模板安装安装柱模前,要清除杂物,焊接或修整模板的定位预埋件,做好测量放线工作,抹好模板下的找平砂浆 (2) 积水坑、电梯井模板采用15mm厚多层板按坑大小加工成定型模板模板固定要牢固,并用钢丝绳将模板拉在底板钢筋上,防止浇筑混凝土时模板上浮3)墙体模板安装顺序及技术要点:1)模板安装顺序:模板定位、垂直度调整→模板加固→验收→混凝土浇筑→拆模。

2)技术要点:安装墙模前,要对墙体接茬处凿毛,用空压机清除墙体内的杂物,做好测量放线工作为防止墙体模板根部出现漏浆“烂根”现象,墙模安装前,在底板上根据放线尺寸贴海绵条,做到平整、准确、粘结牢固并注意穿墙螺栓的安装质量墙体模板支模均为双面支模,采用对拉螺栓固定,螺栓孔采用锥形堵头防止漏浆3)梁模板安装顺序及技术要点:1)模板安装顺序:搭设和调平模板支架(包括安装水平拉杆和剪力撑)→按标高铺梁底模板→拉线找直→绑扎梁钢筋→安装垫块→梁两侧模板→调整模板2)技术要点:按设计要求起拱(跨度大于4m时,起拱3‰),并注意梁的侧模包住底模,下面龙骨包住侧模4)楼板模板安装顺序及技术要点:1)模板安装顺序:“满堂红”脚手架→主龙骨→次龙骨→柱头模板龙骨→柱头模板、顶板模板→拼装→顶板内、外墙柱头模板龙骨→模板调整验收→进行下道工序2)技术要点:楼板模板当采用单块就位时,宜以每个铺设单元从四周先用阴角模板与墙、梁模板连接,然后向中央铺设按设计要求起拱(跨度大于4m时,起拱0.3%),起拱部位为中间起拱,四周不起拱5)柱模板安装顺序及技术要点:1)模板安装顺序:搭设脚手架→柱模就位安装→安装柱模→安设支撑→固定柱模→浇筑混凝土→拆除脚手架、模板→清理模板。

2)技术要点板块与板块竖向接缝处理,做成企口式拼接,然后加柱箍、支撑体系将柱固定六)模板的拆除1、墙柱模板拆除在混凝土强度达到1.2MPa能保证其表面棱角不因拆除模板而受损后方可拆除,拆除顺序为先纵墙后横墙在同条件养护试件混凝土强度达到1.0MPa后,先松动穿墙螺栓,再松开地脚螺栓使模板与墙体脱开脱模困难时,可用撬棍在模板底部撬动,严禁在上口撬动、晃动或用大锤砸模板,拆除下的模板及时清理模板及衬模上的残渣,在大钢模板面板边框刷好隔离剂且每次进行全面检查和维修做好模板检验批质量验收记录,保证使用质量2、门洞口模板拆除:松开洞口模板四角脱模器及与大模连接螺栓,撬棍从侧边撬动脱模,禁止从垂直面砸击洞口模板防止门洞过梁混凝土拉裂,拆出的模板及时修整所有洞口宽>1m时拆模后立即用钢管加顶托回撑3、顶板模板拆除:顶板模板拆除参考每层每段顶板混凝土同条件试件抗压强度试验报告,跨度均在2m以下,强度达到50%即可拆除,跨度大于8m的顶板当混凝土强度达到设计强度100%强度后方可拆除外,其余顶板、梁模板在混凝土强度达到设计强度的75%强度后方可拆除拆顶板模板时从房间一端开始,防止坠落人或物造成质量事故顶板模板拆除时注意保护顶板模板,不能硬撬模板接缝处,以防损坏多层板。

拆除的多层板、龙骨及碗扣架要码放整齐,并注意不要集中堆料拆掉的钉子要回收再利用,在作业面清理干净,以防扎脚伤人4、后浇带模板拆除:墙体、顶板模板拆模后,用撬棍从侧边撬动脱模,拆除下的模板及时清理模板残渣及画线剔凿后浇带处混凝土七)模板的维护及维修1、模板使用注意事项:吊装模板时轻起轻放,不准碰撞已安装好的模板和其他硬物;大模板吊运就位时要平稳、准确,不得兜挂钢筋严格控制拆模时间,拆模时按程序进行,禁止用大锤敲击或撬棍硬撬,以免损伤混凝土表面和棱角模板与墙面粘结时,禁止用塔吊吊拉模板,防止将墙面拉裂拆模时要注意对成品加以保护,严禁破坏2、多层板维修:覆膜多层板运输堆放防止雨淋水浸;覆膜多层板严禁与硬物碰撞、撬棍敲打、钢筋在上拖拉、振捣器振捣、任意抛掷等现象,以保证板面覆膜不受损坏;切割或钻孔后的模板侧边要涂刷,防止水浸后引起覆膜多层板起层和变形;覆膜多层板模板使用后应及时用清洁剂清理,严禁用坚硬物敲刮板面及裁口方木阳角;对操作面的模板要及时维修,当板面有划痕、碰伤或其他较轻缺陷时,应用专用腻子嵌平、磨光,并刷BD—01环氧木模保护剂,多层板一般周转次数为6次,当拆下的模板四周破坏、四边板开裂分层时,将模板破损部分切掉四周刷封边漆,然后重复利用。

八)板安装允许偏差及检验方法序号项目允许偏差(mm)检查方法1基础轴线位移5尺量检查2柱、墙、梁轴线位移3尺量检查3标高2、-5用水准仪或拉线和尺量检查4基础截面尺寸10尺量检查5每层垂直度+2、-5尺量检查6每层垂直度3线垂或2m托线板检查7相邻两板表面高低差1用直尺和尺量检查8表面平整度3用2m靠尺和楔形塞尺检查9预埋件中心线位移3拉线尺量检查10预埋管预留孔中心线位移3拉线尺量检查11预埋螺栓中心线位移2拉线尺量检查12预埋螺栓外漏长度+10、0拉线尺量检查13预留洞口中心线位移10拉线尺量检查14预留洞口截面内部尺寸+10、0拉线尺量检查(九)注意事项1、模板上架设电线和使用电动工具采用36V的低压电源2、登高作业时,各种配件放在工具箱内或工具袋内,严禁放在模板或脚手架上3、装拆施工时,上下有人接应,随拆随运转,并把活动部件固定牢靠,严禁堆放在脚手板上或抛掷4、设防雷击措施5、安装墙柱模板时,随时支撑固定,防止倾覆6、预拼装模板的安装,边就位、边校正、边安设连接件,并加设临时支撑稳固7、拆除承重模板,设临时支撑,防止突然整块塌落8、安装整块柱模板,不得将柱子钢筋代替临时支撑9、吊装模板时,必须在模板就位并连接牢固后,方可脱钩,并严格遵守吊装机械使用安全有关规定。

10、拆除模板时由专人指挥和切实可靠的安全措施,并在下面标出作业区,严禁非操作人员进入作业区操作人员佩挂好安全带,禁止站在模板的横杆上操作,拆下的模板集中吊运,并多点捆牢,不准向下乱扔拆模间歇时,将活动的模板、拉杆、支撑等固定牢固,严防突然掉落、倒塌伤人11、拆模起吊前,复查拆墙螺栓是否拆净,再确定无遗漏且模板与墙体完全脱离方可吊起12、雨、雪及五级大风等天气情况下禁止施工13、基础及地下工程模板安装时,先检查基坑土壁、壁边坡的稳定情况,发现有滑坡、塌方危险时,必须先采取有效加固措施后方可施工14、操作人员上下基坑要设扶梯基坑上口边缘1m以内不允许堆放模板构件和材料,模板支在护壁上时,必须在支点上加垫板15、模板放置时不得压有电线、气焊管线等16、清理模板和涂刷大模板隔离剂时,必须将模板支撑牢固,两板中间保持不少于60cm的走道17、模板拆除时严禁使用大杠或重锤敲击拆除后的模板及时清理混凝土渣块18、存放于施工楼层上的模板必须有可靠的防倾倒措施,不得沿建筑物周边放置,要垂直于建筑物外边线存放19、平模叠放时,垫木必须上下对齐,绑扎牢固20、模板堆放处严禁坐人或逗留。

下载提示
相关文档
正为您匹配相似的精品文档