文档详情

节能量目标完成进度表

d****
实名认证
店铺
DOCX
12.79KB
约4页
文档ID:167979127
节能量目标完成进度表_第1页
1/4

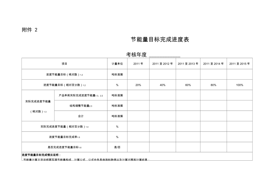
附件 2节能量目标完成进度表考核年度 项目计量单位2011 年2011 至 2012 年2011 至 2013 年2011 至 2014 年2011 至 2015 年进度节能量目标(绝对数)1.2吨标准煤进度节能量目标(相对百分数)1.2%20%40%60%80%100%实际完成进度节能量产品单耗实际完成进度节能量1.3、2.2吨标准煤结构调整节能量2.3吨标准煤(绝对数)1.3合计吨标准煤实际完成进度节能量(相对百分数)1.4%进度节能量目标完成率1.5%是否完成进度节能量目标1.6是/否进度节能量目标完成情况说明:节能量计算文字说明要写清节能量构成、计算公式、公式中各具体指标数值以及计算过稈和计算结果:以考核XX企业2012年节能情况为例,XX企业节能量计算文字说明可参考以下格式;“企业2012年节能量为产品单耗节能量与结构调整节能量之和:① 、产品节能量(按照当量值计算):2011-2012年,xx企业主要产品A、B累计单耗节能量完成情况如下:1 )产品A节能量=(2012年产品A单位产量综合能耗-2011年产品A单位产量综合能耗)X2012年产品A产量+ ( 2011年产品A单位产量综合能耗-2010年产品A单位产量综 合能耗)X2011年产品A产量2 )产品B节能量=(2012年产品B单位产量综合能耗-2011年产品B单位产量综合能耗)X2012年产品B产量+ ( 2011年产品B单位产量综合能耗-2010年产品B单位产量综 合能耗)X2011年产品B产量;2012年度xx企业产品节能量为以上A、B产品节能量相加,共xx吨标准煤。

② 、调整节能量(按照当量值计算)2012年共关停xx生产线xx条,该生产线2011年能源消耗实物量为用电xx万度、热力xx百万千焦……,综合用能量为xx吨标准煤,2012年实现调整节能量xx吨标准煤;2011年共关停xx生产线xx条,该生产线2010年能源消耗实物量为用电xx万度、热力xx……百万千焦,综合用能量为xx吨标准煤,2011年实现调整节能量xx吨标准煤2012年度xx企业结构调整节能量为以上2011年、2012年结构调整节能量相加,共xx吨标准煤经计算,XX企业2012年实际完成进度节能量(绝对数)为产品单耗累计节能量与结构调整累计节能量相加,共XX吨标准煤[注意事项]:一是产品较多时,节能量计算可取主要产品;二是产品节能量、调整节能量按照当量值口径进行计算;三是调整节能量部分按照调整年度累加到当年度节能量中; 四是按标准计算单耗节能量,计算结果负数表示节能;本进度表中正数表示节能量填表说明:一、主要名词解释1.1 [“十二五”节能量目标]以关于印发万家企业节能低碳行动实施方案的通知(发改环资[2012]2873 号)、关于印发完善本市万家企业节能管理工作机制和节能目标责任考核实施方 案(沪发改环资[2012]148号)文件公布的节能量目标为准;1.2 [节能量进度目标] 分节能量进度目标绝对数和进度目标相对百分数,按照每年完成“十二五”节能量目标的 20%计算,即第一年实际完成节能量不低于“十二五”节能量目标的20% ,第二年累计不低于40% ,第三年累计不低于60% ,第四年累计不低于80% ,第五年累计不低于100% ,如某企业“十二五”节能量目标为 10000吨标准煤,那么2013年节 能量进度目标(绝对数)为 6000 吨标准煤;1.3 [实际完成进度节能量(绝对数)]节能量按照环比累加方式计算,如2013年考核年节能量为各年环比完成节能量累加之和,如某企业为单一产品, 2012年、 2011年产品产量 分别为 80000 吨、70000 吨,2012 年、2011 年、2010 年单位产品综合能耗分别为 0.9 吨标准煤/吨、0.94 吨标准煤/吨、1 吨标准煤/吨,那么,该企业 2012 年实际完成节能量=2012 年与2011 年环比完成节能量+2011 年与2010 年环比完成节能量=(0.94-0.9)*80000+(1.0-0.94)*70000=7400吨标准煤;1.4 [实际完成进度节能量(相对百分数)]指考核年实际完成进度节能量/“十二五”节能量目标,如2013 年实际累计完成进度节能量为7400 吨,“十二五”节能量目标为 10000 吨标准煤, 2013 年度实际完成进度节能量(相对百分数)为 74%;1.5 [进度节能量目标完成率]指考核年实际累计完成节能量/考核年进度节能量目标,如2013 年度考核节能量完成进度为74%,那么进度节能量目标完成率为:74%/60%=123.3%;1.6 [是否完成进度目标]填写完成或未完成,按照进度目标考核要求,达到进度目标的,为完成,否则为未完成;1.7 [其他注意事项]:节能量计算按当量值计算,节能量计算标准中负数代表节能。

本进度表遵照国家万家企业文件,表中用正数表示节能量二、节能量计算说明2.1企业(单位)节能量根据《企业节能量计算方法GB/T13234-2009》的相关规定计算;2.2[产品节能量]:(统计报告期产品单位产量能源消耗量-基期产品单位产量能源消耗量) *报告期产品产量;2.3 [调整节能量]:考核年度关停生产线或生产装置的,以该生产线或生产装置上年度综合能耗计算为考核年度调整节能量2.4其他注意事项:一是生产产品的数量是合格产品的数量;二是包括单一产品和多种产品节能量,多种产品节能量可为主要产品节能量之和;三是使用环比法对万家企业考核, 此处的基期是统计报告期的前一年,2011年的基期是2010年,2012年的基期是2011年四是产品单耗按照当量值口径计算。

下载提示
相关文档
正为您匹配相似的精品文档