文档详情

水泥胶砂试体成型振实台校验记录表

Sc****h
实名认证
店铺
DOC
76.50KB
约2页
文档ID:144781047
水泥胶砂试体成型振实台校验记录表_第1页
1/2

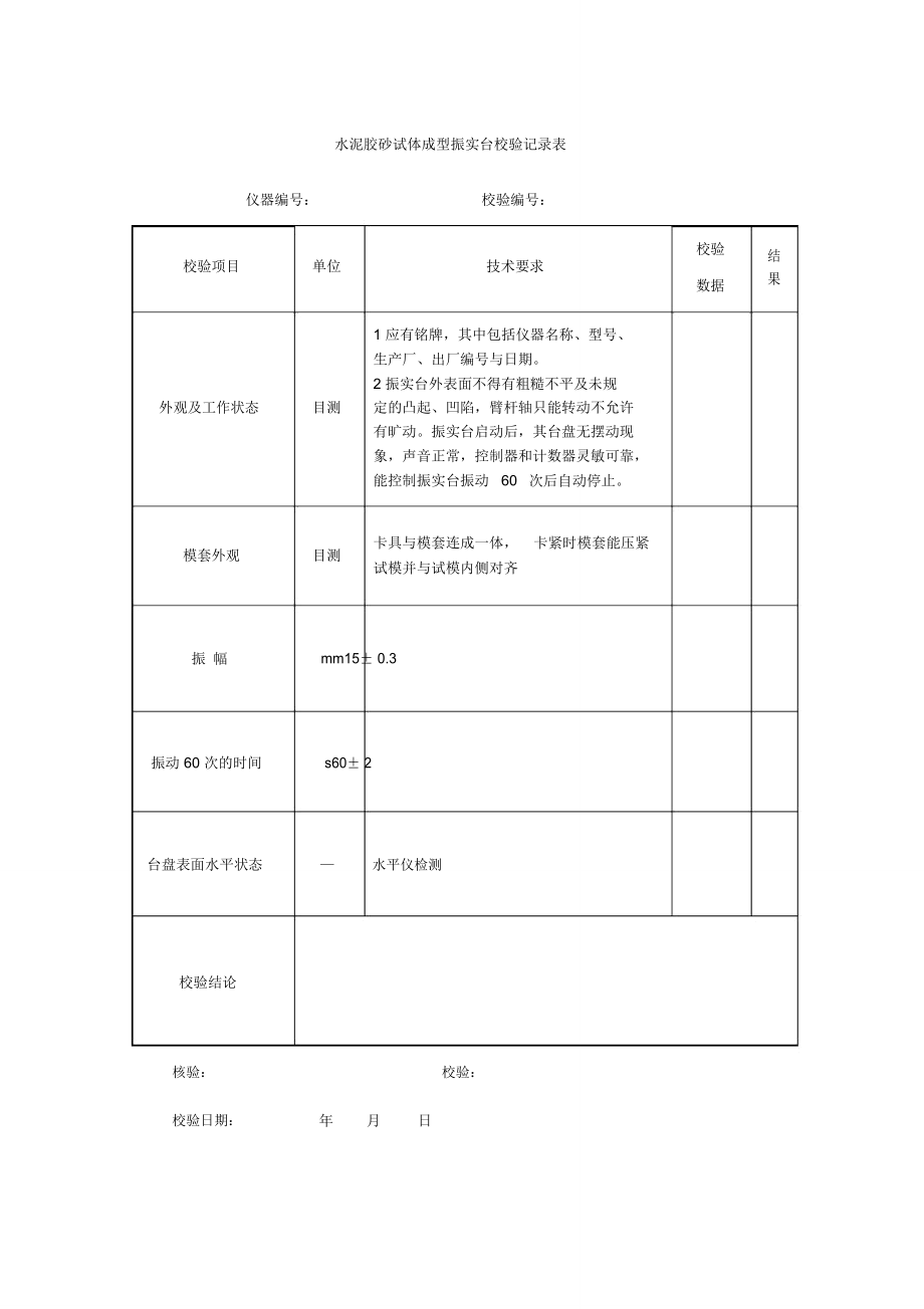
水泥胶砂试体成型振实台校验记录表仪器编号:校验编号:校验结校验项目单位技术要求果数据1 应有铭牌,其中包括仪器名称、型号、生产厂、出厂编号与日期2 振实台外表面不得有粗糙不平及未规外观及工作状态目测定的凸起、凹陷,臂杆轴只能转动不允许有旷动振实台启动后,其台盘无摆动现象,声音正常,控制器和计数器灵敏可靠,能控制振实台振动 60次后自动停止模套外观目测卡具与模套连成一体,卡紧时模套能压紧试模并与试模内侧对齐振 幅mm15± 0.3振动 60 次的时间s60± 2台盘表面水平状态 — 水平仪检测校验结论核验:校验:校验日期:年 月日。

下载提示
相关文档
正为您匹配相似的精品文档