文档详情

桥梁桩基施工资料表格(全套)

m****
实名认证
店铺
DOCX
74.54KB
约15页
文档ID:167586751
桥梁桩基施工资料表格(全套)_第1页
1/15

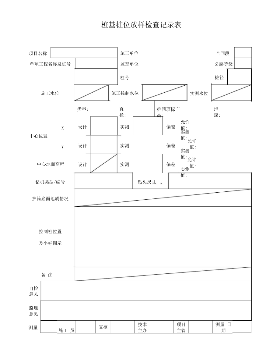
桩基桩位放样检查记录表项目名称施工单位合同段单项工程名称及桩号监理单位公路等级施工水位桩号施工控制水位类型:中心位置直径:允许值:偏差护同顶标高:监理意见测量桩径实测水位埋深:实测设计X实测值:允许值:实测偏差设计Y实测值:允许值:中心地面高程实测偏差设计实测值:钻机类型/编号钻头尺寸护筒底面地质情况控制桩位置及坐标图示自检 意见备 注施工 员复核技术 主办项目 主管测量 日期水准测量记录表项目名称施工单位合同段测量范围监理单位公路等级允许误差闭合差仪器产地型号测点或桩号水准尺读数仪器高标高备注后视前视自检 意见监理 意见测量计算 复核 主术 项目测量 日期混凝土施工检查记录表项目名称施工单位合同段单项工程名称监理单位公路等级施工部位砂含水量碎石含水量设计配合比水泥:砂: 石: 水: 粉煤灰:外加剂现场计量方式碎石规格产地:砂规格产地:施工时间开始结束施工气温最高最低混凝土标号拌和方式、-4 人 、- iv 运输方式振捣方式水泥品种及标号水泥用量 (kg/m3施工配合比水泥:砂:石:水:粉煤灰:外加剂水灰比外加剂名称掺入量实测坍落度(mm)1:2:3:平均:留取试样组数编号设计方数实浇方数施工间断情况记录自检 意见监理 意见检测施工 复核技术 项目 检测主办 主管 日期水下混凝土灌注记录表项目名称施工单位合同段墩(台)桩编号监理单位公路等级桩径(m)设计孔底标高(m)灌注刖孔底标咼(m)护筒顶标高(m)钢筋骨架底标高(m)混凝土标高(m)水泥标号水灰比坍落度(mm)每盘混凝土数量(m3)计算混凝土数量(mJ/厚度(m)储料斗体积(m3)水泥:砂:砾石:水:粉煤灰: 外加剂总盘数/总数量(m3)时间总孔深 A(m)基准面到混 凝土顶面咼 度 B(m)混凝土浇 筑厚度(m)导管总长(m)基准面到导 管顶面咼度导管埋深拆管 长度(m)重要记录拆管前/后(m)拆管前后)123=1-2456=4-2-5自检意见监理意见检测施工 员复核 主办 项目测量 日期项目名称承包单位监理单位合同段编号开钻日期桩号桩径(cm)地面标高(m)设计桩尖标护筒长度(m)护筒顶标高(m)护筒埋置深度(m)冲锤形式和直径(m)上班交班时进尺(m)本班进尺(m)累计进尺(m)由 月 日 时 分时间统计班长起止时间min纯钻时间取渣min共计(h)工作项目冲程(m)冲击次数(次/分)钻进深度(m)本次累计检孔深度(m)孔底标咼(m)孔内水位(m)非生产停钻时间(h)检孔检查钻具接钢丝换绳投土小计孔内事故机械事故待料停电小计合计检见 理 自意 监意见施工员记录技术主办项目主管项目名称施工单位合同段单项工程名称监理单位公路等级墩(台)号桩编号护筒顶咼程(m)护筒长度(m)倾斜度设计直径(mm)终孔直径(m)孔位偏差(mm)设计孔底高程(m)终孔孔底高程(m)清孔后孔底高程(m)灌注刖孔底咼程(m)灌注刖泥浆比重含砂率(%)沉淀层厚度(mm)钻孔中出现的 问题及处理钢筋骨架主筋直径及根数(根)主筋长度(m)骨架总长(m)骨架底面咼程(m)骨架每节长度(m)焊接方法及搭接长度(mm)备 注附件:测孔原始记录自检 意见监理 意见检测计算 复核 技术项目 测量主管 日期桩基成桩记录表施检表(40) 编号: 第页共页项目名称施工单位合同段单项工程名称监理单位公路等级墩(台)、桩编号设计桩顶咼程(m) 成桩顶咼程(m)心标 桩坐X设计实测偏差允许值:实测值:Y设计实测偏差允许值:实测值:桩头直径(cm)设计实测偏差允许值:实测值:桩头凿除咼度(cm)接桩长度(cm)最小保护层(cm)有无露筋及处理方法混凝土外貌检查图 示自检 意见监理 意见检测计算复核技术 项目主办 主管测量 日期钢筋加工及安装质量检验报告单段 同 合位 单 理 监级 等 路 公目 项 测 检位 单或差 直偏 n?;值 测 检△1X受力钢 筋间距mm5 土同排肋 拱mmO 土M锭 锚 墩 基mmO2 土Ur桩 注 灌mmO2 土2mmO 土3钢架长mmO 土径 直 或 高 宀扯mm5 土4mmO2 土U△5肋 拱mm5 土U一r锭 锚 墩 基mmO 土板mm3 土UJ-r检表(44)编号:外观 检查监理 意见签名:检测:日期:复核: 施工员:质检负责人:技术主管:签名:项目主管:日期E项目名称施工单位监理单位合同测点范围仪器型号测点或桩号设计坐标实测坐标计算距离(m)计算角度 (°/"计算水平 度盘读数 (°'〃)距离读数(m)竖盘读数 (°/"XYXY计算数 据测站点坐标X= Y=对点观 测数据斜距离D=草图后视点坐标X= Y=竖直度盘Q=距 离AB=实测水平距离AB=水平度盘自检意见监理意见测量计算复核技术主办 项目主官钻孔灌注桩质量检验报告单页段 同 合匚称 名 梁 桥位 单 理 监级 等 路 公项次目 项 测 检值 测 检△1X度 强a△2桩位mnl1x许 允mnl50值极戈mnl1x△3m△4mnl5mnl△6沉淀厚度桩擦摩7设吨-桩撑支mnl7程 高 面 底 架 骨 筋 钢mnl50 土自检监理丿冒、见意见签名:日期:签名:日期:外观 检查检测:复核: 施工员:质检负责人: 技术主管: 项目主管:监表1施工放样报验单承包单位: 合同段号:监理单位: 编号:致(测量监理工程师) :根据合冋要求,我们已经完成 (起止桩号或工程部位)的施工放样工作,清单如下,请予查验。

承包人: 日期: 年 月 日桩号或位置工程或部位称放样内容备注DSK22+080-DSK22+300防撞栏放样附件:施检表(7)施检表(8)测量监理工程师意见:测量监理工程师: 日期: 年 月 日由承包人呈报二份,作出结论后监理组留档一份,另一份退承包人钻孔灌注桩质量检验评定表项目名称监理单位公路等级桩号及部位施工单位合同段项次检测项目规定值或 允许偏差值检测结果质量评分检测数合格数合格率(%)权值实得分1A混凝土强度(MPa)在合格标准内32A桩位(mm)群桩1002排架桩允许50极值100址孔深(m)不小于设计34A孔径(mm)不小于设计35钻孔倾斜度(mm)1%桩长,且不大于 50016A沉淀厚度(mm)摩擦桩符合设计规定,设未规定时按施工规范要求2支承桩不大于设计规定7钢筋骨架底面咼程(mm)土 501合 计(加权)编号:评表(35)分项工程得分统计:外观鉴定质量保证资料监理意见及签名工程质量等级评分复核:减分减分评分:等级:质检负责人:技术主管:项目主管:日期:监表5工程检验申请批复单承包单位: 合同段号:监理单位: 编号:工程项目工程地点及桩号具体部位检验内容要求到现场检验时间:承包人递交日期、时间和签字:现场监理员收件日期、时间和签字:现场监理员评论和签字:本项目可以继续进行:质量证明附件:专业监理工程师意见:承包人收签:钢筋加工及安装质量检验评定表项目名称监理单位公路等级桩号及部位施工单位合同段项次检测项目规定值或 允许偏差检测结果质量评分检测数合格数合格率(%)权值实得分1A受力 钢筋 间距(mm )两排以上排距±53同 排梁、板、拱肋±10基础、锚碇、 墩台、柱±20灌注桩±202箍筋、横向水平钢筋、螺旋 筋间距(mm)±1023钢筋骨 架尺寸(mm)长±101宽、咼或直径±54弯起钢筋位置(mm)±202保护层 厚度(mm)柱、梁、拱肋±53基础、锚碇、墩台±10板±3合 计(加权)外观鉴定减分质量保证资料减分监理意见及签名工程质量等级评分评分: 等级:评表(44)编号:统计:复核: 质检负责人: 技术主管:项目主管:日期:。

下载提示
相关文档
正为您匹配相似的精品文档