文档详情

灌前灌后声波表

lis****210
实名认证
店铺
DOCX
11.28KB
约1页
文档ID:167341303
灌前灌后声波表_第1页
1/1

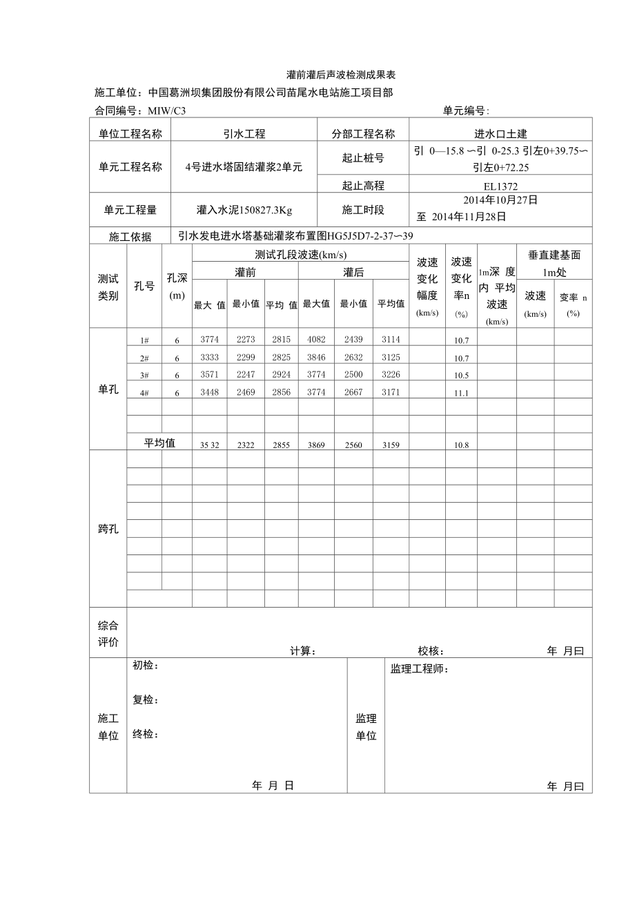
灌前灌后声波检测成果表施工单位:中国葛洲坝集团股份有限公司苗尾水电站施工项目部合同编号:MIW/C3 单元编号:单位工程名称引水工程分部工程名称进水口土建单元工程名称4号进水塔固结灌浆2单元起止桩号引 0—15.8 〜引 0-25.3 引左0+39.75〜引左0+72.25起止高程EL1372单元工程量灌入水泥150827.3Kg施工时段2014年10月27日至 2014年11月28日施工依据引水发电进水塔基础灌浆布置图HG5J5D7-2-37〜39测试 类别孔号孔深(m)测试孔段波速(km/s)波速 变化 幅度 (km/s)波速 变化 率n(%)1m深 度内 平均 波速 (km/s)垂直建基面1m处灌前灌后最大 值最小值平均 值最大值最小值平均值波速(km/s)变率 n (%)单孔1#637742273281540822439311410.72#633332299282538462632312510.73#635712247292437742500322610.54#634482469285637742667317111.1平均值35 322322285538692560315910.8跨孔综合 评价计算: 校核: 年 月曰施工 单位初检:复检:终检:年 月 日监理 单位监理工程师:年 月曰。

下载提示
相关文档
正为您匹配相似的精品文档