文档详情

回转窑润滑

suij****uang
实名认证
店铺
DOCX
43.68KB
约8页
文档ID:159388279
回转窑润滑_第1页
1/8

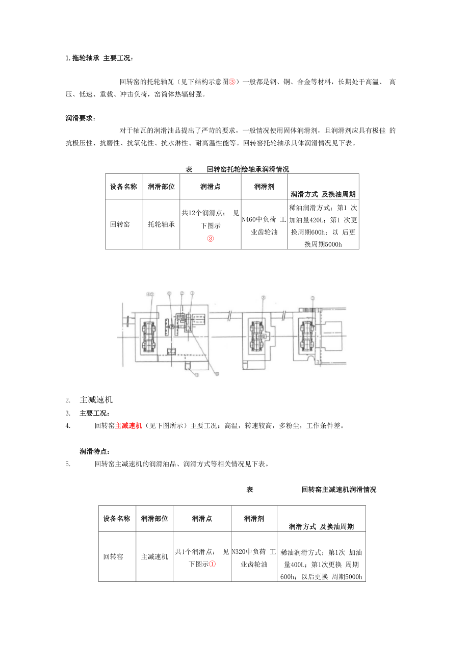
1.拖轮轴承 主要工况:回转窑的托轮轴瓦(见下结构示意图③)一般都是钢、铜、合金等材料,长期处于高温、 高压、低速、重载、冲击负荷,窑筒体热辐射强润滑要求:对于轴瓦的润滑油品提出了严苛的要求,一般情况使用固体润滑剂,且润滑剂应具有极佳 的抗极压性、抗磨性、抗氧化性、抗水淋性、耐高温性能等回转窑托轮轴承具体润滑情况见下表表 回转窑托轮绘轴承润滑情况设备名称润滑部位润滑点润滑剂润滑方式 及换油周期回转窑托轮轴承共12个润滑点; 见下图示③N460中负荷 工业齿轮油稀油润滑方式;第1 次加油量420L;第1 次更换周期600h;以 后更换周期5000h2. 主减速机3. 主要工况:4. 回转窑主减速机(见下图所示)主要工况:高温,转速较高,多粉尘,工作条件差润滑特点:5. 回转窑主减速机的润滑油品、润滑方式等相关情况见下表表 回转窑主减速机润滑情况设备名称润滑部位润滑点润滑剂润滑方式 及换油周期回转窑主减速机共1个润滑点; 见下图示①N320中负荷 工业齿轮油稀油润滑方式;第1次 加油量400L;第1次更换 周期600h;以后更换 周期5000h3.液压推杆制动器主要工况:油品过滤性要求高,磨损重润滑要求:回转窑的液压推杆制动器(见下结构示意图 12)润滑部位、润滑油品、润滑方式等情况见下表。

表 回转窑液压推杆制动器润滑情况设备名称润滑部位润滑点润滑剂润滑方式 及换油周期回转窑液压推杆制动器共1个润滑点;见下图示12N32号抗磨 液压油稀油润滑方式;第1次 加油量3L;第1次更换 周期600h;以后更换 周期8500h4.挡轮液压站主要工况:压力高,清洁性要求高,油品过滤性要求高润滑特点:回转窑的挡轮液压站(见下结构示意图 11)润滑部位、润滑油品、润滑方式等情况见下表表 回转窑挡轮液压站润滑情况设备名称润滑部位润滑点润滑剂润滑方式 及换油周期回转窑挡轮液压站共4个润滑点;见下图示11N32号抗 磨液压油稀油润滑方式;第1次 加油量150L; 第 1次更换 周期600h;以后更换 周期8500h6. 小齿轮装置轴承主要工况:压力高,清洁性要求高,油品过滤性要求高润滑特点:回转窑的挡轮液压站(见下结构示意图 11)润滑部位、润滑油品、润滑方式等情况见下表表 回转窑挡轮液压站润滑情况设备名称润滑部位润滑点润滑剂润滑方式 及换油周期回转窑挡轮液压站共4个润滑点;见下图示11N32号抗 磨液压油稀油润滑方式;第1次 加油量150L; 第 1次更换 周期600h;以后更换 周期8500h7.窑头罩滚动轴承主要工况:温度高,转速较高,负荷重润滑特点:回转窑的窑头罩滚动轴承(见下结构示意图⑥⑩)润滑部位、润滑油品、润滑方式等情况见下表。

表 回转窑窑头罩滚动轴承润滑情况设备名称润滑部位润滑点润滑剂干油润滑方式回转窑窑头罩滚动轴承共8个润滑点; 见下图示⑩2号极压 锂基润滑脂长期润滑8 窑尾密封圈主要工况:温度高,粉尘重润滑要求:回转窑的窑尾密封圈(见下结构示意图⑦)润滑部位、润滑油品、润滑方式等情况见下表表 回转窑窑尾密封圈润滑情况设备名称润滑部位润滑点润滑剂干油润滑方式回转窑窑尾 密封圈共4个润滑点; 见下图示⑧高温润滑脂电动干油集中 润滑系统9.轮带内表面与垫板主要工况:重负荷,磨损大,温度高,粉尘重润滑特点:回转窑的轮带内表面与垫板(见下结构示意图⑦)润滑部位、润滑油品、润滑方式等情况见下表表 回转窑轮带内表面与垫板润滑情况设备名称润滑部位润滑点润滑剂干油润滑方式回转窑轮带内表面 与垫板共3个润滑点; 见下图示⑦重负荷开式 齿轮润滑脂每班喷射l次10.挡/托轮与轮带接触面主要工况:受外界气候影响大,潮湿,粉尘重,负荷大,重载,磨损摩擦大润滑特点:回转窑的挡、托轮与轮带接触面(见下结构示意图⑥)润滑部位、润滑油品、润滑方式等情况见下表表 回转窑挡轮、托轮与轮带接触面润滑情况设备名称润滑部位润滑点润滑剂润滑方式 及换油周期回转窑挡、托轮与 轮带接触面共4个润滑点; 见下图示⑥3号开式 齿轮油浸油润滑;第1次 加油量700L;以后按需要补充11 大齿圈及小齿轮主要工况:负荷重,磨损大,摩擦大,温度高润滑特点:生产过程中的中窑设备回转窑的大齿圈及小齿轮(见下结构示意图⑤)润滑部位、润滑油品、润滑方 式等情况见下表。

表 回转窑大齿圈及小齿轮润滑情况设备名称润滑部位润滑点润滑剂干油润滑方式回转窑大齿圈及小齿轮共1个润滑点; 见下图示⑤2号极压 锂基润滑脂油杯每班1次12 挡轮轴承主要工况:负荷重,磨损大,温度高润滑特点:回转窑挡轮轴承(见下图④所示)的润滑油品、润滑方式等情况见下表表 回转窑挡轮轴承设备名称润滑部位润滑点润滑剂干油润滑方式回转窑挡轮轴承共1个润滑点; 见下图示④2号极压 锂基润滑脂油杯每班1次13.辅助减速机工况特点:负荷重,高速、摩擦大,磨损重润滑特点:回转窑辅助减速机(见下图②所示)的润滑油品、润滑方式等情况见下表回转窑辅助减速机见下图所 示表回转窑辅助减速机润滑情况设备名称润滑部位润滑点润滑剂润滑方式 及换油周期回转窑辅助 减速机共1个润滑点; 见下图示②N320中负荷 工业齿轮油稀油润滑方式;第1次 加油量13L;第1次更换 周期600h;以后更换 周期5000h14.主减速机主要工况:回转窑主减速机(见下图所示)主要工况:高温,转速较高,多粉尘,工作条件差润滑特点:回转窑主减速机的润滑油品、润滑方式等相关情况见下表表 回转窑主减速机润滑情况设备名称润滑部位润滑点润滑剂润滑方式 及换油周期回转窑主减速机共1个润滑点; 见下图示①N320中负荷 工业齿轮油稀油润滑方式;第1次 加油量400L;第1次更换 周期600h;以后更换 周期5000h14.设 备 名 称润 滑 部 位润滑 点润 滑 剂润滑方式 及换油周期高温,转速较高,多粉尘,工作条件差回 转 窑主减 速机共1个润滑占;八'、,见下图 示①N320 中负 荷工业 齿轮 油稀油润滑方式;第1 次加油量400L;第1次 更换周期600h;以后更换 周期5000h回 转 窑辅助 减速 机共1个润滑占;八'、,见下图 示②N320 中负 荷工业 齿轮 油稀油润滑方式;第1 次加油量13L;第1次更 换周期600h;以后更换 周期5000h负荷重,高速、摩擦 大,磨损重回 转 窑托轮轴承共12 个润滑占;八'、,见下图 示 ③N460 中负 荷工业 齿轮 油稀油润滑方式;第1 次加油量420L;第1 次更换周期600h;以 后更换周期5000h长期处于高温、高压、 低速、重载、冲击负 荷,窑筒体热辐射强。

回 转 窑挡轮轴承共1个润滑占;八'、,见下图 示④2号 极压 锂基 润滑 脂油杯每班1次负荷重,磨损大,温 度咼回 转 窑大齿 圈及小 齿轮共1个润滑占;八'、,见下图 示⑤2号 极压 锂基 润滑 脂油杯每班1次负荷重,磨损大,摩 擦大,温度高回 转 窑挡、 托轮与 轮带 接触面共4个润滑占;八'、,见下图 示⑥3号 开式 齿轮油浸油润滑;第1次 加油量700L;以后按需要补充受外界气候影响大, 潮湿,粉尘重,负荷 大,重载,磨损摩擦 大回 转 窑轮带 内表 面共3个 润滑 占; 八'、,重负 荷开 式每班喷射l次重负荷,磨损大,温度高,粉尘重与垫板见下图示⑦齿轮润滑脂窑尾密封圈共4个润滑高温占;八'、,润滑见下图脂示⑧电动干油集中润滑系统温度高,粉尘重小齿轮装置 轴承共2个润滑占;八'、,见下图示⑨2号极压锂基润滑脂油杯每班1次1.冬季启动困难2 •漏油选用黏度指数高的合成润滑剂窑头罩滚动轴承共8个2号润滑极压占;八'、,锂基见下图润滑示⑩脂长期润滑挡轮液压站共4个 润滑 占; 八'、,见下图示 11稀油润滑方式;第1N32次号抗加油量150L ;第1次磨液更换压油周期600h;以后更换周期8500hN32液压推杆制动器共1个润滑占;八'、,见下图示12号抗磨液压油稀油润滑方式;第1次加油量3L;第1次更换周期600h;以后更换周期8500h。

下载提示
相关文档
正为您匹配相似的精品文档