文档详情

油井工艺设计模版

d****
实名认证
店铺
DOCX
17.75KB
约3页
文档ID:176405977
油井工艺设计模版_第1页
1/3

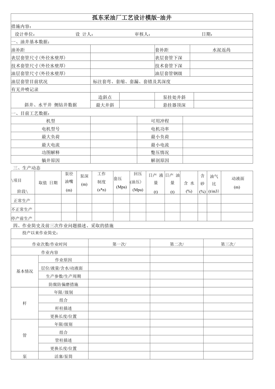
孤东采油厂工艺设计模版-油井措施内容:设计单位: 设 计人: 审核人:日期:一、油井基本数据:油补距套补距水泥返咼表层套管尺寸(外径氷壁厚)表层套管下深技术套管尺寸(外径氷壁厚)技术套管下深油层套管尺寸(外径氷壁厚)油层套管钢级油层套管目前状况标注套弯、套缩、套漏、套错及其深度有无井喷记录斜井、水平井 侧钻井数据造斜点泵挂处井斜最大井斜悬挂器顶深一、目前工艺数据:机型可用冲程电机型号电机功率最大负荷最小负荷最大电流最小电流功图解释蹩压情况躺井原因解剖原因三、生产动态\项目阶段\取值 日期泵径油嘴(m)泵深(m)工作制度(s*n)套压(Mpa)回压(油压)(Mpa)日产 液量(t)日产 油量(t)含 水 (%)含 砂 (%)油气 比 (t/m3)动液面(m)正常生产不正常生产停产前生产四、作业简史及前三次作业问题描述、采取的措施投产以来作业简史:作业次数/作业时间第一次/第二次/第三次/作业内容基本情况作业原因层位/液量/含水/动液面生产参数/生产周期防腐防偏磨措施杆年限/级别组合杆柱描述更换长度/位置管年限/级别组合管柱描述更换长度/位置泵活塞/泵筒目前井筒状况五、问题的综合分析及本次作业对策措施:六、设计工艺数据:泵泵径泵深沉没度机/电机型电机冲程*冲次杆柱抽油杆组合光杆防冲距管柱油管组合其它工具七、工艺施工步骤及配套措施:八、井控及技术要求:1、 针对井场周围情况① 压井、放喷管线应i② 对于含硫化氢天然/ 上方无高压线,位于-2、 确定井控装置压力 合。

安装简易压井与£-<]=rTr~n nn预防 远离匕 气井土 下风] 等级 放喷匚措施: 仝路、i 勿,井土 九在扌 :根据 堂线,J毛房、学校、井站,不能位于高压线之下方值班房距井口不得小于30m,放喷出口距井口大于1( 木区的井,井场周围应有宽度不小于20m的隔离带 该井压力预测,确定需安装压力级别为—21_MPa的 圭内通径不小于62mm见下图)匸匚二D— 压力表)0m,距深林大于50m,2SFZ18-21井控装置组i BSfT—J J2 #p=#平#平 寸开1 # 4 #I |■流■流3 # ■注:1、夏季:2 #、32、 冬季:1 #、23、 4 #平板阀灌液E乙板W 乙板阀2F划常关,1 #平板阀常开,5 #节 划常关,3 #平板阀常开,5 #节 13圈5 #阀开 3-4圈阀开 3-4圈3、压井液的选择:① 压井液密度的确定:根据地质设计提供的地层静压_MPa为基准,再增加一个附加值0.05g /cm3(气井0.07)计算出该井压井液的密度值 g /cm3② 压井液的性能、用量:名称(类型)密度(g /cm3)粘度(mPa・S)固相含量(% )用量(m3)污水12.30.0140③压井要求:循环压井控制进出口排量一致,进出口压井液密度差不超过0.02g/cm3。

挤压井时压井液至油层上界50m4、不同工况最大允许关井压力:工况起下油管柱起下抽油杆电缆测试、射 孔等作业空井筒钻、冲、铣等 作业施工防砂、酸彳 砂等大型》最大允许关井压力5、 油层套管控制设计:该井清水时最大掏空深度 ,纯天然气时最低套压 ,清水时最高套压 ,纯天然气时最高套压 6、 对于含硫化氢等有毒有害气体(参考地质设计)油、水、气井防范要求:① 井场必须配备硫化氢检测报警仪、可燃气体检测仪和其它气体检测分析设备,设备保证完好,现场人员持证 上岗② 现场有可能出现硫化氢大气浓度超过15m g /m3 (10ppm )、二氧化硫大气浓度超过5.4m g /n? (2ppm )时, 相关作业人员要接受培训和指导,井场硫化氢大气浓度超过150m g /m3(100ppm)时,现场作业人员向上风头 撤离井场并清点人数③ 当硫化氢分压在气体中超过0.0003MPa (0.05psi)或含硫化氢原油系统中超过0.069MPa( 10psi)时,使用 抗硫作业设备7、 油水(气)井井口及地面流程配置:配置250型采油树及流程,清水试压25 MPa稳压时间不少于15min, 允许压降不超过0.7MPa。

气井井口及地面流程配置:配置350型采油树(双闸门)及流程,清水试压35 MPa 稳压时间不少于15min,允许压降不超过0.7MPa九、下步管理措施:十、免修期天数预计:。

下载提示
相关文档
正为您匹配相似的精品文档