文档详情

水泥混凝土面层现场质量检验报告单

suij****uang
实名认证
店铺
DOCX
10.78KB
约2页
文档ID:166434694
水泥混凝土面层现场质量检验报告单_第1页
1/2

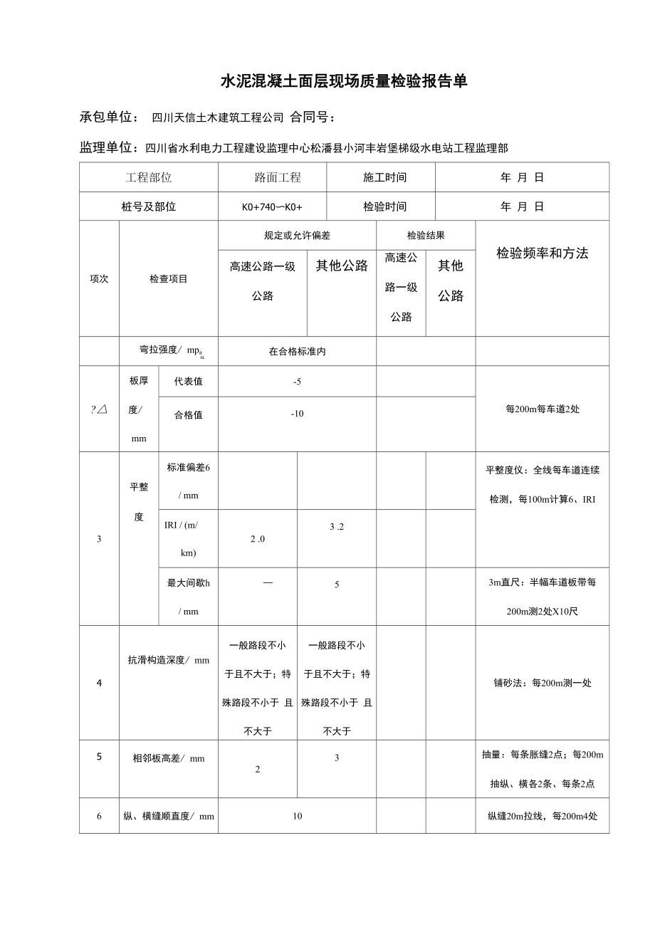
水泥混凝土面层现场质量检验报告单承包单位: 四川天信土木建筑工程公司 合同号:监理单位:四川省水利电力工程建设监理中心松潘县小河丰岩堡梯级水电站工程监理部工程部位路面工程施工时间年 月 日桩号及部位K0+740〜K0+检验时间年 月 日项次检查项目规定或允许偏差检验结果检验频率和方法高速公路一级公路其他公路高速公路一级公路其他公路弯拉强度/ mpaCL在合格标准内?△板厚度/mm代表值-5每200m每车道2处合格值-103平整度标准偏差6/ mm平整度仪:全线每车道连续检测,每100m计算6、IRIIRI / (m/km)2 .03 .2最大间歇h/ mm—53m直尺:半幅车道板带每200m测2处X10尺4抗滑构造深度/ mm一般路段不小于且不大于;特殊路段不小于 且不大于一般路段不小于且不大于;特殊路段不小于 且不大于铺砂法:每200m测一处5相邻板高差/ mm23抽量:每条胀缝2点;每200m抽纵、横各2条、每条2点6纵、横缝顺直度/ mm10纵缝20m拉线,每200m4处横缝沿板宽拉线每200m4条7中线平面偏位/ mm20经纬仪:每200m测4点8路面宽度/mm±20抽量:每200m测4处9纵断高程/ mm±10土 15水准仪:每200m测4断面10横坡/%土土水准仪:每200m测4断面施工单位:建设(监理)单位:年 月日年 月曰。

下载提示
相关文档
正为您匹配相似的精品文档