文档详情

变压器油实验报告

ren****ao
实名认证
店铺
DOC
179.01KB
约9页
文档ID:160591174
变压器油实验报告_第1页
1/9

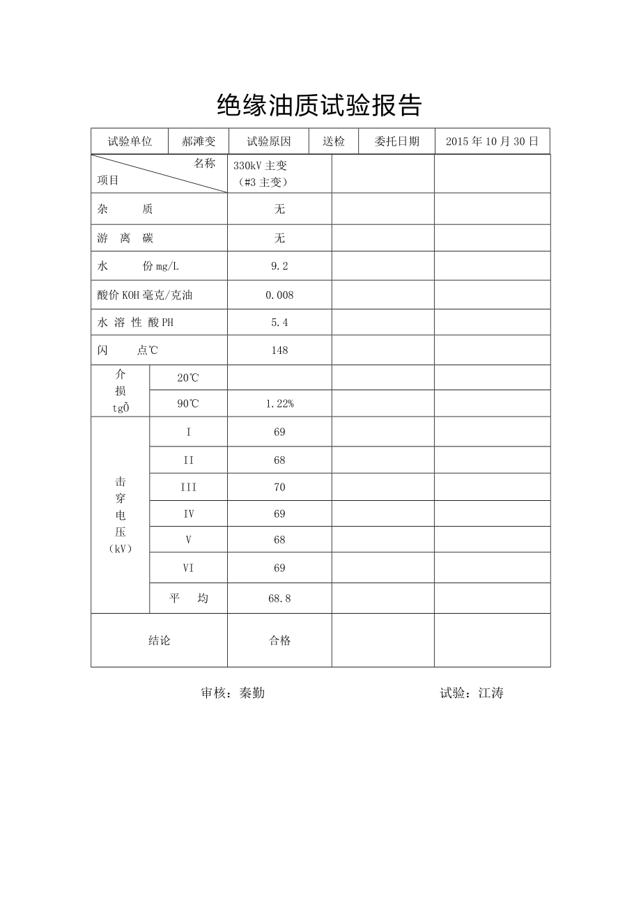
绝缘油质试验报告试验单位郝滩变试验原因送检委托日期2015年10月30日 名称项目330kV主变(#3主变) 杂 质无 游 离 碳无 水 份mg/L9.2 酸价KOH毫克/克油0.008 水 溶 性 酸PH5.4 闪 点℃148 介损tgÕ20℃90℃1.22%击穿电压(kV)I69 II68 III70 IV69 V68 VI69 平 均68.8 结论合格 审核:秦勤 试验:江涛充油电器设备油中溶解气体色谱分析报告委托单位郝滩变分析原因送检取样日期2015年10月30日样品说明分析日期2015年10月30日项目分析结果ul/l设备名称330kV主变(#3主变)氢H20氧O2/一氧化碳CO2二氧化碳CO2141甲 烷CH40.56乙 烷C2H60乙 烯C2H40丙 烷C3H8/乙 炔C2H20丙 烯C3H6/总 烃(C1+C2)0.56结论正常备注 审核:秦勤 试验:江涛绝缘油质试验报告试验单位郝滩变试验原因送检委托日期2015年12月19日 名称项目330kV主变(#2主变试验后)330kV主变(#3主变试验后)杂 质无无游 离 碳无无水 份mg/L9.19.2酸价KOH毫克/克油0.0080.008水 溶 性 酸PH5.45.4闪 点℃148147介损tgÕ20℃90℃1.21%1.20%击穿电压(kV)I7068II6769III7070IV6968V7170VI6969平 均69.369结论合格合格 审核:秦勤 试验:江涛充油电器设备油中溶解气体色谱分析报告委托单位郝滩变分析原因送检取样日期2015年12月18日样品说明分析日期2015年12月18日项目分析结果ul/l设备名称330kV主变(#2主变试验后)330kV主变(#3主变试验后)氢H200氧O2//一氧化碳CO22二氧化碳CO2139142甲 烷CH40.540.56乙 烷C2H600乙 烯C2H400丙 烷C3H8//乙 炔C2H200丙 烯C3H6//总 烃(C1+C2)0.540.56结论正常正常备注 审核:秦勤 试验:江涛绝缘油质试验报告试验单位郝滩变试验原因送检委托日期2015年10月30日 名称项目330kV主变(#3主变有载调压注油后)ABC杂 质无无无游 离 碳无无无水 份mg/L9.89.29.5酸价KOH毫克/克油0.0060.0080.008水 溶 性 酸PH5.45.45.4闪 点℃144144144介损tgÕ20℃90℃1.01%1.11%1.02%击穿电压(kV)I686667II636769III666866IV696469V626662VI666362平 均65.665.665.7结论合格合格合格 审核:秦勤 试验:江涛绝缘油质试验报告试验单位郝滩变试验原因送检委托日期2015年11月6日 名称项目330kV主变(#2主变有载调压注油后)A相B相C相杂 质无无无游 离 碳无无无水 份mg/L9.39.59.3酸价KOH毫克/克油0.0080.0080.008水 溶 性 酸PH5.45.45.4闪 点℃142144144介损tgÕ20℃90℃1.15%1.05%1.08%击穿电压(kV)I706568II646669III656364IV627062V626465VI666269平 均64.865.066.1结论合格合格合格 审核:秦勤 试验:江涛绝缘油质试验报告试验单位郝滩变试验原因送检委托日期2015年12月18日 名称项目330kV主变(#2主变有载调压试验后)ABC杂 质无无无游 离 碳无无无水 份mg/L9.89.89.8酸价KOH毫克/克油0.0060.0060.006水 溶 性 酸PH5.45.45.4闪 点℃144144144介损tgÕ20℃90℃1.02%1.02%1.02%击穿电压(kV)I676561II657068III696463IV666970V636565VI676063平 均66.165.565.0结论合格合格合格 审核:秦勤 试验:江涛绝缘油质试验报告试验单位郝滩变试验原因送检委托日期2015年12月18日 名称项目330kV主变(#3主变有载调压试验后)ABC杂 质无无无游 离 碳无无无水 份mg/L9.59.39.5酸价KOH毫克/克油0.0040.0060.006水 溶 性 酸PH5.45.45.4闪 点℃144142144介损tgÕ20℃ 90℃1.05%1.05%1.05%击穿电压(kV)I706268II646964III656971IV687064V636168VI696564平 均66.566.066.5结论合格合格合格 审核:秦勤 试验:江涛。

下载提示
相关文档
正为您匹配相似的精品文档