文档详情

铝模安装标准

ag****7
实名认证
店铺
DOC
34.09MB
约128页
文档ID:170988787
铝模安装标准_第1页
1/128

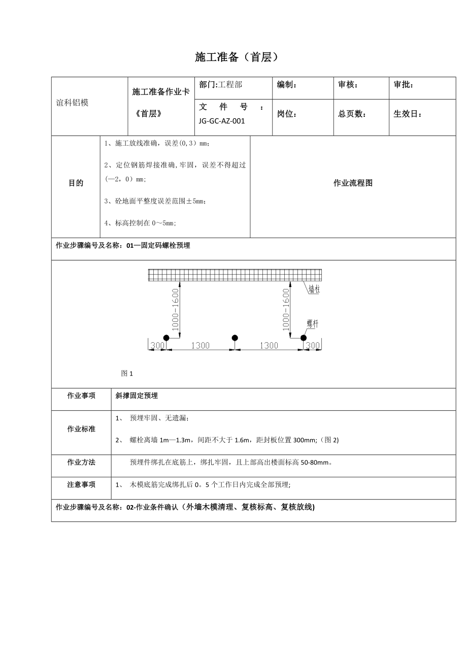
施工准备(首层)谊科铝模施工准备作业卡《首层》部门:工程部编制:审核:审批:文件号:JG-GC-AZ-001岗位:总页数:生效日:目的1、施工放线准确,误差(0,3)mm;2、定位钢筋焊接准确,牢固,误差不得超过(—2,0)mm;3、砼地面平整度误差范围±5mm;4、标高控制在0~5mm;作业流程图作业步骤编号及名称:01—固定码螺栓预埋 图1 作业事项斜撑固定预埋作业标准1、 预埋牢固、无遗漏;2、 螺栓离墙1m—1.3m,间距不大于1.6m,距封板位置300mm;(图2)作业方法预埋件绑扎在底筋上,绑扎牢固,且上部高出楼面标高50-80mm注意事项1、 木模底筋完成绑扎后05个工作日内完成全部预埋;作业步骤编号及名称:02-作业条件确认(外墙木模清理、复核标高、复核放线) 图1 作业事项作业条件确认作业标准1、 标高误差为(-5,5)mm;2、 地面平整度范围(-5,5)mm;3、 施工放线误差不得超过3mm。

作业方法1、 检查外墙、电梯井、采光井以及预留洞口的木模板是否高出楼面标高以及是否清理干净;作业步骤编号及名称:03—外墙模板定位90mm 图1 图2 图3作业事项外墙模板定位作业方法作业流程:画控制点→弹控制线→画定位点→膨胀螺栓安放→固定90mm角铝或木方→复核标高1、 画控制点:两人进行配合画点放线,(安装A拿红蓝铅笔,卷尺负责尺量和标记,安装B拿墨斗负责弹线)A将卷尺垂直置于外墙在低于楼面标高90mm处画控制点(羊角标记),控制点画清晰准确,所有外墙放两个点;2、 弹控制线:A和B各压一个控制点进行控制线放线,弹线方向与墙面垂直,弹线高度不得超过0.5m;3、 画定位点:将角铝下端对齐控制线,根据角铝孔位进行膨胀螺丝孔的画点,画点位置半椭圆孔中心;4、 膨胀螺栓安放:电锤垂直墙面对准所画孔位进行打孔,放置膨胀螺栓;5、 固定90mm角铝或木方:将角铝放置于膨胀螺栓上,利用扳手将膨胀螺栓拧紧;6、 复核标高:用激光水平仪配合卷尺对角铝标高进行复核。

注意事项1、 外架作业要进行安全检查;2、 每隔1m打一个孔位,外墙短肢不得少于2个孔位.作业步骤编号及名称: 04-楼梯安装条件检查作业事项楼梯安装条件检查作业标准1、 定位偏差(0,2)mm2、 标高误差为(-5,5)mm;作业方法1、 用5m钢卷尺对铝木结合层楼梯开间位置与相应墙柱定位线有无偏差;2、 检查起步C槽开间、斜度是否符合设计要求:开间不足、斜度过小,将混泥土凿除至设计要求;3、 用激光水平仪配合卷尺检查木模与铝模结合处起步C槽位置混凝土标高是否满足设计标高注意事项定位检查不合格立即通知总包整改作业步骤编号及名称:05—焊接定位钢筋 图1 图2 图3作业事项焊接定位钢筋作业标准定位钢筋焊接牢固、定位准确,误差范围(—2,0)mm作业方法1、 检查钢筋网是否在墙柱定位线内,如超出,及时汇报安装队长,由安装队长协调钢筋工进行整改;2、 定位钢筋距离地面100mm,将三角尺直角边垂直紧靠墙柱定位线,把塞尺放在三角尺下,调平水平管,将定位钢筋对齐三角尺另一直角边用手固定,焊接定位钢筋(图1);3、 阴角两端均需焊接定位钢筋,定位钢筋离角部80mm, 其他部位间距不得超过1米(图2);4、 定位钢筋两端均焊接在竖筋上,如竖筋不在同一平面,则将另一端焊接在水平筋上,如没有钢筋则先焊接水平筋再焊接定位钢筋(图3)注意事项1、 定位钢筋垂直于墙柱定位线;2、 墙封板位置必须焊接定位钢筋;3、 下飘窗处反梁需焊接定位钢筋。

作业步骤编号及名称:06—吊运模板及物资 作业事项吊运模板及物资作业标准吊装平整,位置准确,安全零伤害作业方法1、 详细内容参照 - — 附件1《铝模安装物资吊运标准》;2、 模板吊运顺序:铁配件→墙柱模板→背楞、斜撑→(梁模、楼梯底板部位模板)→(楼面板、楼面C槽、底笼)→(外梁侧、K板、飘窗、大模、预埋盒、踏步板、狗牙C槽)→吊模、反梁3、 准备工作:楼下、楼上各安排一名监督员、两名安装工,并明确监督员为吊装责任人;准备2根吊带,检查吊装材料是否牢固,询问是否能够进行吊运作业,联系塔吊指挥进行吊运;4、 吊带安装:两人配合,安装工A将吊带一端从模板底部穿过,安装工B将穿过来的吊带牵拉出来,牵拉的长度为(模板高度+模板宽度/2) ,并将长的一端穿过短的一端,将模板捆绑牢固;另一根吊带依照以上方法进行捆绑;5、 模板吊起:将两根吊带挂在挂钩上,长度需一致,监督员检查吊带是否捆绑模板牢固,并通知塔吊指挥进行吊运,塔吊指挥试吊一次,监督人要根据模板试吊情况找平衡,保证模板平稳牢固,试吊完成后确认周边人员疏散方才进行吊运;6、 模板吊放:上方人员迅速清理现场,腾出空间,根据吊带捆绑位置来放置木方,防止吊带压住木方而进行二次吊放,模板放置平稳后,上方人员从挂钩拿下吊带,松绑之后再将吊带重新挂回挂钩上,进行下一轮吊运。

注意事项1、 各类型模板只能在上一道作业工序完成后依照流程进行吊运,不得一次性吊运,以免影响安装;2、 楼梯处场地不够时,相邻户型应配合并借用适量区域;3、 吊运至指定区域,不能影响模板安装和阻碍安全通道;4、 模板吊运不得随意摆放,不得影响墙柱模板安装以及后续安装任务128 施工准备(标准层)谊科铝模施工准备作业卡(标准层)部门:工程部编制: 审核:审批:文件号:JG—GC-AZ -0002总页数:生效日:目标1、 施工放线准确、无漏线,误差范围(0,3)mm;2、 定位钢筋焊接牢固、定位准确,误差范围(—2,0)mm;3、 砼地面平整度误差范围(-5,5)mm;作业流程图模板拆除作业卡1. 标高复核2. 地面找平、K板调节3.焊接定位钢筋墙柱安装作业卡4.质量检查作业时间4小时/户·人物料定位钢筋、电焊条、水泥钉劳保防护安全帽、安全带、劳保鞋、手套、焊工面罩设备工具电锤、电焊机、拖线、切割机、铁锤、撬棍、工具桶、卷尺、扳手、三角尺作业步骤编号及名称:01—标高复核 图1 图2 图3作业事项复核砼标高作业标准超过+5mm要凿除作业方法1、用激光水平仪对齐标高控制线(图1);2、用卷尺配合激光水平仪对混凝土地面标高进行复核,每一面墙取点不少于三个(墙柱竖筋外100mm范围内);3、对高低不平的混凝土地面用红蓝铅笔进行标记(高于设计标高标记“+",低于设计标高标记“-”,符号后用阿拉伯数字表示,如+2)(图2);4、对K板标高进行复核并用红蓝铅笔进行标记,方法同上(图3);注意事项复核标高取点距离不得超过500cm;用卷尺复核标高时卷尺垂直于地面。

作业步骤编号及名称:02—地面找平 、K板调节 图1 作业事项地面找平、K板调节作业标准地面平整度范围(-5,5)mm、K板标高误差为0mm作业方法1、 混凝土面高于设计标高5mm以上,用电锤将高出部分进行凿除;2、 K板上端高于设计标高5mm以上,将相应外墙拆除并传递至作业层整齐码放,用扳手拧松K板螺栓,将K板降低至设计标高,再拧紧K板螺栓;3、 K板上端低于设计标高5mm以上,用扳手拧松K板螺栓,将K板升高至设计标高,再拧紧K板螺栓注意事项凿混凝土时,凿除宽度>80mm作业步骤编号及名称:03—焊接定位钢筋 图1 图2 图3 作业事项焊接定位钢筋作业标准定位钢筋焊接牢固、定位准确,误差范围(—2,0)mm 作业方法1、检查钢筋网是否在墙柱定位线内,如超出,及时汇报安装队长,由安装队长协调钢筋工进行整改;2、定位钢筋距离地面100mm,将三角尺直角边垂直紧靠墙柱定位线,把塞尺放在三角尺下,调平水平管,将定位钢筋对齐三角尺另一直角边用手固定,焊接定位钢筋(图1);3、阴角两端均需焊接定位钢筋,定位钢筋离角部80mm, 其他部位间距不得超过1米(图2);4、 定位钢筋两端均焊接在竖筋上,如竖筋不在同一平面,则将另一端焊接在水平筋上,如没有钢筋则先焊接水平筋再焊接定位钢筋(图3).注意事项1、定位钢筋垂直于墙柱定位线;2、墙封板位置必须焊接定位钢筋;3、下飘窗处反梁需焊接定位钢筋。

一、异常处理: 序号异常处理方法处理责任人1楼梯起步板及C槽两端未达到设计标高通过找平混凝土控制标高满足要求栋号长2钢筋偏移较大,影响模板安装联系钢筋工进行整改栋号长3安装模板时,定位钢筋脱焊掉落必须重新焊接牢固方能安装模板安装班长 墙柱模板安装谊科铝模墙柱模板(表面无处理)安装作业卡(标准层)部门:工程部编制: 审核: 审批:文件号:JG-GC—AZ—0004岗位:总页数:生效日:目的1、 平整度、垂直度(0,3)mm;2、 标高控制在(0,5)mm;3、安全零伤害作业流程图人员铝模安装工施工准备作业卡1.内墙模板传递2. 外墙板安装3. 内墙板安装4. 销钉、销片补满梁模安装作业卡作业时间0.5天(每户型)(3~5人)物料脱模剂、胶杯、套管、单顶、对拉螺杆、销钉、销片、预制水泥内撑劳保防护劳保鞋、安全帽、安全带、手套设备工具撬棍、铁锤、滚筒激光水平仪、卷尺、线锥作业步骤编号及名称:01—内墙模板传递 图1 图2 图3作业事项内墙模板传递作业标准1、 (按编号依序传递至作业层,无错号;)按所装顺序反向进行传递,分边进行整齐码放;2、 码放整齐、堆码高度不超过0.9m;3、 位置准确,离墙边1m—1。

5m.作业方法1、 模板传递需两人配合作业,在传递过程中,上方人员及时用双手抓住墙板,并拉住墙板往上拉,下方人员及时用手往上推,直至离开所能够着高度后方可松手并离开(上方人员拿稳后通知下方人员,下方人员听到松手指令后才能放手.);2、 当下方人员松手后,上方人员逐级抓住工字铝部位往上提;3、 下方人员传递完后不要向上观望,防止水泥渣掉落眼睛与模板掉落;4、 上方人员水平抓住工字铝找到平衡位置,按所装位置分边进行整齐码放;(图3)5、 传递完模板后,及时用木板或竹夹板将传料口盖住注意事项1、 如模板码放没有场地,安装哪里模板就按照编号依次传递哪里模板;2、 模板传递时1m范围内没有杂物,防止人员滑倒;3、 第一块模板与混泥土接触面朝上进行摆放;4、 模板传递至作业面后,不得斜靠在钢筋骨架上,以免倾倒伤人;5、 在模板传递过程中,严禁其他人员在传料口附近,以免伤人.作业步骤编号及名称:02—1—外墙板外侧安装 墙板清理墙板拆除刷脱模剂 图1 图2 图3墙板安装墙板安装墙板传递 图4 图5 图6作业事项外墙板安装作业标准拼缝(0,1)mm、垂直度(0, 3)mm、平整度(0, 3)mm 作业方法1、 外墙板安装必须由2人协调配合完成;2、 安装外墙模板时,顶部最上一块K板不拆,作为上层根部固定及限位,以防跑模、错台或漏浆;3、 外墙安装时,从阳角转角短边开始安装,遵循拆一块、清一块、刷一块、传一块、安一块的原则(图1-6);4、 外墙板与K板相连时,销钉大头朝上,先将K板上端侧面混凝土清理干净;5、 模板清理涂刷脱模剂(模板侧面也需涂刷脱模剂)后,上部人员双手抓紧模板控制好模板位置,下部人员进行外墙板与K板位置销钉、墙与墙之间的第二道销钉安装,完成后由上部人员进行墙与墙之间的第六道销钉安装;6、 下一块墙板按上述方法进行安装,直至外墙模板安装完成;注意事项1、 外墙模板严禁斜靠在外架上;2、 外墙对拉螺杆必须放置胶杯,避免后期质量隐患;3、 在外架上操作前需严格检查安全带是否牢固,竹夹板是否满铺,稳定。

作业步骤编号及名称:02—2外墙板内侧模板安装 图片1 图片2 图片3 图片4内撑、套管安放墙板安装 图5 图6 作业事项外墙板内侧模板安装作业标准1、 模板混凝土接触面及侧面均无混凝土残渣;2、 模板面脱模剂(25克/平米)满刷、均匀;3、轴线位置[0,3)mm、安装牢固,稳定作业方法清理→刷脱模剂→安装清理方法:1、 内墙板平行放置进行清理;2、 15mm以下时,用铲将板面及侧面的混凝土残渣进行清理;(图1)3、 1.5mm以上和模板侧面处残渣需用铁锤敲击,使之掉落,然后用铲进行清理(图2);4、 模板侧面先用铁锤将大块敲落,再用铲进行清理。

刷脱模剂方法:1、 刷脱模剂时,用手持滚筒粘上适量脱模剂后(滚筒平放入脱模剂液面1/3处即可),均匀涂刷模板表面;2、 站立在模板侧面中部,分两端来回滚涂,均匀涂刷模板表面,侧面也要刷脱模剂;(图3、4)刷脱模剂时,板面需平放,严禁斜靠在钢筋骨架上安装方法:1、 墙板按顺时针方向安装;2、 在墙板安装过程中,先将墙板竖立起来,如有对拉螺杆孔时,需先将相应位置的对拉螺杆穿过安装的墙板,然后在两块墙板间及对拉螺杆两侧各放置一条相应尺寸水泥预制内撑条(图5),再进行第六道和第二道的销钉安装,每隔1m将对拉螺杆上的山形螺母进行紧固(作为临时固定措施)(图6)并将对应位置支撑单顶拆除; 3、 当装至最后封板时,先将离封板最近的对拉螺杆处模板锁紧,再用撬棍将孔撬准并打上销钉.注意事项1、 与墙板连接不需拆除的横身板、角铝等模板也需根据上述要求清理;2、 用锤子清理时,需控制好力度,防止模板变形、损坏;3、 脱模剂涂刷不得过厚,造成材料浪费、脱模剂不得漏刷; 作业步骤编号及名称:03—内墙板安装 图1 图2 图3 作业事项内墙板安装作业标准轴线位置(0, 3)mm,拼缝[0, 1]mm,垂直度(0, 3)mm、平整度(0, 3)mm。

作业方法1、 内墙板边清理边涂刷脱模剂进行安装;清理、涂刷脱模剂方法同《外墙板内侧模板安装》中的清理、涂刷脱模剂方法2、 安装有外墙的内墙时,先从与外墙连接的转角短边开始安装,只安装第二道和第六道销钉;3、 安装无外墙的内墙时,从短边墙封板按顺时针安装第六道和第二道销钉(先装从下往上第六道销钉,然后安装第二道)(图1);4、 模板安装超过12m时,需增加单顶或斜撑斜顶住,单顶支撑角度在45~60度之间(图2、3);5、 内墙单侧模板安装完成后,对拉螺杆和胶杯套管需全部安装完成后,方可安装另一侧模板安装方法同《外墙板内侧模板安装》注意事项1、 安装内墙板时,必须用单顶临时支撑,以防墙板倾倒伤人;2、 安装人员站立区域不得有其他杂物堆放3、 水电预埋线盒、线管需移动时,不得私自拆除或移动,及时通知水电班组进行调整作业步骤编号及名称:04—销钉、销片补满 作业事项销钉、销片补满作业标准销钉全部满打、打紧作业方法1、 待整面墙板安装完毕后,打满销钉、销片,不得漏打;(图1)2、 遇楔形销片时,直角边靠墙面,销片大头朝上.注意事项锤子拿锤杆3/2位置,用力灵活防止锤子掉落一、异常处理: 序号异常处理方法处理责任人01墙板对拉螺杆孔被钢筋挡住用铁锤将钢筋敲开02最后一块墙封板装不上先固定封板两对角,再从两端依序往中间合拢 墙柱模板加固谊科铝模墙柱模板加固作业卡(标准层)部门: 工程部编制: 审核: 审批:文件号:JG—GC-AZ—0005岗位:总页数:生效日:目的安全零伤害。

作业流程图人员铝模安装工梁模安装作业卡4. 质量检查与调校3. 斜撑安装2. 斜撑、铁链、风钩传递1背楞传递及安装墙柱安装作业卡作业时间0.5天(每户型)(3~5人)物料山形螺母、铁片、七字扣劳保防护劳保鞋、劳保服、安全帽、手套设备工具撬棍、铁锤、激光水平仪、卷尺、线锥作业步骤编号及名称:01— 背楞传递及安装 背楞整齐平放 图1 图2 图3阳角处对拉螺杆 图4 图5 图6作业事项背楞传递及安装作业标准背楞传递快速安全,摆放整齐、位置准确、码放高度不超过0.9mm作业方法1、 下方人员将背楞搬至拆模层传料口旁,竖起背楞,往上递;(图1)2、 上方人员及时用双手抓住背楞并往上拉,下方人员及时用手往上推,直至离开所能够着高度后方可松手并离开(上方人员拿稳后通知下方人员,下方人员听到松手指令后才能放手);(图2) 3、 背楞安装采取从下往上安装,有外墙的先安装外墙;(图1、2)4、 阳角部位背楞限位条靠紧模板内侧边缘,背楞先安装阴角部位,后安装阳角部位,阳角位置安装必须水平拉紧(图3);5、 每装一条背楞,必须安装铁片及山形螺母,铁片垂直扣住背楞,随后紧固山形螺母,对拉螺杆超出背楞两端的长度大致一致,不短于50mm;阳角位置装铁片。

6、 墙封板位置必须安装对拉螺杆,紧急靠封板;7、 墙两侧背楞安装完成后,再对山形螺母进行加固,需两人在墙两侧同时配合施工注意事项1、 传递前需确认拆模层传料口已经封堵,传料口1m内区域无其他物品堆放;2、 传递过程中,确定上方人员抓牢背楞后,下方人员方可松手并离开,以免模板掉落伤人3、 传递完后不要向上观望,防止水泥渣掉落眼睛与模板掉落;4、 当背楞长度超过3米须两人配合施工;5、 如有第四道背楞且第四道背楞对拉螺杆孔离墙板上端距离不足100mm,先不安装,待安装完楼面板后再进行安装.作业步骤编号及名称:02— 斜撑传递 、铁链、风钩传递 图1 图2 图3作业事项斜撑传递作业标准斜撑传递快速安全,摆放整齐作业方法1、 下方人员将斜撑搬至拆模层传料口旁,竖起斜撑,往上递(图1);2、 上方人员及时用双手抓住斜撑,并拉住斜撑往上拉,下方人员及时用手往上推,直至离开所能够着高度后方可松手并离开(上方人员拿稳后通知下方人员,下方人员听到松手指令后才能放手)(图2); 3、 将传递上来的斜撑按整齐水平摆放至地面(图3); 4、 按上述步骤依次将所有斜撑传递,直至传递完毕;5、 用灰桶收集好固定码、铁链、风钩从楼梯提至作业层。

注意事项1、 传递前需确认拆模层传料口已经封堵,传料口1m内区域无其他物品堆放;2、 传递过程中,确定上方人员抓牢斜撑后,下方人员方可松手并离开,以免模板掉落伤人3、 传递完后不要向上观望,防止水泥渣掉落眼睛与模板掉落.作业步骤编号及名称:03-斜撑安装 长边450-550短边100-150斜撑只能撑,严禁拉 图1 图2 图3作业事项斜撑安装 作业标准1、 墙柱模板两侧安装斜撑,斜撑间距不大于1600mm;宽度≥1300mm的墙体设置不少于两根斜撑,宽度<1300mm的墙体或剪力墙短肢设置不少于一根斜撑,两边斜撑离封板间距300mm;2、 固定码离墙间距需满足斜撑长边与地面夹角角度为450~550,斜撑短边与地面夹角角度为100~150;作业方法安装原则:外墙全部安装斜撑、铁链并调节至标准范围之内,每户再选取各自户型中间位置选取一面内墙安装斜撑做定位用(楼梯户型特殊情况除外),其余斜撑在装完楼面板之后再安装.1、 固定码安装在预埋螺栓位置,用螺母拧紧;2、 斜撑短边置于从下往上数第一排背楞上,长边置于从下往上数第三排背楞上;(图3)3、 以先下后上的顺序,依次安装斜撑。

一手握住横边在左侧的七字扣横穿过背楞,顺时针方向旋转,垂直扣住背楞;另一手将L型码穿过七字扣螺杆,然后安装山形螺母,紧固山形螺母;4、 以先下后上、先短后长的顺序,将斜撑短、长杆撑在固顶码U型卡位置用螺栓连接,并调整 注意事项1、 斜撑只能撑,严禁向斜撑端拉;2、 固定码安装牢固作业步骤编号及名称:06-质量检查与调校 图1 图2 图3作业事项质量检查与调校作业标准平整度(0,3)mm,垂直度(0,3)mm,标高(0,5)mm作业方法1、 观察墙体是否与墙体定位线重合,有误差进行调节;2、 用激光水平仪对齐1m标高控制线,观察激光线是否与墙面控制点重合;(图1)3、 混凝土面低于设计标高5mm以上,用废钢筋头填塞模板下端缝隙,直至符合安装要求;4、 把线锥杆插入最上面一道背楞上面,线锥垂直向下离地面50mm左右,稳住线锥(如线锥摆动则取中间值)5、 用卷尺测量墙面与吊线的垂直距离,同一竖向面取点不少于3个(下、中、上),同一面墙取点间距为500mm。

以下点为标准复核墙面垂直度,出现误差立即调节(图2)6、 如上端尺寸小于下端,则用斜撑向外撑进行调节,如上端尺寸大于下端,则用铁链及风钩往内拉(图3);7、 外墙模板垂直度调校时,线锥延伸到下层墙面不少于1m,上下垂直度偏差≤5mm,且上口应向内偏检查时,离转角≤200mm铁链风钩安装方法:1、 两条铁链分别平行于长短边斜撑; 2、 长斜撑旁边那一条铁链一端从背楞与墙板间隙从上往下穿过,用风钩固定在铁链中部,铁链另一端先与风钩相连,风钩另一端固定在固定码的圆孔上,并大致拉紧;短斜撑旁边那一条铁链,先把铁链从背楞与墙板间隙从上往下穿过,两端均固定在风钩一端,风钩另一端风钩另一端固定在固定码的圆孔上,并大致拉紧注意事项1、 复核墙体标高时,同一面墙体取3点(两边各一点、中间一点)一、异常处理: 序号异常处理方法处理责任人11m标高控制线高度与墙面控制点高度不重合①利用千斤顶顶起模板,塞入垫物,直至高度重合②利用千斤顶顶起模板进行剔凿,直至高度重合安装工2墙体与墙体定位线不重合通过撬棍进行适当调节,严禁暴力施工安装工3墙体垂直度不满足要求当墙体朝外倾斜时,用铁链向内侧拉紧调节;当墙体向内倒时,用斜撑朝外支撑进行调节安装工 梁模安装谊科铝模梁模安装作业卡部门: 工程部编制: 审核:审批:文件号:JG-GC-AZ -006岗位:安装技工总页数:生效日:目标1、 平整度(0, 3)mm,垂直度(0, 3)mm,标高控制在(0, 5)mm;2、 安全零伤害.作业流程图人员铝模安装工楼梯安装作业卡6.质量检查与调校5.内梁侧模清理、安装4.内梁侧模传递3梁底模安装2梁底模传递1.单顶传递墙柱安装作业卡作业时间0.5天(每户型)(3~5人)物料单顶、销钉、销片劳保防护劳保鞋、安全帽、安全带、手套设备工具撬棍、铁锤、工作凳作业步骤编号及名称:01—单顶传递 图1 图2 图3作业事项单顶传递作业标准定置堆码、码放高度小于0。

9米作业方法1、 4人分别站立于作业层至最下支撑层传料口旁(每层一个人,间隔层人员站立在传料口旁相同方向);2、 最下方人员将单顶搬至拆模层传料口旁,竖起单顶往上递;(图1)3、 上方人员及时用双手抓住单顶外管,并拉住螺纹下部往上拉,下方人员及时用手往上推单顶底部,直至离开所能够着高度后方可松手并离开(上方人员拿稳后通知下方人员,下方人员听到松手指令后才能放手);(图2)4、 将传递上来的单顶整齐水平摆放至地面;(图3)5、 传递完单顶及时将传料口进行封堵注意事项1、 单顶等转运时,上层人员没有抓紧之前,下方人员不得松手;2、 传递单顶时上方人员先抓螺纹下部,防止掉落;3、 单顶传递上来后严禁将单顶抛掷,而导致插销遗落;4、 传递完后不要向上观望,防止水泥渣掉落眼睛与单顶掉落;5、 下方人员用手托举单顶时手不要放入外管,防止内管夹手作业步骤编号及名称:02—梁底模传递 图1 作业事项梁底模传递作业标准梁模板快速安全传递,摆放整齐、位置准确、码放高度不超过0。

9mm作业方法1、 下方人员将梁底模搬至拆模层传料口旁,竖起梁底,往上递;(图1);2、 上方人员及时用双手抓住梁底模,并拉住梁底模内侧工字铝逐级往上拉,下方人员及时用手往上推,直至离开所能够着高度后方可松手并离开(上方人员拿稳后通知下方人员,下方人员听到松手指令后才能放手);3、 将传递上来的梁底模按所装位置水平摆放至地面;4、 按上述步骤依次将所有梁底模传递,直至传递完毕注意事项1、 传递前需确认拆模层传料口已经封堵,传料口1m内区域无其他物品堆放,传递完毕及时将传料口进行封堵;2、 传递过程中,确定上方人员抓牢模板后,下方人员方可松手并离开,以免模板掉落伤人;作业步骤编号及名称:03-梁底模安装 图1 图2 用油漆标记以免错装 图3 图4 作业事项梁底模安装作业标准平整度(0, 3)mm作业方法在安装前需先将梁底模平躺放置,梁底C槽与钢筋网接触面及梁底面小于滚筒长度时要先刷脱模剂在进行安装.。

一、整条(小于等于3m)梁底安装方法: 1、 将工作凳分别摆放至所装梁底模两端,用灰桶准备适量销钉销片,并挂在所装梁底模旁墙板销钉孔上;(图1)2、 两人分别站立于梁两端,将梁抬至工作凳上,站立于凳面将梁底模水平抬起,固顶支撑面朝下;(图2)3、 第三人站于梁底模中部并用单顶进行支撑(图3);4、 两端分别与其对应墙柱位置对齐用销钉连接紧固(销钉大头朝上);1、 当整条梁底模安装完毕后,及时补满单顶,并目测将梁底调至大致水平,保证单顶垂直二、梁底模(大于3m)分段方法: 1、 将工作凳分别摆放至所装梁底模两端,用灰桶准备适量销钉销片,并挂在所装梁底模旁墙板销钉孔上;2、 两人分别站立于梁两端,将梁抬至工作凳上,站立于凳面将梁底模水平抬起,固顶支撑面朝下;3、 一端对应墙柱位置对齐用销钉连接紧固(销钉大头朝上),另一端用单顶支撑;4、 抬起梁的人不动,连接好梁底的人与第三人水平抬起另一段梁底,以同样的方法把梁底连接;5、 当整条梁底模安装完毕后,及时补满单顶,并将梁底调至大致水平,保证单顶垂直.注意事项1、 梁板安装遵循先主梁后次梁,先公共部位后户型部位;2、 首次安装用2mm油漆笔将梁底C槽正反面做标记,以免错装,梁底C槽与墙板相连部位销钉不得少于2道;(图4)3、 次梁与主梁连接时,次梁架于主梁的位置不能出现错误(一般用油漆在连接部位标记);4、 严禁踩踏在墙柱模板上,严禁从凳上往下跳跃.作业步骤编号及名称:05—内梁侧模传递 图1 图2作业事项内梁侧模传递作业标准快速安全、位置准确、码放高度不超过0。

9m作业方法1、 下方人员将梁侧模搬至拆模层传料口旁,往上递;(图1)2、 上方人员及时用双手抓住梁侧模,下方人员及时用手往上推,直至离开所能够着高度,下方人员得到上方人员松手指令后,方可松手并及时离开;(图2)3、 将传递上来的梁侧模按所装位置依次水平摆放至地面;4、 按上述步骤依次将所有梁侧模传递,直至传递完毕.注意事项1、 传递前需确认拆模层传料口已经封堵,传料口1m内区域无其他物品堆放;2、 传递过程中,确定上方人员抓牢模板后,下方人员方可松手并离开,以免模板掉落伤人;3、 模板传递至作业面后,不得斜靠在墙柱模板及单顶上,以免倾倒伤人;4、 传递模板一间房传完后再传另外一间作业步骤编号及名称:05—内梁侧模清理、安装 图1 图2间距不大于300mm 图3 图4作业事项内梁侧模清理、安装作业标准连接紧固 作业方法1、 用铲将梁侧模板面和侧面清理干净并均匀涂刷脱模剂,按所装位置依序摆放(图1、2);2、 按编号进行依序安装; 3、 操作凳摆放于所装梁侧模旁,安装技工站立于凳面,灰桶装好销钉销片并挂在梁底模销钉孔处; 4、 将梁侧模放置于梁底模对应位置上,对上销钉孔,用销钉连接,梁侧模按编号依序安装;(图3)5、 梁侧模与梁底模相连时,每块侧模两端必须打销钉,销钉间距不超过300mm,销钉大头朝上;(图4)6、 相邻侧模最上、下必须打销片且大头朝上,销钉间距不超过100mm。

7、 如果最后一块梁侧模比较紧不好装,可以放松相邻C槽,先装侧板再装C槽.注意事项1、 销片直角边靠模板内侧;2、 严禁踩踏在墙柱模板上,严禁从凳上往下跳跃作业步骤编号及名称:06—质量检查与调校 作业事项质量检查与调校作业标准水平、垂直、拼缝严密作业方法1、 检查销钉是否按标准打满,销钉销片紧固,嵌入深度是否超过一半;2、 目测梁底模是否水平,如不平,用单顶进行调节;3、 检查梁底模与固顶盒相连是否紧固,牢靠;4、 从两个相互垂直方向观察,将单顶调校垂直,单顶顶到位;注意事项一、异常处理: 序号异常处理方法处理责任人1超过3m的梁底模安装不上检查两端墙柱是否偏移,若偏移则立即调整;安装工2相交两梁底模装不上检查相接位置有无错误,若错误则立即调整安装工3梁侧模安装不上检查梁底是否调平安装工4梁底模安装不上去下一层相应位置对照检查固顶是否装错安装工楼梯安装谊科铝模楼梯安装作业卡部门: 工程部编制: 审核:审批:文件号:JG—GC-AZ—0007岗位:安装工总页数:生效日:目标1、 平整度(0, 3)mm;2、 垂直度(0, 3)mm;作业流程图物料销钉、对拉螺杆、套管、胶杯、山形螺母、单顶、铁片、预制水泥内撑劳保防护安全帽、劳保服、劳保鞋穿戴规范设备工具铁锤、撬棍、滚筒、楼梯专用工作凳作业步骤编号及名称:01-楼梯下斜墙、C槽安装 图1 图2 图3作业事项楼梯下斜墙、C槽安装作业标准1、 平整度(0, 3)mm1、 作业方法2、 在下一层楼梯踏步上放稳楼梯专用工作凳,安装技工站立于工作凳上;3、 依次从三角板位置一端开始安装,与K板连接时销钉大头朝上;(图1)4、 遇有对拉螺杆孔边装边进行套管胶杯、对拉螺杆、水泥内撑预埋;5、 依次安装剩余墙板直至另一端;6、 安装下斜墙相应背楞并紧固到位。

图2)7、 C槽从楼梯下斜墙另一端(斜墙最矮的那端)开始安装,与起步C槽相连,直到另一端与梁连接图3)注意事项1、 斜墙需先清理并均与涂刷脱模剂后方可进行安装;2、 斜墙板头部比较尖锐,安装时防止划伤;3、 C槽与每块斜墙板相连时必须打二颗销钉. 图1 图2作业步骤编号及名称:02—质量检查作业事项下斜墙垂直度、平整度,起步C槽标高检查作业标准垂直度(0,3)mm平整度(0,3)mm、标高(0,5)mm作业方法4、 检查300mm墙柱控制线是否正确;5、 用激光水平仪检查下斜墙是否满足垂直度、平整度要求;6、 检查起步C槽混凝土标高是否满足设计标高(检查点:两边与起步C槽相接的部位)图1、图2)注意事项检查不合格立即整改作业步骤编号及名称:03—底笼、底板安装 图1 图2 图3作业事项楼梯底笼、底板安装作业标准拼缝不超过[0, 1]mm,板面平整度(0, 3)mm作业方法一、整体底笼安装方法:1、 两人各抬底笼一端,一人将底笼下端与起步C槽孔对准,用销钉打上,另一人将底笼上端与底板C槽相连,用销钉打紧,并用单顶支撑,加满;(图1)2、 按上述步骤安装剩余底笼;3、 从下往上依序安装楼梯底板,底板采取“三固一法"即第一、二块底板装上后,先固定正面及一端销钉,另一端只插入销钉.当安装第三块底板时,再用销钉固定第一块的另一端,以此类推;(图2)4、 底板装好后,用单顶将底板调平。

图3)二、分段底笼安装方法:1、 从下往上依序安装底板,边装底板边装两侧底笼和固顶,用销钉打紧,并用单顶支撑,加满;2、 底板、底笼安装好后与休息平台梁底固定好;3、 用单顶将底板调平.注意事项1、安装底板时,先清理再安装;2、安装底板时,需注意安全,防止滑倒作业步骤编号及名称:04-楼梯上斜墙安装 上斜墙安装内撑安放背楞安装 图1 图2 图3 作业事项楼梯上斜墙安装 作业标准平整度(0, 3)mm;作业方法1、 安装需两人配合完成;2、 安装技工站立于底板上,从楼梯踏步开始端连接普通墙板开始依序安装;(图1)3、 如有对拉螺杆孔时,需先将相应位置的对拉螺杆穿过安装的墙板,然后在两块墙板间及对拉螺杆两侧各放置一条相应尺寸水泥预制内撑条,每隔1m把对拉螺杆上的山形螺母进行紧固,作为临时固定措施;(图2)4、 安装完上斜墙后,装上相应背楞并紧固(图3)注意事项1、 站立于底板面时,防止滑倒;2、 斜墙需先清理并均与涂刷脱模剂后方可进行安装。

作业步骤编号及名称:05-楼梯中梁模、起步C槽安装 图1 图2 图3作业事项楼梯中梁模、起步C槽安装作业标准平整度(0, 3)mm、垂直度(0, 3)mm作业方法1、 从一端向另一端依次安装梁底模,边装底模边加单顶,并紧固;(图1)2、 将起步C槽及异形板在地面进行清理;3、 从一端向另一端依将C槽、异形板与相应休息平台梁固定;(图2)4、 从一端向另一端依次安装梁侧模;(图3)5、 遇有对拉螺杆孔的,及时将套管装上注意事项1、 站立于底板面时,防止滑倒;作业步骤编号及名称:06—楼梯踏步侧板、狗牙C槽安装 图1 图2 作业事项楼梯踏步侧板、狗牙C槽安装作业标准拼缝不超过[0,1]mm、垂直度(0,3)mm作业方法1、 楼梯踏步侧板从上往下进行安装,边装边用铲进行混凝土清理;(图1)2、 将狗牙板清理干净,并均匀涂刷脱模剂;3、 安装狗牙C槽需两人配合完成。

两人各抬狗牙板一端,对齐相应斜墙位置,打紧销钉(销钉间距不超过300mm); (图2)4、 将底板、侧板均匀涂刷脱模剂注意事项1、 装狗牙C槽时,踩底板上防止滑倒;2、 狗牙C槽与墙板在同一垂直面3、 安装完狗牙与侧板后将底板清理干净并涂刷脱模剂等待干后进行钢筋绑扎作业步骤编号及名称:07-楼梯踏步安装 图1 图2 图3作业事项楼梯踏步安装作业标准平整度(0,3)mm、垂直度(0,3)mm作业方法1、 待钢筋绑扎完后,再进行踏步安装;2、 先将楼梯踏步挡板处地面找平,清理挡板板面,均匀涂刷脱模剂,再将挡板与楼梯两侧侧板用销钉打紧;(图1)3、 从下往上依序安装踏步,踏步需先清理并均匀涂刷脱模剂.(图2)踏步安装方法:(二固一法)安装第一个踏步时,把踏步与侧板相连一端及与挡板相接处打紧,另一端先只放入销钉,照上面方法装二个踏步后,再将第一块踏步另一端用销片紧固,依次安装,直至完毕。

图3)注意事项1、 楼梯踏步各部位不得漏刷脱模剂;2、 安装楼梯踏步时检查钢筋是否阻挡对拉螺杆预埋孔,如有阻挡,用铁锤,撬棍拨开作业步骤编号及名称:08— 楼梯加固 U型槽 图1 图2 图3作业事项楼梯加固作业标准背楞紧固到位作业方法1、 踏步安装完毕后,将对拉螺杆穿过管套;2、 装上踏步上的背楞,并装上铁片及山型螺母;3、 3人协同装底板下的背楞,两人各抬一端,将背楞对好对拉螺杆 ,另一人装上铁片、山型螺母,然后将背楞紧固; 4、 踏步加固后,用U型槽将两边楼梯及中梁加固,U型槽间距不超过800mm一道.(图2)(图3)注意事项1、PVC套管两端必须超出踏步及底板50mm,防止以后对拉螺杆无法拔出(图1)作业步骤编号及名称:9—质量检查与调校 作业事项质量检查与调校作业标准单顶垂直、销钉满打, 单顶垂直度≤层高的1/300,上下层单顶定位偏差≤30mm作业方法1、 将单顶顶满、顶紧、顶直;2、 销钉销片无少打漏打或者掉落;3、 背楞紧固到位.一、异常处理: 序号异常处理方法处理责任人1起步C槽过高将起步C槽拆除,相应位置用木模进行封堵安装工2楼梯底板无法安装重新检查墙体垂直度,放松底笼安装工 楼面板安装谊科铝模楼面板安装作业卡部门: 工程部编制: 审核:审批:文件号:JG—GC—AZ -0008岗位:安装工总页数:生效日:目标1、 平整度(0,3)mm, 标高控制在(0,5)mm;2、 产能:60平方/人·天;3、 安全零伤害。

作业流程图人员铝模安装技工梁模安装作业卡X.剩余斜撑安装及调校6.楼面板安装吊模安装作业卡10.质量检查与调校8. 楼面清理、刷脱模剂7. 预留洞口盒安装9.质量检查与调校5.楼面板传递4.底笼安装3底笼传递2.楼面C槽安装1.楼面C槽传递作业时间05天(每户型)(5~6人)物料单顶、销钉、销片、脱模剂劳保防护劳保鞋、安全帽、安全带、手套设备工具撬棍、铁锤、滚筒刷、激光水平仪、标尺、铁铲、工作凳作业步骤编号及名称:01-楼面C槽传递楼面C槽摆放下方人员传递楼面C槽 图1 图2 作业事项楼面C槽传递作业标准快速安全、摆放整齐、位置准确、堆码高度不超过09m作业方法1、 下方人员将楼面C槽搬至拆模层传料口旁,竖起C槽,往上递;(图1)2、 上方人员及时用双手抓住楼面C槽,并拉住楼面C槽逐级往上拉,下方人员及时用手往上推,(上方人员拿稳后通知下方人员,下方人员听到松手指令后才能放手); 3、 将传递上来的楼面C槽按所装位置水平摆放至地面;(图3)4、 按上述步骤依次将所传房间楼面C槽传递,直至传递完毕。

注意事项1、 传递前需确认拆模层传料口已经进行封堵,传料口1m范围内没有杂物码放;。

下载提示
相关文档
正为您匹配相似的精品文档