文档详情

江苏造价员考试市政工程案例模拟试题含答案

go****ng
实名认证
店铺
DOC
1.90MB
约15页
文档ID:155924385
江苏造价员考试市政工程案例模拟试题含答案_第1页
1/15

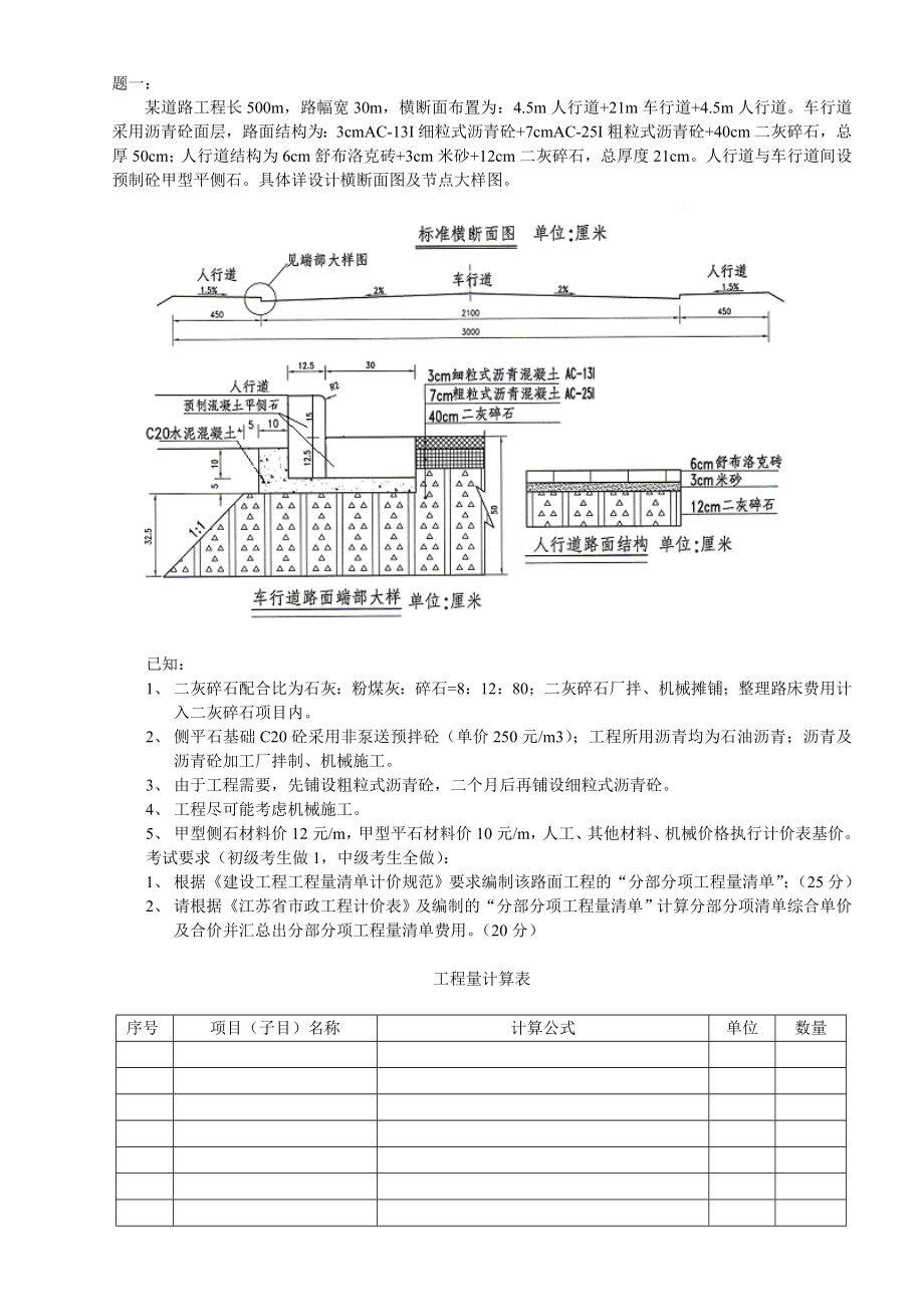
题一:某道路工程长500m,路幅宽30m,横断面布置为:4.5m人行道+21m车行道+4.5m人行道车行道采用沥青砼面层,路面结构为:3cmAC-13I细粒式沥青砼+7cmAC-25I粗粒式沥青砼+40cm二灰碎石,总厚50cm;人行道结构为6cm舒布洛克砖+3cm米砂+12cm二灰碎石,总厚度21cm人行道与车行道间设预制砼甲型平侧石具体详设计横断面图及节点大样图已知:1、 二灰碎石配合比为石灰:粉煤灰:碎石=8:12:80;二灰碎石厂拌、机械摊铺;整理路床费用计入二灰碎石项目内2、 侧平石基础C20砼采用非泵送预拌砼(单价250元/m3);工程所用沥青均为石油沥青;沥青及沥青砼加工厂拌制、机械施工3、 由于工程需要,先铺设粗粒式沥青砼,二个月后再铺设细粒式沥青砼4、 工程尽可能考虑机械施工5、 甲型侧石材料价12元/m,甲型平石材料价10元/m,人工、其他材料、机械价格执行计价表基价考试要求(初级考生做1,中级考生全做):1、 根据《建设工程工程量清单计价规范》要求编制该路面工程的“分部分项工程量清单”;(25分)2、 请根据《江苏省市政工程计价表》及编制的“分部分项工程量清单”计算分部分项清单综合单价及合价并汇总出分部分项工程量清单费用。

20分)工程量计算表序号项目(子目)名称计算公式单位数量分部分项工程量清单工程名称:某道路路面工程序号项目编码项目名称项目特征计量单位工程数量 1    M2  2      3      4     5                   分部分项工程量清单综合单价分析表工程名称:某道路路面工程序号项目编码(定额编号)项目(子目)名称及说明计量单位工程数量金额(元)(综合)单价合价                                                       合计    题二(25分):某新建污水工程,长200m,设计采用D1000mm钢筋砼平口管(钢丝网水泥砂浆接口)、省标135度C15砼基础、省标丙型窨井(混凝土流槽式,假设为240度流槽)纵断面、管基断面图、窨井图(假设A=1.6m)如下所示已知:工程现状为农田,土质为三类干土;为减少土方工作量采用支撑直槽开挖,机械施工,所挖土方推土机推放于沟槽20米外堆放,回填时再用推土机推回,余方就地弃置;设计要求沟槽土方回填密实度为93%(重型击实);工程施工后按原地形恢复;每节钢筋砼管道长度为2米;窨井钢筋砼盖板采用成品构件;每座窨井体积暂定10立方米。

请按《建设工程工程量清单计价规范》要求编制该工程“分部分项工程量清单”并按《江苏省市政工程计价表》有关工程量计算规则规定计算实际施工工程量即可直接套用定额子目的工程量(假设窨井直接按座数套用定额)清单工程量计算表序号项目名称计算公式单位数量实际施工工程量计算表序号项目名称计算公式单位数量分部分项工程量清单工程名称:某污水工程序号项目编码项目名称项目特征计量单位工程数量                                            题三(25分)某1-13m简支板梁桥,桥宽38米;上部结构采用装配式预应力空心板梁,下部结构为:∮80cm桩基础+100cm厚C25砼基础(下设20*20cm∮16钢筋网)+重力式桥台,具体设计布置如下图所示:工程招标过程中业主已提供工程量清单,其中关于该桥基础部分的清单项目描述如下:分部分项工程量清单工程名称:某桥梁基础序号项目编码项目名称项目特征计量单位工程数量1040301007001机械成孔灌注桩 水上1、 桩径:∮80cm2、 桩长:17.15m3、 岩土类别:砂、粘性土4、砼强度等级:C25m823.20 2040302002001砼承台 1、部位:桥台  2、砼强度等级:C253、垫层:100mm厚C20砼M3363.66 3040701002001非预应力钢筋 1、材质:普通钢筋  2、部位:灌注桩t29.773 4040701002002非预应力钢筋 1、材质:普通钢筋∮>10mm  2、部位:承台t5.803 已知:桩位河床平均标高为1.2m,桩位处自标高0.5m以下4m厚为粘土层、粘土层以下为砂性土及粘性土;施工水位标高为2.7m;进1台钻机即可满足工期需要,钻机组拆费为2271.81元;泥渣外弃运距5km;假设护筒顶及底设置按规定上限取定;由于施工需要,支架平台需贯通两岸;砼现场拌制;凿桩头按0.5倍直径考虑,不考虑弃置费用;垫层宽出基础10cm;人工、材料、机械价格执行计价表基价。

请按所提供的分部分项工程量清单,按《建设工程工程量清单计价规范》要求,套用《江苏省市政工程计价表》计算该桥梁基础分部分项清单综合单价,并汇总出合价工程量计算表序号项目名称计算公式单位数量分部分项工程量综合单价分析表工程名称:某桥梁基础序号项目编码(定额编号)项目(子目)名称及说明计量单位工程数量金额(元)综合单价合价1040301007001机械成孔灌注桩 水上m823.20   2040302002001砼承台 M3363.66   3040701002001非预应力钢筋 t29.773   4040701002002非预应力钢筋 t5.803     合计    题四(25分)某驳岸工程长150m,两侧均与老驳岸相接,每15m设置一道沉降缝,材料为三油二毡驳岸每3m布置∮6cm塑料泄水孔,泄水孔后设50cm宽、30cm厚反滤层,反滤层通长布置,外裹土工布驳岸断面如图所示招标中业主提供的分部分项工程量清单如下表:分部分项工程量清单工程名称:某驳岸工程序号项目编码项目名称项目特征计量单位工程数量1040301003钢筋砼方桩含钢筋、模板型式:方形,砼强度:C30,断面:20*20cm,斜率:无,部位:驳岸基础下 m19002040305001挡墙基础材料品种:现浇砼  砼强度:C20 m3592.43040305002现浇夹石砼挡墙墙身 砼强度:C20,泄水孔:∮6cm塑料管,滤水层:50*30cm碎石、通长布置 m31157.254040201012土工布材料品种:土工布规格:透水m22405040305004挡墙砼压顶 砼强度:C20 m319.56040701002非预应力钢筋 材质:普通钢筋 部位:挡墙基础 t9.48请根据《建设工程工程量清单计价规范》规定,对上述清单进行分析,并提供正确的分部分项工程量清单(已知:工程用20*20*200cmC30砼桩950根;设计钢筋用量为桩∮10内钢筋2.822t、桩∮10外钢筋9.519t、基础∮10外钢筋9.48t;基础厚100cm;墙身毛石含量20%。

分析:分部分项工程量清单(修正后)工程名称:某驳岸工程序号项目编码项目名称项目特征计量单位工程数量试题1答案:工程量计算表序号项目(子目)名称计算公式单位数量13厘米厚细粒式沥青砼沥(21-0.3*2)*500m210200粘层油同上m21020027厘米厚粗粒式沥青砼沥同上m210200透层油同上m210200340厘米二灰碎石(坡脚还原成40厘米再计算)(21+(0.125+0.1+0.05-0.075+0.4/2)*2)*500m210900整理路床(按教材案例计算)m210900顶层养生(按教材案例计算)m2109004人行道块料铺设(4.5-0.125)*2*500m24375路床整型碾压同上m2437512厘米二灰碎石同上m24375顶层养生同上m243753厘米米砂垫层同上m243756厘米舒布洛克砖同上m243755平侧石铺设500*2m1000C20砼基础(0.525*0.05+0.1*0.1)*1000=0.03625*1000m336.25基础模板(措施费)0.15*1000m2150平石500*2m1000侧石500*2m10006工程类别:道路三类分部分项工程量清单工程名称:某道路路面工程序号项目编码项目名称项目特征计量单位工程数量 1040202006001石灰、粉煤灰、碎石1.材料品种:厂拌二灰碎石;2.厚度:40厘米;3.碎石规格:25~40mm;4.配合比: 石灰:粉煤灰:碎石=8:12:80m210900.00 2040203004001沥青砼 1.沥青品种:石油沥青;2.石料最大粒径:25mm;3.厚度:7cmm210200.00 3040203004002沥青砼 1.沥青品种:石油沥青;2.石料最大粒径:13mm;3.厚度:3cmm210200.00 4040204001001人行道块料铺设 1.材质:舒布洛克砖;2.尺寸:20*10*6cm;3.垫层及基层:3cm米砂垫层、12cm厂拌二灰碎石基层m24375.00 5040204003001安砌侧平石 1.材料:预制砼;2.尺寸:侧石断面12.5*27.5cm、平石断面30*12.5cm;3.形状:长方体(“L”型);4.基础:C20砼基础及靠背m1000.00分部分项工程量清单综合单价分析及汇总工程名称:某道路路面工程序号项目编码(定额编号)项目(子目)名称及说明计量单位工程数量金额(元)(综合)单价合价1040202006001石灰、粉煤灰、碎石m210900.0053.56 583753.86 2-1整理路床100 m2109109.2811911.522-177*2二灰结石基层 场拌机铺 40cm100 m21095222.70569274.302-193顶层多合土养生 洒水车撒水100 m210923.562568.042040203004001沥青砼7cm m210200.0042.06 428984.46 2-275喷洒透层油 汽车式沥青喷洒机100 m2102253.6325870.262-295+2-296粗粒式沥青砼路面 机械摊铺 7cm100 m21023952.10403114.203040203004002沥青砼3cmm210200.0022.73 231864.36 2-273喷洒结合油 汽车式沥青喷洒机100 m2102206.9521108.902-311细粒式沥青砼路面 机械摊铺 3cm100 m21022066.23210755.464040204001001人行道块料铺设 m24375.0090.49 395877.13 2-2人行道整形碾压100 m243.7571.343121.132-176*4-2-177*3二灰结石基层 场拌机铺 12cm100 m243.751635.1171536.062-193顶层多合土养生 洒水车撒水100 m243.7523.561030.752-333米砂垫层 3cm10 m2437.5028.9512665.632-360铺苏普洛克道板100 m243.757029.11307523.565040204003001安砌侧平石 m1000.0042.21 42206.20 2-377换甲种路牙沿基础12.5*27.5cm(人工14.4*0.85*26=318.24, 去机械,管理费及利润159.12,去碎石,材料费3.625*1.02*250+42.9+2.75=970.03)100m101447.39 14473.90  2-379换砼侧石(去石灰砂浆及所涉及的其他材料费加侧石及所涉及的材料费)100m101572.37 15723.70  2-381换砼缘石(去石灰砂浆及所涉及的其他材料费加侧石及所涉及的材料费)100m101200.86 12008.60   合计   1682686.01 试题2答案清单工程量计算表序号项目名称计算公式单位数量1挖沟槽土方井位处挖方+管位处挖方m3912.03各节点处原地面-管内底起 点:4.12-1.582=2.538W1处:4.05-1.617=2.433 井深H=2.533W2处:4.053-1.667=2.386 井深H=2.486W3处:4.272-1.707=2.565 井深H=2.665W4处:4.587-1.742=2.845 井深H=2.945终 点:4.9-1.782=3.118上述井位处平均2.557;井位处挖方加深0.1+0.25+0.15=0.5米;管道处挖方加深0.1+0.15+0.1=0.35米;井深平均H=2.657;则C=2.54米,E=1.94米井位处挖方2.54*1.94*(2.557+0.1+0.25+0.15)*4m360.25起点~W1沟槽挖方((2.538+2.433)/2+0.35)*(35-1.94/2)*1.5m3144.99W1~W2沟槽挖方((2.433+2.386)/2+0.35)*(50-1.94)*1.5m3198.93W2~W3沟槽挖方((2.386+2.565)/2+0.35)*(40-1.94)*1.5m3161.31W3~W4沟槽挖方((2.565+2.845)/2+0.35)*(35-1.94)*1.5m3151.50W4~终点沟槽挖方((2.845+3.118)/2+0.35)*(40-1.94/2)*1.5m3195.052填方挖方-构筑物体积m3529.43构筑物所占体积(3.1416/4*1.2*1.2+0.15+0.467)*(200-1*4)+4*10m3382.603D1000钢筋砼管道铺设200m2004砖砌检查井4座座4实际施工工程量计算表序号项目名称计算公式单位数量1沟槽挖方总量 其中:沟槽宽度1.5+0.6*2+0.1*2=2.9米m31755.03起点~W1沟槽挖方((2.538+2.433)/2+0.35)*35*2.9*1.025m3295.00W1~W2沟槽挖方((2.433+2.386)/2+0.35)*50*2.9*1.025m3410.13W2~W3沟槽挖方((2.386+2.565)/2+0.35)*40*2.9*1.025m3335.95W3~W4沟槽挖方((2.565+2.845)/2+0.35)*35*2.9*1.025m3317.83W4~终点沟槽挖方((2.845+3.118)/2+0.35)*40*2.9*1.025m3396.12具体工程量:机械挖三类土1755.03*90%m31579.53人工配合挖沟槽三类土1755.03*10%m3175.50推土机推土1755.03m31755.03沟槽支撑1755.03/2.9/1.025*2m21180.842沟槽填方沟槽土方回填m31372.43推土机推土1372.43*1.15m31578.293D1000钢筋砼管道铺设省标135度砼基础200-1*4m196.00基础模板(措施工程量)(0.15+0.289)*2*196m2172.09排D1000钢筋砼管道200-1*4m3196.00钢丝网水泥砂浆接口34.5/2+49/2+39/2+34/2+39.5/2=17+24+19+16+19口95管道截断1+1+0+0+0根2管道闭水200m200.004检查井平均高2.66米检查井4座4基础模板(措施工程量)(2.54+1.94)*2*0.15*4m25.38流槽模板(措施工程量)240/360*3.1416*1*1*4m28.38砌井井字架(措施工程量)座4分部分项工程量清单工程名称:某污水工程序号项目编码项目名称项目特征计量单位工程数量1 040101002001挖沟槽土方 三类干土,挖深4米内,推土机推沟槽外堆放 m3912.032 040103001001填方 土方回填,密实度93%(重型击实),推土机自堆放点推回m3529.433 040501002001砼管道铺设 D1000钢筋砼管道,埋深2.39~3.12米,钢丝网水泥砂浆接口,135度C15砼管座,10厘米碎石垫层m200.004 040504001001砌筑检查井 砼流槽式砖砌丙型窨井,平均深2.66米,25厘米厚C15砼基础,15厘米厚碎石垫层,井内240度C15砼流槽座4试题3答案工程量计算表序号项目名称计算公式单位数量1钻孔桩水上支架平台(38.8-1.9*2+6.5)*(2.7+6.5)*2+(25-9.2*2)*6.5m2806.5机械竖拆架.次1埋设100cm护筒[2.7+1.5-(0.5-1.5)]*48m249.6成孔(1.2+16.75)*48 m861.6H=2.7+1.5+16.75=20.95,取40米子目制备泥浆3.1416/4*0.8*0.8*861.6*3m31299.27泥渣弃置3.1416/4*0.8*0.8*861.6m3433.09C25砼浇筑3.1416/4*0.8*0.8*(17.15+1)*48m3437.91凿除桩头3.1416/4*0.8*0.8*0.4*48m39.652承台C25砼(4.3*38.8+3*2.8*2)*1*2-3.1416/4*0.8*0.8*0.15*48m3363.66C20砼(4.5*39+3*3*2)*0.1*2-3.1416/4*0.8*0.8*0.1*48m336.293灌注桩钢筋t29.7734承台钢筋t5.803分部分项工程量综合单价分析表工程名称:某桥梁基础序号项目编码(定额编号)项目(子目)名称及说明计量单位工程数量金额(元)综合单价合价1040301007001机械成孔灌注桩 水上m823.20 594.35 489272.36 3-571搭拆水上支架平台 锤重1800kg100m28.06513962.30112605.95机械费竖拆桩架2271.81*1.42架次13225.973325.973-126埋设钢护筒 支架上 ∮<=100cm10m24.961078.1526910.623-138回旋钻机钻孔 ∮<=800 H<=40m 砂土、粘土10m86.161450.95125013.853-220泥浆制作10m3129.927141.3018358.693-221泥浆运输 运距5km10m343.309932.3640379.583-224换灌注桩砼 回旋钻机(C20变C25及其他材料费)10m343.7913697.31161908.903-596凿除桩顶砼 钻孔桩10m30.965796.68768.802040302002001砼承台 m3363.66 295.18 107343.55 3-288换C20砼垫层10m33.6292502.799082.623-292换C25砼承台10m336.3662702.0098260.933040701002001非预应力钢筋 t29.773 4332.21 128982.89 3-260钻孔桩钢筋笼制作、安装t29.7734332.21128982.894040701002002非预应力钢筋 t5.803 3390.14 19672.98 3-259钢筋制作、安装 现浇砼 ∮10mm以外t5.8033390.1419672.98  合计   745271.78 试题4答案分析过程:1、 项目编码均应为12位,应分别在其后添加“001”;2、 方桩模板属措施项目,不应列入分部分项清单;3、 桩钢筋应单独列项;4、 桩工程量应包含桩尖,为2.25*950=2137.5m5、 嵌桩石项遗漏,可列入基础项目内中;6、 夹石砼墙身夹石率应予描述;7、 遗漏三油二毡沉降缝,可列入墙身项目内;8、 土工布属滤层内容,不应单独列项,应计入挡墙墙身项目中;9、 工程量小数点后的位数不符合规范要求,改正后情况见表。

分部分项工程量清单(修正后)工程名称:某驳岸工程序号项目编码项目名称项目特征计量单位工程数量1040301003001钢筋砼方桩型式:方形,砼强度:C30,断面:20*20cm,斜率:无,部位:驳岸基础下 m2137.502040305001001挡墙基础材料品种:现浇砼  砼强度:C20垫层:30cm厚嵌桩石 m3592.403040305002001现浇夹石砼挡墙墙身砼强度:C20,泄水孔:∮6cm塑料管,滤水层:50*30cm碎石、通长布置、外裹土工布,夹石率:20%,沉降缝:三油二毡 m31157.254040305004001挡墙砼压顶 砼强度:C20 m319.505040701002001非预应力钢筋 材质:普通钢筋 部位:挡墙基础 t9.4806040701002002非预应力钢筋 材质:普通钢筋∮10内 部位:预制方桩 t2.8227040701002003非预应力钢筋 材质:普通钢筋∮10外部位:预制方桩 t9.519。

下载提示
相关文档
正为您匹配相似的精品文档