文档详情

电气工程实验教学大纲

ch****o
实名认证
店铺
DOC
183.51KB
约14页
文档ID:156919555
电气工程实验教学大纲_第1页
1/14

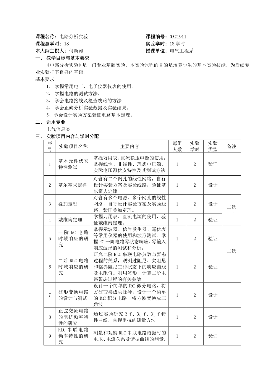
课程名称:电路分析实验 课程编号:0521911课程总学时:18 实验学时:18学时本大纲主撰人:何新霞 授课单位:电气工程系一、 教学目标与基本要求《电路分析实验》是一门专业基础实验,本实验课程的目的是培养学生的基本实验技能,为后续专业实验打下良好的基础基本要求1、 掌握常用电工、电子仪器仪表的使用2、 掌握电路的测试方法3、 学会电路接线及检查线路的方法4、 学会正确分析实验数据及实验结果5、学会设计实验方案验证电路基本定理二、 适用专业电气信息类三、 实验项目内容与学时分配序号实验项目名称主要内容每组人数实验学时实验类型备注1基本元件伏安特性测试掌握万用表、直流稳压电源的使用,掌握线性、非线性、理想电压源、实际电压源伏安特性及其测试方法12验证2基尔霍夫定律对含有二个网孔的线性网络,自行设计实验方案及实验线路,验证基尔霍夫定律12设计3叠加定理对含有多个电源、多个网孔的线性网络,自行设计实验方案及实验线路,验证叠加定理12设计二选一4戴维南定理掌握万用表、直流电源的使用,验证戴维南定理。

12验证5一阶RC电路时域响应的研究掌握示波器、信号发生器、毫伏表等常用仪器的使用和波形测试掌握RC一阶电路零状态响应、零输入响应波形的测试和分析12验证二选一6二阶RLC电路时域响应的研究研究二阶RLC串联电路参数与暂态过程的关系,观测过阻尼、欠阻尼和临界阻尼三种状态下的响应曲线及电阻值利用波形,计算二阶电路暂态过程的有关参数12验证7波形变换电路的设计与测试设计一个简单的RC微分电路,将方波变换成尖脉冲;设计一个简单的RC积分电路,将方波变换成三角波12设计8正弦交流电路的阻抗频率特性的研究通过实验研究R-f、XC-f、XL-f特性曲线,掌握阻抗的测量方法12设计9RLC串联电路频率特性的研究测量和观察RLC串联电路谐振时的电压、电流关系及谐振曲线的测量12验证10单相交流电路的研究研究交流电路中电压、电流和功率之间的关系,以及并联电容对提高感性负载电路功率因数的作用22验证11三相电路的研究自拟三相电路的连接和测试方案验证三相电路中电压电流的倍关系;完成不同负载情况的三相功率测试;验证中线的作用22设计12滤波器的设计与实现分别设计一低通、高通、带通滤波器电路,要求根据根定条件计算出该低通滤波器电路中元件C和R的数值,拟定测试其幅频响应的测量方法。

12设计多选一 13移相器的设计与实现设计一移相电路,要求输出信号的相位可在0-1800之间变化,输出幅度保持不变并自拟实验过程对设计方案进行验证12设计14二端口网络参数的测定测定无源线性二端口网络的参数;研究二端口网络及其等效电路在有载情况下的性能12设计15应用Multisim虚拟实验平台进行电路仿真分析熟悉Multisim软件使用环境,任选上述实验内容创建电路,并进行电路仿真分析14设计注:12-15实验作为实验考试选作内容四、 实验教材、参考书(一) 教材《电路分析实验》,中国石油大学电气工程及自动化系编二) 参考书《电路实验指导书》,西安交通大学电工原理教研室编课程名称:电气控制及可编程控制技术 课程编码:05209 适用专业:电气工程及其自动化、电子信息工程课程总学时:48 实验学时:8 大纲执笔人:何新霞 授课单位:电气工程系一、教学目标电气控制及可编程控制技术课程是为电气工程及自动化专业开设的一门专业课该课程主要由电气控制技术和可编程控制技术两部分组成。

通过本门课程的学习,应掌握常用低压控制电器的结构和工作原理,典型继电控制器控制电路,一般继电接触器控制电路设计方法掌握可编程控制器结构、工作原理、特点,学会用梯形图和助记符语言编写程序,掌握一般可编程控制器控制系统的开发二、基本要求本课程是在学完电机与拖动基础、微机原理等课程之后开设的课程通过该课程学习为后续继电保护、节能技术、工厂电力电器设备等课程学习打下基础该课程是毕业设计电气传动方向的重要内容之一,也是现代工业控制重要内容之一通过实验,应了解可编程控制器的外围设备,指令输入方法,加强对指令及编程方法的掌握三、实验项目内容及学时分配序号实验项目名称主要内容每组人数实验学时实验类型备注1常用低压控制电器认识和测试观察常用电器设备结构及工作原理;测量交流接触器吸合、释放电压;测量热继电器的过载保护特性,时间继电器的延时特性22验证2电机正反转控制实验实现电机正反转控制及单方向加点动控制22验证3上机操作基本练习熟悉可编程控制器、FP编程器的使用12验证4定时、计数指令的应用设计编制几个利用定时、计数指令完成一定功能的程序,掌握定时、计数指令的基本应用12设计四、实验教材及参考书 (一)教材:1.《可编程控制器原理与应用》(自编)2.《电机与电器》实验指导书,刘丽萍编(二)、参考书:1.《电器与可编程控制器应用技术》,邓则名,机械工业出版社,1998年5月。

2.《可编程控制器原理及应用》,汪晓光,机械工业出版社,2001年7月;3.《可编程序控制器原理原理、应用、实验》常斗南,机械工业出版社,2003年1月课程名称:可编程控制器原理与应用 课程编码:05215 适用专业:全校各专业课程总学时:32 实验学时:10 大纲执笔人:何新霞 授课单位:电气工程系 一、教学目标可编程控制器作为一种工业控制装置,在工业控制的各个领域都得到了非常广泛应用,因此把该门课程作为全校各专业公选课通过本门课程的学习,使学生掌握可编程控制器结构、工作原理、特点,了解可编程控制器在工业生产中的主要应用,熟练掌握用梯形图和助记符两种语言编写程序,了解可编程控制器控制系统的一般开发过程,了解可编程控制器的特殊功能二、基本要求通过本门课程的学习,使学生比较系统地掌握可编程控制器的基础知识、工作原理、程序设计方法以及在工程中应用的特点和应用的指导思想通过实验,应了解可编程控制器的外围设备,指令输入方法,加强对指令及编程方法的掌握三、实验项目内容及学时分配序号实验项目名称主要内容每组人数实验学时实验类型备注1上机操作基本练习熟悉可编程控制器、FP编程器的使用12学时验证2定时、计数指令的应用熟悉定时、计数指令。

编制几个利用定时、计数指令完成一定功能的程序,掌握定时、计数指令的基本应用12学时验证3数据移位指令及几种扩展功能指令的应用熟悉移位指令、扩展功能指令编制几个利用移位指令、扩展功能指令完成一定功能的程序,掌握这些指令的基本应用12学时验证4十字路口交通灯控制用PLC构成交通信号灯控制系统12学时综合5液体混合装置控制用PLC构成液体混合装置控制系统12学时设计四、实验教材及参考书 (一)教材:1.《可编程控制器原理与应用》(自编)(二)、参考书:1.《可编程控制器原理及应用》,汪晓光,机械工业出版社,2001年7月;2.《可编程序控制器原理原理、应用、实验》常斗南,机械工业出版社,2003年1月课程名称:《工厂供电》 课程编号:05212课程总学时:48 实验学时:8本大纲主撰人:仉志华 授课单位:电气工程系一、 实验教学目标与基本要求《工厂供电》实验是一门专业课实验通过实验掌握工厂供电系统中常用的保护继电器和自动装置的结构和工作原理;认识各种类型继电器并学会继电器的整定方法;通过实验观察掌握三段电流保护装置和自动装置的工作特性和工作现象。

二、 适用专业:自动化三、 实验项目内容与学时分配序号实验项目名称主要内容每组人数实验学时实验类型备注1电流继电器特性实验认识电流继电器的构造,掌握电流继电器的特性和使用方法22验证2时间继电器特性实验认识时间继电器的构造,掌握时间继电器的特性和使用方法22验证3备用电源自投装置掌握BZT装置工作原理和工作现象,认识各种类型继电器22综合4三段式电流保护实验掌握保护装置中各继电器的作用,掌握三段电流保护各段的配合情况22综合5继电保护/故障路波综合实验依据继电保护理论,对各段保护进行整定参数,并在设定故障录波装置的启动算法和参数域值,实现模拟故障设定、启动保护及故障数据自动记录功能44 综合选做四、 实验教材、参考书(一)教材1、《工厂供电实验指导书(草稿)》,电气工程系2.《电力系统故障录波装置实验指导书》,待编(二)参考书1. 王荣藩,《工厂供电设计与实验》,天津大学出版社,1989年课程名称:《电机与电器》 课程编码:05203适用专业:自动化、电子信息工程课程总学时:48 实验学时:10大纲执笔人:冯兴田 授课单位:电气工程系一、 教学目标《电机与电器》是一门非主干的实践性较强的专业基础课程。

通过本实验教学使学生掌握变压器、直流电动机、三相异步电动机以及常用电气器件的工作原理和使用方法,并能够对电机进行简单的控制电路设计二、 基本要求在学习课堂理论教学内容之后,通过本实验教学环节,使学生能够理解和掌握变压器的原理及使用方法,直流电动机的机械特性及调速方法,常用低压电气器件的工作原理和使用以及三相异步电动机的基本控制电路等内容通过实际测试和观察实验现象,提高感性认识,进一步加深理解课堂教学知识,学习和熟练掌握使用万用表、测速表等相关仪表进行测试的方法和注意事项三、 实验项目内容与学时分配序号实验项目名称主要内容每组人数实验学时实验类型备注1变压器与磁路掌握变压器的原理、使用方法及简单的磁路计算322验证2直流并励电动机掌握直流并励电动机的机械特性及调速方法322验证3常用低压电气器件的使用 掌握常用低压电气器件的工作原理和使用322验证4三相异步机的基本控制电路 设计电机的点动控制、直接起动控制及正反转控制电路322设计5异步机的Y-D起动控制电路设计三相异步电动机的Y-D起动控制电路322设计注:实验类型包括演示、验证、综合、设计等。

四、 实验教材和参考书(一) 教材(教材名称、主编、出版社、出版年月): 1、《电机与电器实验指导书》,冯兴田、王永军编,校内自编,2006.7二) 参考书(教材名称、主编、出版社、出版年月): 1、《电机控制与供电基础》,张继和、张瑞敏、梁海峰编,西安交通大学出版社,2003.82、《电工学》下册,秦曾煌主编,高等教育出版社,1999.63、《电机与电气控制》,刘子林主编,电子工业出版社,2005.8课程名称:电力系统综合实验 课程编码: 05225 课程总学时:16 实验学时:16 适用专业:电气工程及其自动化大纲执笔人:王艳松 授课单位:电气工程系一、课程目标电力系统综合实验是为配合电力系统分析、电力系统继电保护、电力系统自动装置和电力系统计算机仿真课程而开设的一门综合实验训练课通过本实验使同学巩固系统静态稳定、系统暂态稳定、继电保护、发电机的同期、微机保护、电力系统计算机仿真分析等相关的理论知识,同时获得实感二、基本要求本课程的先修课程为电力系统分析、电力系统继电保护、电力系统自动装置和电力系统计算机仿真分析课程。

该课程是电力系统自动化专业方向的实践环节,通过该实践课程训练,提高学生运用计算机解决电力系统运行和设计问题的综合能力,为以后毕业设计和科学研究打下基础三、教学内容与学时分配建议电力系统综合实践由电力系统分析实验、电力系统继电保护实验和电力系统自动装置实验三大部分组成1. 电力系统分析实验序号实验项目名称内容提要每组人数实验时数实验类型备注1电力系统潮流和短路分析实验应用软件分析和计算电力系统潮流和短路22综合2电力系统稳定性实验搭建电力系统模型,掌握小干扰和大干扰对发电机的影响22综合2.电力系统继电保护实验序号实验项目名称主要内容每组人数实验时数实验类型备注1电流继电器特性实验掌握电流继电器的工作特性和定值整定方法32验证选作2功率方向继电器特性实验掌握功率方向继电器的工作特性和定值整定方法32验证3重合闸继电器特性实验掌握重合闸继电器的工作特性32验证4变压器差动继电器特性实验掌握变压器差动保护的工作原理和整定原则,搭建变压器差动保护模拟电路32设计5三段电流保护实验掌握三段电流保护的工作原理和定值整定方法32设计6电力系统故障录波实验了解故障录波装置的硬件结构,掌握启动算法的原理。

32综合选作3.电力系统自动装置实验序号实验名称内容提要每组人数实验时数实验类型备注1自动调节励磁实验掌握自动调节励磁装置的作用和各环节的工作原理及特性32综合2备用电源自投装置掌握BZT装置工作原理和工作现象,认识各种类型继电器32设计四、教材及主要参考资料 1.《电力系统综合实验》(自编)课程名称:《电力拖动自动控制系统》 课程编号:05204课程总学时:56 实验学时:12本大纲主撰人:陈荣 授课单位:信控学院电气工程系一、 实验教学目标和基本要求《电力拖动自动控制系统》实验是一门专业课实验通过实验熟悉晶闸管直流调速系统的组成基本结构;学会测试调速系统参数和环节特性;掌握单闭环有静差直流调速系统的设计和调试方法;了解双闭环不可逆直流调速系统的组成和调节器参数对系统动态性能的影响二、 使用专业电气工程及其自动化三、 实验项目内容与学时分配 序号实验项目名称主要内容每组人数实验学时实验类型 备注1晶闸管直流调速系统参数和环节参数测试测试直流电机、平波电抗器、电枢回路参数及整流装置、电流和转速检测环节装置的输入、输出特性。

33综合2单闭环有静差直流调速系统静态设计与调试测试系统的开环机械特性及闭环静特性,调节ASR的参数,使D=6,S=10%对比闭环系统的静特性和开环系统的机械特性,并分析系统中参数对系统总体性能的影响33综合3不可逆双闭环直流调速系统动态特性的研究调试双闭环调速系统,测试系统的动态特性对比单闭环和双闭环系统的静特性,并分析系统中各参数对系统总体性能的影响,得到响应的结论33综合4直流PWM调速系统研究调试采用PWM控制的双闭环调速系统,测试系统的动态特性测试系统在PWM控制下的各项性能指标,并根据要求设计对应的闭环调速系统33综合四、 实验教材、参考书(一) 教材1、《电力拖动自动控制系统实验指导》 陈荣、刘丽萍等编,石油大学电气工程系,2005.4(二)参考书1、电力拖动自动控制系统 陈伯时编著 机械工业出版社2、电力拖动自动控制系统习题例题集 童福尧编著 机械工业出版社课程名称:《微机控制技术》 课程编码:05217 适用专业:电气工程及其自动化课程总学时:32 实验学时:8大纲执笔人:高春侠 授课单位:电气工程系一、 教学目标通过该课程的学习,使学生重点掌握计算机控制系统的基础知识和基本应用技术理论,了解拖动系统微机控制技术,提高微型机控制系统的设计、编程和调试能力,通过实验,使学生能够提高自己的动手能力,更好的理解和掌握相关的微机控制的理论课程知识。

二、 基本要求学习本课程时学生需要具有数字电子技术、、自动控制理论和自动控制系统的基本知识,同时要有模拟、数字电路的调试及汇编语言编程的能力通过本课程的学习,可为学生微机应用能力的提高及毕业设计打下良好的基础学生还应该具有电气自动化实验课程的基本技能,能够熟练使用万用表、示波器、仿真器、计算机等基本仪器和设备掌握通过仿真器、实验板接口使软件、硬件相互结合实现控制的基本实验技术三、实验项目内容及学时分配 序号实验项目名称主要内容每组人数实验学时实验类型备注1多通道A/D转换实验 编制多路巡回检测程序将得到的A/D转换数字量送LED数码管显示22验证性2D/A转换实验编制三角波程序,并用示波器观察D/A输出电压波形22验证性3M法测电机转速实验 编制M法测速程序,用LED显示测试结果22综合性*4电参数测量系统的设计基于交流采样的三相电压、电流采样,并显示相应的有功功率22设计性*注:可根据学生的具体情况从带(*)实验中选择其一四、 实验教材和参考书(一) 教材:《微机控制技术—实验指导书》(自编)(二) 参考书:1.《微型计算机控制技术》,黄一夫,机械工业出版社,1999;2.《现代计算机控制技术系统》,冯勇,哈尔滨工业大学出版社,1997;课程名称:《拖动控制系统仿真》 课程编码:05216 适用专业:电气工程及其自动化课程总学时:32 实验学时:10大纲执笔人:张磊 授课单位:电气工程系一、 教学目标本课程通过对多种电力电子与电气传动系统进行结构分析、数学建模和计算机仿真,培养学生对所学专业知识和技能的综合运用能力,使学生掌握电力电子变换及自控系统的基本理论和分析方法,并通过计算机数字仿真,一方面使这些理论和方法得以实现,训练学生的仿真研究技能;另一方面也培养学生借助于计算机软件进行方案设计、参数选择和系统调试的能力,为以后的毕业设计或科研工作打下良好的基础。

二、 基本要求学生应具有有关电机及拖动、电力电子技术、计算机语言、自动控制系统和交流调速系统等多方面的知识,综合运用所学专业知识对电气自动化典型系统进行分析与计算机仿真调试,为学生从事后续的毕业设计和走上工作岗位进行必要的综合训练学生还应该具有电气自动化实验课程的基本理论,能够熟练使用计算机进行编程、调试程序、分析程序运行结果三、实验项目内容及学时分配 序号实验项目名称主要内容每组人数实验学时实验类型备注1MATLAB软件基本应用熟悉MATLAB软件,编制直流电压与正弦波比较程序,画出波形12验证性2SIMULINK软件下基本电路的仿真用SIMULINK软件搭建仿真电路,实现DC/DC变换器的电路仿真,得出波形,并分析仿真结果12验证性3交流调压电路仿真熟悉PSPICE软件,绘制单相交流调压电路,仿真并画出结果图形12验证性4直流变换电路仿真采用PSPICE软件,绘制BUCK斩波器电路,仿真并画出结果图形12验证性5PWM波产生电路仿真设计采用PSPICE或MATLAB软件,实现两点式PWM波产生的“Δ”调制电路仿真模型,仿真并得出结果波形12综合性*6直流电机闭环控制系统仿真设计采用SIMULINK软件设计并实现对DC机的闭环控制仿真,得出波形,并分析仿真结果。

12设计性*注:打*号内容,根据具体教学情况选作其一四、实验教材和参考书(一)教材:《拖动控制系统仿真实验指导书》,高春侠、张磊,石油大学出版社,2005.3 (二)参考书:《控制系统数字仿真》,熊光楞,清华大学出版社,1994年《电力电子技术》实验教学大纲课程名称:电力电子技术 课程编号:0540812适用专业:电气工程及其自动化课程总学时:56 实验学时:12.本大纲主撰人:张加胜 授课单位:电气工程系一、教学目标 《电力电子技术》是一门专业技术基础课实验通过本实验教学使学生掌握常用电力电子器件使用方法,基本电力电子变流电路的工作原理及强弱电系统的测试方法,以及有关仪器设备的操作使用知识 二、基本要求 在学习课堂理论教学内容之后,通过本实验教学环节,使学生能够对有关晶闸管的锯齿波同步移相触发电路的定相与调整原理和方法,三相桥式全控整流及有源逆变电路和三相交流调压电路的基本调整与测试方法,直流斩波电路及PWM控制电路的原理及测试方法等内容理解和掌握,通过实际测试和观察有关波形,提高感性认识,进一步加深理解课堂教学知识,学习和熟练掌握使用双踪示波器和有关仪表对强电系统进行调整与测试的方法和注意事项。

三、实验项目内容与学时分配序号实验项目名称主 要 内 容 每组人数实验学时实验类型备注1锯齿波同步移相触发电路的定相与调整1.三相锯齿波同步集成触发电路的定相和统调2.锯齿波同步触发单元电路的各点波形的观察与调整33验证2三相桥式全控整流及有源逆变电路的测试1. 三相桥式全控整流电路的测试2. 三相桥式全控整流电路的有源逆变状态测试33验证3三相交流调压电路测试1. 触发电路的调试2. 三相交流调压电路带电阻性负载3. 利用三相交流调压电路实现三相异步电动机的软起动运行32验证4直流斩波电路及PWM控制1. 用全控器件构成直流斩波电路,向直流电动机供电作斩波调速运行;2. 改变PWM控制脉冲占空比调节电机转速,观察并记录不同占空比时斩波电路的驱动信号和输出电压波形;3. 测试斩波电路的控制特性和直流电机的调速特性32验证5直流电机的晶闸管调速系统设计采用晶闸管三相桥式全控整流电路实现直流电机调速系统,设计整体系统的组成结构,独立完成三相锯齿波同步集成触发电路的定相、统调和系统连接与测试32设计四、实验教材和参考书(一) 教材1.电力电子技术实验指导,.张加胜编,2000.10.(二) 参考书1. 电力电子技术,王兆安等,机械工业出版社,2000.2.《电力电子技术》实验教学大纲课程名称:电力电子技术 课程编号:0540812适用专业:自动化,电子信息,机械设计制造及其自动化,材料成型及控制工程课程总学时:32 实验学时:4本大纲主撰人:张加胜 授课单位:电气工程系一、教学目标 《电力电子技术》是一门专业技术基础课实验。

通过本实验教学使学生掌握常用电力电子器件使用方法,基本电力电子变流电路的工作原理及强弱电系统的测试方法,以及有关仪器设备的操作使用知识 二、基本要求 在学习课堂理论教学内容之后,通过本实验教学环节,使学生能够对有关晶闸管的锯齿波同步移相触发电路,三相桥式全控整流电路和直流斩波电路及PWM控制电路的原理及测试方法等内容理解和掌握,通过实际测试和观察有关波形,提高感性认识,进一步加深理解课堂教学知识,学习和熟练掌握使用双踪示波器和有关仪表对强电系统进行调整与测试的方法和注意事项三、实验项目内容与学时分配序号实验项目名称内 容 提 要每组人数实验学时实验类型备注1三相桥式全控整流电路的测试1. 三相桥式全控整流电路的触发调整与测试2. 三相桥式全控整流电路的测试32验证2直流斩波电路及PWM控制1. 用全控器件构成直流斩波电路,向直流电动机供电作斩波调速运行;2. 改变PWM控制脉冲占空比调节电机转速,观察并记录不同占空比时斩波电路的驱动信号和输出电压波形;3. 测试斩波电路的控制特性和直流电机的调速特性32验证四、实验教材、参考书(一)教材1. 电力电子技术实验指导,.张加胜编,2000.10.(二)参考书1.电力电子技术,王兆安等,机械工业出版社,2000.2.《交流变频调速》实验教学大纲课程名称:交流变频调速 课程编号:0521312适用专业:电气工程及其自动化,自动化课程总学时:32 实验学时:6本大纲主撰人:张加胜 授课单位:电气工程系一、教学目标 《交流调速系统》是一门专业课。

通过本实验教学使学生掌握常用电力电子器件使用方法,基本电力电子变流电路的工作原理及强弱电系统的测试方法,以及有关仪器设备的操作使用知识 二、基本要求 在学习课堂理论教学内容之后,通过本实验教学环节,使学生能够对有关PWM变频调速的波形测试,变频器的基本操作及运行控制,变频器的加/减速时间设定方法及测试,多步速运行的程序控制及测试,多步速运行的外部端子控制及测试方法等内容理解和掌握,通过实际操作与测试,提高感性认识,进一步加深理解课堂教学知识,重点学习和熟练掌握变频器的基本操作、使用、功能设定和运行,以及外部接线端子的连接方法三、实验项目内容与学时分配序号实验项目名称内 容 提 要每组人数实验学时实验类型备注1PWM变频调速的波形测试测试PWM变频调速系统在不同调制方式和不同载波比下的PWM控制波形和逆变器输出波形32验证2变频器的基本操作及运行控制1. 变频器的运行数据设定,控制盘和外部端子的基本控制操作2. 变频器的正反转控制和转矩的提升32验证3变频器的加减速时间设定和多步速运行设计1. 加/减速时间设定方法及测试;2. 多步速运行的程序控制及速度图设计;3. 多步速运行的外部端子控制及硬件设计;32设计四、实验教材、参考书(一)教材1.交流变频调速实验指导,张加胜,刘丽萍编,2002(二)参考书1. 富士变频器使用说明书课程名称:《电机与拖动基础》 课程编号:05202课程总学时:96 实 验 学 时:16 本大纲主撰人:马文忠 授 课 单 位:电气工程系一、 实验教学目标与基本要求《电机与拖动基础》是一门重要的专业基础课,其实验教学环节对学生学好课程理论具有重要意义。

该实验的目标是巩固学生对电机与拖动理论知识的理解,掌握电机有关的实验方法和技能,培养学生的实践能力、分析问题和解决问题的能力基本要求是:通过本实验教学环节,使学生掌握常用的几种电机及变压器的工作原理、工作特性及使用方法,熟悉通过实验方法对电机及变压器的参数及特性曲线进行测试的方法和步骤,能够熟练使用各种电机测试仪器和设备二、适用专业电气工程及其自动化三、实验项目内容与学时分配序号实验项目名称主要内容每组人数实验学时实验类型备注1并励直流电动机使用方法及特性曲线学习并励直流电动机的起动和反转的接线方法测取并励直流电动机的工作特性和机械特性曲线32验证2直流发电机使用方法及特性曲线1.了解直流发电机的技术数据,判别其各绕组的出线端2.测定他励直流发电机的空载特性曲线及负载特性曲线3.验证并励直流发电机的自励条件,测定并励直流发电机的负载特性曲线32验证3单相变压器参数测试通过变压器的空载试验和短路试验确定单相变压器的参数,测定负载运行特性32验证4三相变压器极性和连接组别测定熟悉三相变压器的连接方法和极性判别,掌握连接组标号的方法32验证* 5三相异步电动机参数测定测试定子绕组的冷态直流电阻。

三相异步电动机的空载实验和短路实验32验证6三相异步电动机的工作特性和机械特性熟悉三相异步电动机的接线方法测定三相异步电动机的工作特性和机械特性32验证7三相异步电动机的起动、制动和调速方法学习三相异步电动机的起动、制动及调速方法32验证8三相同步电动机起动及测试学习三相同步电动机的起动;测定三相同步电动机U形曲线32验证9三相同步发电机的发电运行特性设计实验方案研究三相同步发电机的空载特性、外特性及调整特性32综合10三相同步发电机的并网运行用准同步法和自同步法将三相同步发电机的运行投入电网并联运行;以及并联运行有功功率和无功功率的调节32综合*注:实验类型指演示、验证、综合、设计等带*的实验为选做内容四、实验教材、参考书(一) 教材《电机与拖动实验指导书》,石油大学电气工程教研室编二) 参考书《电机与拖动实验指导书》,合肥工业大学编,机械工业出版社。

下载提示
相关文档
正为您匹配相似的精品文档