文档详情

电磁组——申请书

痛***
实名认证
店铺
DOC
560.50KB
约10页
文档ID:169926952
电磁组——申请书_第1页
1/10

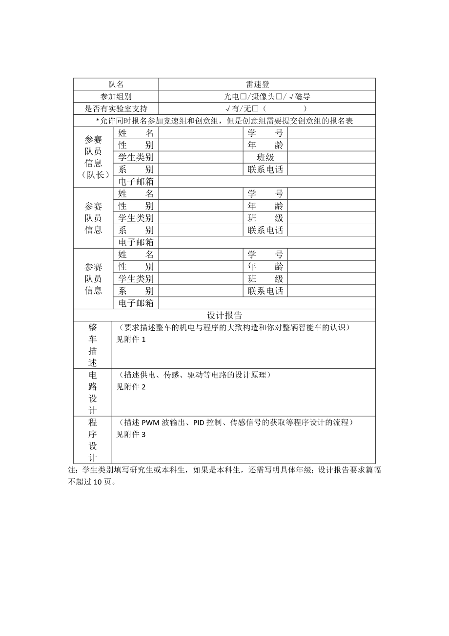
队名雷速登参加组别光电□/摄像头□/√磁导是否有实验室支持√有/无□( )*允许同时报名参加竞速组和创意组,但是创意组需要提交创意组的报名表参赛队员信息(队长)姓 名学 号性 别年 龄学生类别班级系 别联系电子邮箱参赛队员信息姓 名学 号性 别年 龄学生类别班 级系 别联系电子邮箱参赛队员信息姓 名学 号性 别年 龄学生类别班 级系 别联系电子邮箱设计报告整车描述(要求描述整车的机电与程序的大致构造和你对整辆智能车的认识)见附件1电路设计(描述供电、传感、驱动等电路的设计原理)见附件2程序设计(描述PWM波输出、PID控制、传感信号的获取等程序设计的流程)见附件3注:学生类别填写研究生或本科生,如果是本科生,还需写明具体年级;设计报告要求篇幅不超过10页附件1:主控模块 电机控制模块 速度检测模块舵机驱动模块磁场传感模块电源模块无线发送模块 系统框图整个车体系统可描述为:采集信号à信号数字化à单片机处理数据à控制机械最终要实现设计制作一辆能够自动识别特制跑道并能沿跑道行驶的智能小车。

整个系统主要包括三大方面:机械结构安装,硬件电路设计,软件算法设计按模块划分为:电磁传感模块,电机控制模块,舵机驱动模块,速度检测模块,电源模块等整个系统为一个闭环控制系统,通过电磁传感采集的道路信息及软件算法对起跑线、直道、弯道等的判别来调节舵机转向,控制小车的位置结合速度检测模块的反馈信息精确控制小车的运动状态以主MCU为中央纽带控制和协调各模块调理有序的稳定运行机械部分:该部分主要涉及有关电机、舵机、底盘、车轮等智能车的控制采用的是前轮转向,后轮驱动方案该部分所要结决的主要有车重、重心、车轮制动、行驶方向控制等问题,机械部分对于整个智能车可以说是一个基础,只有机械部分能够制作的合理,在后面的程序设计才会有更大地发展空间,才会有可能取得突破硬件电路部分:硬件部分要为系统的各个模块供电,而各个模块对电源的需求不一,有的需要电压稳定、有的需要大的驱动力,所以供电时要合理选择芯片以满足各个模块的需求由于在电磁组中所要采集处理的信号只有电压所以对于软件算法有所减弱,但是加大了电路的开销,所以电磁组的电路相对比较复杂,有小信号放大等问题需要解决对于电路设计、程序算法来说最重要就是对于电磁与赛道的数学模型的能否正确、合理地建立,建立数学模型后就可以设计电路的接收部分,然后是对接收到的小信号放大,这其中这其中又涉及干扰等问题,放大信号后就要对其进行AD转化然后进行数据处理。

电路中还要包括便于调试车的相关模块和不同模式的电路,并且还要设计几个简单、方便的设备,例如拨码开关来选择不同模式、数码管来显示车运行的相关信息等软件算法:程序设计为软件运行服务,软件运行需要配置单片机各个模块寄存器数值,使单片机各个模块正常工作单片机根据采集的数据计算出赛道与赛车的偏差产生PWM波进而对舵机进行控制,使其不偏离赛道还要对测速的数据分析,合理地改变速度,要产生车的调试信息,以便于调试算法中最重要的就是PID算法,通过程序对车进行控制附件2:下面我们根据系统设计总框图,阐述一下电路的相关设计思路:1.电源模块 单片机系统、路径识别的红外传感器、测速传感器均需5V电源舵机工作电压范围4V~6V,为提高舵机响应速度,舵机和后轮驱动电机都采用7.2V供电采用芯片:两类芯片的优点和缺点都比较明显,所以在使用时需综合考虑,扬长避短由于单片机需要提供稳定的5V电源,纹波不易过大,否则可能会导致单片机运行异常而LM2940的输出线性度非常好,且芯片的压差不大,最小可到0.6V,对于本次比赛所用的电源7.2V来说无疑是最佳搭档所以选用LM2940-5单独对单片机进行供电光电传感器需要较大的工作电流,功耗很大,而纹波对功能上没有太大影响。

所以对驱动芯片的要求是能够提供充足的驱动力才是最主要的LM2576-5转换效率高,带负载能力强,输出电流范围在1.5A~3A,对红外传感器及测速模块供电还是很不错的,能保证充足的电源尽管LM2596的输出线性度好且输出的稳定电流可达3A,但是该芯片的价格昂贵在LM2576能满足要求的情况下,其优势也就没有那么明显了因此最终还是选用LM2940-5、TPS7350和LM2576-5分别对传感器检测电路、最小系统和控制电路供电 2. 电机、舵机驱动模块(1)电机驱动电路常选用MC33886驱动芯片,其使用简单,只需通过相应引脚输入不同的PWM波调节电机转速,该芯片支持正反转和制动功能且解决了死区问题对于初学者来说不用考虑死区肯定是有利无弊的但芯片的导通电阻较大(约120毫欧),若长时间工作,芯片发热过大导致电阻增大,降低芯片的驱动力所以,寻找了相应内阻比较小的驱动芯片BTS7960BTS7960 具有很小的内阻,可通过49A的电流的半桥驱动芯片为方便使用,采用两片BTS7960并联来达到全桥的效果,如下图2)舵机作为一种位置伺服驱动器件,通过改变输入信号PWM波的占空比调整输出角度,实现伺服功能。

作为控制赛车循迹行走的关键,要求舵机驱动的转向机构具有精确的角度控制和快速响应能力我们采用以下三点实现舵机的要求:直接用7.2V 2000mAh Ni-cd电池供电,提高舵机的响应速度;采用两位PWM连续使用,提高输出角度的分辨率;输出100HZ的调制方波,减小控制信号的延时3.传感器模块(1)首先对电磁场进行数学上的建模将其和赛车与赛道的偏离联系起来图4-1 直导线稳恒电流磁场示意图如图4-1所示,感应磁场的分布是以导线为轴的一系列的同心圆圆上的磁场强度大小相同,并随着距离导线的半径r 增加成反比下降如果分析离地面高度为h的水平面上的磁场强度分布,对于长直导线,其分布是相对于导线所在铅垂面对称的;而对于弧形导线,即赛道的弯道处,弧线内侧磁力线密度较大,其磁场强度较强,外侧则相对较弱但由于赛道转弯半径较大(最小50cm),因而磁场强度的差别并不十分明显根据法拉第电磁感应定律,线圈磁场传感器的内部感应电压E与磁场B(t)、电磁线圈的匝数N、截面积A的关系有: 感应电动势的方向可以用楞次定律来确定由于导线中电流频率较低,感应线圈截面较小,因而可以认为感应线圈范围内磁场均匀分布,则线圈中感应电动势可近似为: 即感应电动势与电流变化率成正比,与线圈到导线距离成反比。

式中k是与线圈截面积、匝数、磁芯磁导率及线圈摆放方式等相关的常量;对于同一条赛道,dI/dt是固定不变的,取K=kdI/dt,则有: 即感应电动势E只与线圈到导线距离有关公式(2-4)中B是距离导引线r处的磁场强度,它是一个矢量场,而感应线圈只能检测其圈轴线方向上的分量图4-2 磁场分量示意图立放的线圈可以测得B的垂直分量BV,卧放的线圈可以测得B的水平分量BH,则对于矢量计算有: 公式(2-9)由于传感器有放置高度h,因而实际需要检测的是线圈与导线的水平距离d则可得BV、BH与d的关系[8]: 图4-3 BV-d 图4-4 BH-d如图4-3所示,BV在d=0的两侧都非单调,因而不能用立放线圈检测d;如图4-4所示,BH在d=0两侧分别单调,因而可以用卧放线圈检测d可知,在对静态磁场BH有: 也就是说,在I和h一定时,经信号处理后的输出电压Us与BH对d具有相同形式的曲线,如图4-4所示2)电磁传感器检测路面信息的原理是由电感和电容并联产生相应的特定频率谐振,其频率的设定为跑到信息频率的附近,再由谐振感应跑到上由变化的电流产生的变化的磁场,从而产生相应的交流电压,再将相应的交流的电压进行放大、整流和滤波从而变化成相应的电压,如图(a)。

按照比赛规则要求,跑完一圈后赛车需要自动停止在起始线之后三米之内的赛道内,起跑线的检测采用钢簧管检测,如图(b) (a)道路检测模块 (b)起始线检测考虑到舵机响应速度较慢( 0.11s/60),难以满足高速行驶中的转弯要求,小车容易冲出跑道为了使小车在偏离赛道后还能重新调节角度回到赛道,特意在小车前轮的左右两边各安装一个光电传感器,并设定其路径识别优先级最高以保证在小车前轮冲出赛道时能感知到黑线,即时做出相应反应4.速度检测模块受小车机械结构限制,必须采用体积小,重量轻的传感器本队采用500P的测速电机,采用的测速电机的好处有以下几点:①使用方便,它是集成的,可以直接买到,不必花费太多的时间;②效果好,它是500P的,即:转轴转动一周,会产生500脉冲,其精度很高;③干扰很小若知小车后轮的周长是x,转一圈传感器检测n条黑色标记,设定在t时间内,传感器检测了m条黑色标记,小车的速度v为: v=x(m/n)/t 由此可以测量出小车的运行速度5.无线发送模块、人机交互模块使用ZigBee将车的相关信息发送到电脑,进行分析以便于更好地调试赛车的相关参数。

使用拨码开关来方便地设置赛车的模式,使用数码管对车速进行显示,以便在不使用电脑的简单情况下对赛车进行观测附件3:(1)MC9S12DG128 微控制单元作为MC9S12 系列的16位单片机,由标准片上外围设备组成,包括16位中央处理器、128KB的Flash 存储器、8KB的RAM、2KB的EEPROM、两个异步串行通信接口、两个串行外围接口、一组8通道的输入捕捉或输出捕捉的增强型捕捉定时器、两组8 通道10 路模数转换器、一组8通道脉宽调制模块、一个字节数据链路控制器、29路独立的数字I/O接口、20路带中断和唤醒功能的数字I/O 接口、5个增强型CAN总线接口同时,单片机内的锁相环电路可使能耗和性能适应具体操作的需要MC9S12XS128片内资源表如下图:MC9S12XS128片内资源(2)电磁组智能车系统总体而言是以检测电磁场信号为基础,通过单片机处理信号实现对车体控制,实现车体能够准确沿着预设路径寻迹程序设计:(描述PWM波输出、PID控制、传感信号的获取等程序设计的流程)程序设计为软件运行服务,软件运行需要配置单片机各个模块寄存器数值,使单片机各个模块正常工作初始化中包括:单片机时钟配置、I/O口配置、PWM模块配置、A/D模块配置、RTI实时中断配置、脉冲捕捉模块配置。

当初始化完毕后,开始对传感器输入信号进行采样,当完成一次采样后将采样值输入控制算法,控制算法经过运算得到应该偏转的角度和速度,通过改变PWM模块内部寄存器数值可以得到不同占空比的方波信号,实现对舵机和电机的调节如下图所示:PWM波输出:PWM是一种对模拟信号电平进行数字编码的方法通过高分辨率计数器的使用,方波的占空比被调制用来对一个具体模拟信号的电平进行编码PWM信号仍然是数字的,因为在给定的任何时刻,满幅值的直流供电要么完全有(ON),要么完全无(OFF)电压或电流源是以一种通(ON)或断(OFF)的重复脉冲序列被加到模拟负载上去的通的时候即是直流供电被加到负载上的时候,断的时候即是供电被断开的时候只要带宽足够,任何模拟值都可以使用PWM进行编码脉宽调制模块有8 路独立的可设置周期和占空比的8 位PWM 通道,每个通道配有专门的计数器该模块有4 个时钟源,能分别控制8 路信号通过配置寄存器可设置PWM 的使能与否、每个通道的工作脉冲极性、每个通道输出的对齐方式、时钟源以及使用方式(八个8 位通道还是四个16 位通道)通过PWM输出来控制电机和舵机PID控制:模型车在直道上的速度相差不是很大,在弯道上的比拼才是整个比赛的重点,因此如何优化弯道的算法才是整个控制算法的关键。

PID控制是工程实际中应用最为广泛的调节器控制规律问世至今70多年来,它以其结构简单、稳定性好、工作可靠、调整方便而成为工业控制的主要技术之一PID调节是Proportional(比例),Integral(积分),Differential(微分)三者的缩写,是一种过程控制算法,就是对误差信号(采样信号与给定信号的差)通过比例,积分,微分的运算后的结果作为输出控制信号来控制所要控制的对象比例调节作用:是按比例反应系统的偏差,系统一旦出现了偏差,比例调节作用用以减少偏差比例作用大,可以加快调节,减少误差,但是过大的比例使系统的稳定性下降,甚至造成系统的不稳定积分调节作用:是使系统消除稳态误差,提高误差度当有误差时,积分调节就进行,直至无误差,积分调节停止,积分调节输出一常值积分作用的强弱取决与积分时间Ti,Ti 越小,积分作用就越强反之Ti 大则积分作用弱,加入积分调节可使系统稳定性下降,动态响应变慢微分调节作用:微分作用反应系统偏差信号的变化率,具有预见性,能预见偏差变化的趋势,因此能产生超前的控制作用,在偏差还没有形成之前,已被微分调节作用消除因此,可以改善系统得动态性能在微分时间选择合适的情况下,可以减少超调,减少调节时间。

微分作用对噪声干扰有放大作用,因此过强的加微分调节,对系统抗干扰不利通过传感器提取赛道信息后,根据智能车实际需要,设计的跟踪控制程序中就包括速度控制和电机控制两部分,而这里就主要使用增量式PID控制整个控制的过程如下图所示:PID控制主要用于舵机和电机控制,各环节的具体参数要经过反复的调整,以达到对各种赛道类型的适应性的平衡各环节的注意点如下: P环节:和控制的力度相关,过软和过硬都不好可以适度地采用分段P的方法,即黑线在车的中间位置时P较软,黑线偏离较远时P较硬,以实现部分赛道的优化 I环节:I环节可以使控制更加精准,但也有使控制变迟钝的负面效应,所以在前瞻较近时不宜加如I环节,而当前瞻比较充足时可以适当加入I环节,这样可以弥补分段P的一些不足,也提高了控制的精准程度 D环节:D环节能起到对赛道变化趋势预测的作用适当加入D环节可以使转向更灵敏,并能起到优化大S参数的作用D的缺点是会放大“噪声”,对检测到得信息进行数字滤波可以部分解决这个问题传感信号的获取:我们要设计传感信号的获取程序,必须先了解智能车赛道的传感信号特点:因为传感器信号为模拟值,电磁组需要检测的信号为大小100mA,频率为20KHz 的方波信号,赛道由导线铺成,导线周围分布着交变的电磁场,由于赛道的各种形状,使得磁场发生叠加,不同的赛道形状形成不同的特征磁场。

赛道信息相对于传统黑白线而言,具有信号可以提供模拟信息的优势,我们要利用电磁赛道这种优势,完善小车控制算法,以求达到较好的控制效果又因为磁场是矢量,在空间的分布为具有方向性,所以传感器检测到的信号也具有特定的方向性在实际检测的时候发现,不同方向传感器的变化规律有很大的不同,这也和磁场的分量变化规律相一致比如,磁场垂直分量变化的比较早,但是受相邻赛道的影响较大,而磁场的水平分量恰好相反传感器的布局方案为车的赛道识别提供了一定的前瞻,软件的设计方案就要利用好这样的前瞻,更早地识别赛道变化情况,提高行进速度同时,除了前瞻以外,还需要考虑车前方近处的赛道情况综合考虑二者的情况,给出的赛道识别信息,可以同时满足远处和近处的要求,实现在“S”形弯道尽可能直冲、弯道切内线并且提前转向的效果 此外,还需要对于一些特殊情况进行特殊的处理从电磁传感器经AD转换获得的数据是每个传感器的电压幅值E,反映了传感器所在位置的电磁场强度,这个强度跟传感器与导线的水平距离d、导线电流I和传感器与导线竖直距离h有关对固定的I和h,由E可以得到d,就能得到赛道位置通过AD转换可以得到四个传感器的电压值,1号与3号相减,2号与4号相减,可以得到两个位置pos,取平均可以得到相对精确的赛道位置。

这样就做到了提取赛道的功能。

下载提示
相关文档
正为您匹配相似的精品文档