文档详情

采空区钻探施工安全技术措施

d****1
实名认证
店铺
DOCX
16.15KB
约6页
文档ID:150178210
采空区钻探施工安全技术措施_第1页
1/6

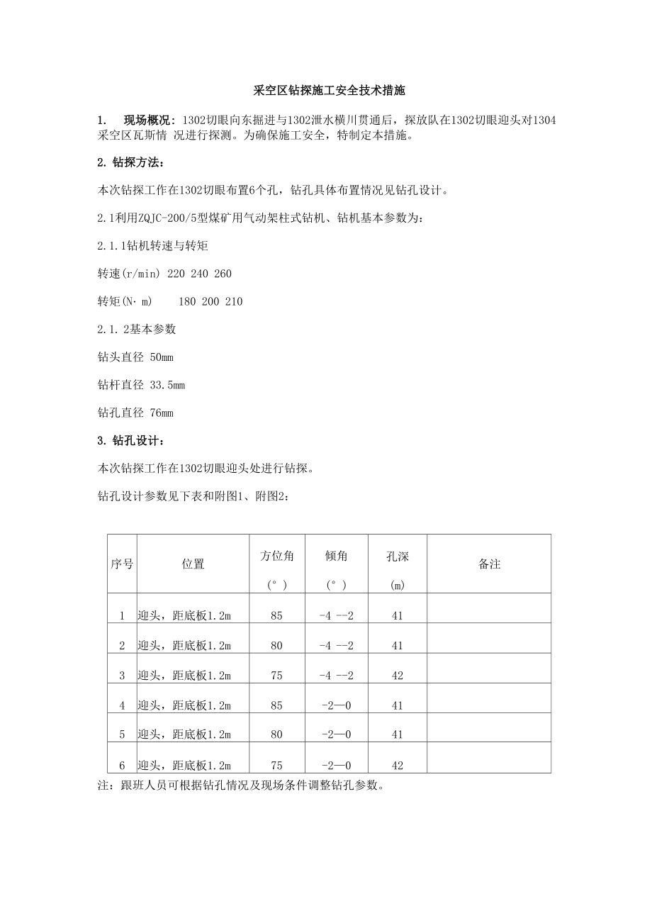
采空区钻探施工安全技术措施1. 现场概况: 1302切眼向东掘进与1302泄水横川贯通后,探放队在1302切眼迎头对1304采空区瓦斯情 况进行探测为确保施工安全,特制定本措施2. 钻探方法:本次钻探工作在1302切眼布置6个孔,钻孔具体布置情况见钻孔设计2.1利用ZQJC-200/5型煤矿用气动架柱式钻机、钻机基本参数为:2.1.1钻机转速与转矩转速(r/min) 220 240 260转矩(N・m) 180 200 2102.1. 2基本参数钻头直径 50mm钻杆直径 33.5mm钻孔直径 76mm3. 钻孔设计:本次钻探工作在1302切眼迎头处进行钻探钻孔设计参数见下表和附图1、附图2:序号位置方位角(°)倾角(°)孔深(m)备注1迎头,距底板1.2m85-4 2412迎头,距底板1.2m80-4 2413迎头,距底板1.2m75-4 2424迎头,距底板1.2m85-2—0415迎头,距底板1.2m80-2—0416迎头,距底板1.2m75-2—042注:跟班人员可根据钻孔情况及现场条件调整钻孔参数4. 施工组织:4.1本次施工由探放队负责,综掘队配合4.2施工时间:2012年 月 日一2012年 月 日4.3本次施工负责人:张广宁安全负责人:周璐 技术负责人:韩云飞5. 安全技术措施:5.1运输安全技术措施5.1.1开绞车前检查与准备5.1.1.1检查绞车安装地点的顶、帮是否安全可靠,附近有无妨碍司机操作和瞭望的障碍物, 有无影响绞车运转的杂乱异物,发现问题及时处理。

要保证车辆运行区段轨道畅通完好5.1.1.2检查绞车的安装固定情况,绞车固定应平稳牢固,地锚螺栓紧固不松动,闸把应操 作灵活、可靠,闸带完整无断裂,钢丝绳安全无弯折,无硬伤、无打结、无严重锈蚀、无断 股,钢丝绳在滚筒上排列应整齐有序,无严重咬绳、爬绳现象5.1.1.3检查并试验绞车信号即声光信号,信号必须声光兼备,声音清晰、准确可靠,必须 是双向往返式声光信号另外,绞车手把禁止过位,绞车地锚丝扣露出紧固螺母不超过3 扣5.1.1.4经上述检查一切都符合规定后,先开空车试运转正常后,方可按信号指令方向开车, 否则不准开车5.1.2运输、码放安全技术措施5.1.2. 1车辆落道时,严禁用绞车硬拉上道,操作方法是:人员站在较宽敞的地方使用压杠 和吊链上道,在倾斜巷道上道时,绞车司机要将绳涨紧,压紧闸把,并与上道人员密切配合, 不得擅自离开岗位处理掉道时,现场由班长负责安全工作5.1.2.2平巷人力推车时,应遵守:(1)1次只准推1辆车严禁在矿车两侧推车同向推 车的间距,在轨道坡度小于或等于千分之五时,不得小于10m;坡度大于千分之五时,不得 小于30m.(2)推车时必须时刻注意前方在开始推车、停车、掉道、发现前方有人或有障碍 物,从坡度较大的地方向下推车以及接近道岔、弯道、巷道口、风门、硐室出口时,推车人 必须及时发出警号。

3)严禁放飞车巷道坡度大于千分之七时,严禁人力推车多人在巷 道上进行运输作业时,要协调一致,加强沟通联系,确保收到正确的开车或停车信号后方可 开始进行作业5.1.2.3装、卸钻机、配件时要密切配合,行动一致,并注意前后左右是否有人及障碍物倒运钻机时防止手把磕碰,任何材料都要整齐码放到干燥的地方并挂牌管理5.1.3小绞车司机操作安全技术措施5.1.3. 1绞车司机必须经培训合格后持证上岗,严格执行《机电操作规程》和《煤矿安全规 程》相关规定司机必须服装整齐,扎紧袖口收到清晰准确的开车信号后,必须发出反馈 信号,当二次接到开车信号后,方可允许按信号指令方向开车绞车运行中,司机必须站在 绞车护绳板后操作,严禁站在绞车侧面或滚筒前方操作,严禁司机一手开车,一手处理绞车 绳相邻两部绞车能够保证对拉,使用两部绞车对拉时,两部绞车必须同时有司机操作严 格按信号开、停车,信号规定为“一声停、二声开、三声放,四声慢开,五声慢放,六声到 位”5.1.3.2绞车的提车数量要根据绞车提升能力,确定挂车数量,并严格按绞车牌板规定要求 执行换绳的地方必须安装阻车器,阻车器处于常闭状态,即车通过时打开,车通过后及时 关闭。

临时停车点必须用道木打飞机杠以防跑车,所打飞机杠必须用大链拴马蹄、穿螺丝固 定在两股铁道上,运料路线拐弯处,要安装五星轮和立辊换向,所安五星轮和立辊必须牢固 可靠,巷道向前掘进施工时,要在临时轨道道头安装一组临时阻车器,阻车器随轨道的延伸 而前移使用绞车牵引车辆时,必须要在行车区段的两端及其他巷道与行车区交叉口阻车器 20米以外的安全地点站岗拦人,做到“行车不行人,行人不行车”,并派专人警戒,确认 安全无误后,方可打信号提、放车辆5.2设备安装及回收安全技术措施5.2. 1起吊物品前,先对起吊地点进行检查,严格执行敲帮问顶制度,找净活矸活煤,确认 支护有效可靠再对起吊锚杆锚固力进行认真检查,最后对所有起吊工具如40T大链、扳手、 吊链、绳扣、马蹄(马蹄要戴螺丝上满扣)等都要认真检查,起吊工具的吨位必须大于所起 吊设备自身重量,严禁超载使用5.2.2锚杆支护巷道内起吊重物时,应打设专门的起吊锚杆,起吊锚杆应不少于2组,每组 2根不得使用作为永久支护的锚杆、锚索、组合构件起吊设备或重物起吊锚杆保证锚固 力不小于100KN,外露长度200-300mm5.2.3起吊重物采用锚链连接,使用链环必须上螺丝。

锚链、链环必须安全可靠5.2.4起吊时由专人统一指挥,安排有经验的老工人观山,并保证安全退路畅通除起吊人 员外起吊物下周围5m内不得有与起吊无关人员停留走动,并安排专人在5m处设警戒拉链 人员也要站在重物摆角范围之外,重物未放在安全地点前,不允许摘钩重物落稳后,方可 撤除警戒起吊重物时要缓慢起吊,严禁起吊角度过大损坏设备及误伤人员,起吊人员不能 站在起吊物上进行起吊,起吊时吊链要用力均匀、受力保持平衡5.2.5设备下井安装或回收上井,严禁超重、超宽、超长、超高,应符合矿有关规定副立 井设备管理规定:凡设备重量(包括平板车的重量)大于6T,高度大于2.8米,长度大于 4.6米,宽度大于1.6米,均视为“四超件”应采取相关措施处理后,方可进行上下井5.2.6回收设备前必须确保本部设备电源以及上一级电源切断5.2.7安装时,必须放平放稳,人手严禁伸入孔隙中,设备安装完毕前,不能搬离起吊设备 和固定物件5.2.8超过2米高空作业时,作业人员必须系好安全带,并保证安全带固定牢靠5.3钻探施工安全技术措施5.3.1钻孔施工前,工作面顶、帮永久支护必须紧跟工作面迎头工作面迎头不得留有伞檐, 否则必须进行处理。

5.3.2钻孔施工前,施钻人员要仔细观察顶板及两帮、迎头支护情况掘进队组要对工作面 迎头全断面支护,网片要铺满工作面迎头整个断面,网片要铺展拉紧,两头对齐,网片与顶、 帮网片连接采用搭接方法,搭接长度100mm,网片之间用16#铁丝每隔300mm捆扎一道,拧 结不小于3圈,在工作面施工6根玻璃钢锚杆,6根支护锚杆要达到支护要求,确保工作面 无片帮危险,保证施工安全5.3.3钻孔施工前,工作地点20m范围内安装,确保和调度指挥部能够保持正常通话5.3.4钻孔施工前,工作面地点浮煤、积水、杂物必须清理,确保退路畅通5.3.5钻孔施工前,掘进队组必须备足防水和防瓦斯材料,棉纱5公斤,木楔20块,黄泥 10公斤应备水泵、管路,必要时施工小水窝现场配备相应的蛇形管、软管等配套设施, 放置于巷道内距施工点W30m支护完好、易于取用的地点5.3.6钻机要安排专人操作,必须等其他人员远离钻机后再开始施工工作人员施工钻孔时 要相互配合好,保证安全5.3.7开钻前,必须对钻机进行全面检查,确保安全完好后,由班长认可,方可开钻钻机 不能晃动,以免改变钻孔方向,接、卸钻杆人员严禁戴手套钻具接头部分要拧紧,避免卡 钻后钻具掉入孔内。

5.3.8钻进时,如果孔内没有回水,就要停止钻进发现异常时,必须立即停止作业,查明 原因,并向调度室及通风调度汇报5.3.9钻进时,施钻人员要时刻观察钻孔内水情变化发现煤岩松软,钻杆推进突然感到轻 松或回水变大等现象时,要特别注意遇到这种情况,要立即停钻,向探放队值班室汇报 由现场带班者负责监督钻孔水情变化如果钻孔水压力很高,高压水就有可能把钻杆顶出碰 伤工作人员,这时不能拔出钻杆,必须马上采用压柱等方式将钻机固定,然后再采取措施 如果发现情况危急时,必须立即撤出所有受水威胁地区的人员至安全地点,然后采取措施, 进行处理5.3.10钻进时,作业人员要做到“三紧”即衣襟、袖口、裤脚要束紧,穿戴整齐利落,不 准穿长襟大袖衣服5.3.11施工过程中,要时刻注意观察工作面顶、帮变化情况,发现煤层有松软、片帮、挂 红、挂汗、空气变冷、出现雾气、水叫、顶板淋水增大、顶板来压、底板鼓起或产生裂隙出 现渗水、有臭味等突水预兆时,必须停止作业,汇报调度室并采取有效措施进行处理,若情 况危急时,迅速将巷内所有人员按照水灾避灾路线撤退至安全地点5.3.12施工过程中,要安排专职瓦检工,佩戴光学瓦检仪,密切关注施工地点10m范围内 瓦斯和CO等有毒有害气体浓度。

孔口附近1-3m必须悬挂便携式瓦检仪、CO便携仪,随时 监测孔内瓦斯、CO浓度,如瓦斯浓度超过0.8%或CO浓度超过0.0024%及时停止钻进,立即 撤人并汇报值班室、通风调度台和矿调度台必要时,立即用黄泥封堵钻孔,避免有害气体 放出5.3.13钻孔结束后应清理钻机设备并将钻机零部件、备品备件清点装箱,防止丢失任何器 件5.3.14每班在进行交接班时,要将本班所打探眼情况向下一班交接清楚并向值班室汇报, 如:探眼的深度、具体的位置等,以确保施工的安全顺利进行5.4其它安全技术措施5.4.1其它相关内容严格执行《煤矿安全规程》5.4.2所有人员必须详细掌握透水预兆和避灾路线5.4.3所有人员必须对本安全技术措施进行学习签字6. 排水系统:6.1掘进队组必须备用两台排水泵,一台热备、一台备用,工作能力满足最大涌水量和扬程6.2钻孔施工前,掘进队组在必须在泄水巷南帮施工完成30m3水仓,安装完善排水系统,并 派专人负责排水,排水方式为接力排水6.3排水线路:工作面一1302泄水巷一13022巷一东回大巷一西轨一横川一井底配风巷一井底车场绕道一 中央水仓一地面工作面一1302切眼一13022巷一东回大巷一西轨一横川一井底配风巷一井底车场绕道一中 央水仓一地面。

7. 避灾路线:7.1水灾避灾路线:工作面一1302泄水巷一13022巷一东回大巷一东回风立井一地面工作面一1302切眼一13022巷一东回大巷一东回风立井一地面7.2火、瓦斯事故避灾路线:工作面一1302泄水巷一13024巷一1300煤柱1#巷一13001巷一东胶大巷一东轨一横川一材 料平巷f井底车场f副立井f地面工作面一1302切眼一13022巷一1302泄水巷一13024巷一1300煤柱1#巷一13001巷一东胶 大巷一东轨一横川一材料平巷一井底车场一副立井一地面。

下载提示
相关文档
正为您匹配相似的精品文档