文档详情

资格考试长沁会议记录

dus****log
实名认证
店铺
DOC
49.50KB
约5页
文档ID:126230591
资格考试长沁会议记录_第1页
1/5

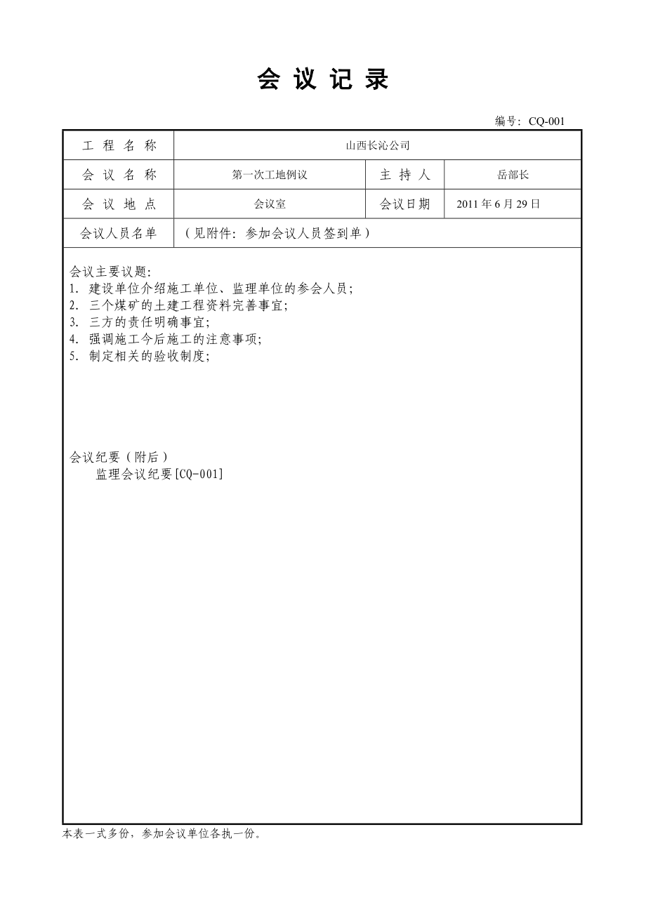
会 议 记 录 编号:CQ-001工 程 名 称山西长沁公司会 议 名 称第一次工地例议主 持 人岳部长会 议 地 点会议室会议日期 2011年6月29日会议人员名单(见附件:参加会议人员签到单)会议主要议题:1.建设单位介绍施工单位、监理单位的参会人员;2.三个煤矿的土建工程资料完善事宜; 3.三方的责任明确事宜;4.强调施工今后施工的注意事项;5.制定相关的验收制度;会议纪要(附后)监理会议纪要[CQ-001]本表一式多份,参加会议单位各执一份山西长沁公司第一次工地例会山西长沁公司工程部:岳部长长沁公司委托监理公司对各个施工施单位现场施工与工程资料的监督、审查监理单位掌握现场的第一手资料,施工中发现问题,驻矿监理监理有权利要求施工单位进行整改,如施工单位未进行整改监理单位将下发停工令监理公司不认可,甲方不给签字、验收去年的工程资料,要求施工单位在短时间进行完善,现施工的工程资料要求与实体同步进行如资料不完善,不给结算现场对今年的工程资料抽查,发现资料完善不及时,对施工单位进行现金处罚长沁公司聘请牛工来监管工程的质量、安全问题,同时提供一些技术支持。

牛工在现场提出的要求及建议代表长沁公司监理公司调换人员问题,建议监理公司派驻专业监理工程师,在工程结束前,尽量不要调动,这样对工程的了解或各方的沟通,有着很大帮助强调驻矿工程管理员要与监理人员互相配合山西省煤炭建设监理有限公司项目总监:兰总 目前现状是:受遗留问题影响,造成很多工作滞后,特别是质保资料严重滞后,相关的施工资料也缺项过多我们驻矿监理人员多次已口头和书面要求施工单位进行完善 所以这次的第一次工地例会非常重要,首先各方统一思想,明确各自应负主体责任,按建设程序、规范进行施工,如无设计、无作业规程、无施工方案不得进行施工,所有进场材料必须检验检测,施工技术资料必须和实体进度同步等等 监理单位性质,大家应知道监理单位是独立自主的开展工作,监理工作依据是国家法律、法规、行业规范及标准,设计,不是给个人服务的或必须听从其它单位、个人的事,监理人员有自己的职责和必须承担的法律、法规责任,随着工作的深入,大家会对监理工作有所认识监理单位的工作内容,主要是保证施工阶段的工程质量和施工安全,进行相应的协调工作,配合建设单位对工程进度进行控制,在规定的工期完成矿井建设,并协助建设单位顺利完成煤矿竣工验收。

是监理单位要承担的主要责任工程验收程序:由建设单位与监理单位对已完工程进行预验收,验收合格后,出具《单位工程质量评估报告》后,申请煤炭主管单位进行验收、认证 要求施工单位在一星期内把以前的工程及现施工的工程资料报回监理公司进行审查,到期不完善,监理公司将下发停工令如下发停工令后,施工单位继续施工,监理单位将上报主管部门完善相关工程验收制度,单位工程验收不合格,监理单位有权不予以验收,同时不在工程验收单及工程支付单上签字附属性工程,零星工程,有煤矿和监理单位协商,如建设单位,施工单位不提供相关资料,文件,或提出不需监理单位监理或不告之监理单位而开工的,监理单位不负责任所有单位工程开工前,必须完善相关手续后方可开工长沁公司专家:牛工要求施工单位把现施工的质量管理资料及质保资料尽快上报监理单位以后施工中的变更不能有单方决定,必须三方协商后决定以前施工资料属于后补,不具备权威性今后的施工资料必须实体同步进行,并及时的让相关人员进行签字分部、分项工程验收,必须现场验收、现场签字现场施工中与设计不符的要及时沟通,及时的进行处理如不及时沟通,出现问题一切后果施工单位自负长沁公司工程部:岳部长下一步,每月由监理公司对当月进度验收合格后,工程部才给办理相关结算手续。

当月进度验收同时检查施工单位的施工资料是否与实体同步,如有滞后现象,进行处罚 山西省煤炭建设监理有限公司 2011年04月15日 打字(拟稿):杨海波 审核:任仲国参加会议人员签到单(名单)第一次工地例会序号姓 名工 作 单 位职 务/职 称备 注。

下载提示
相关文档
正为您匹配相似的精品文档