文档详情

安全科附件

精****料
实名认证
店铺
DOC
163.50KB
约6页
文档ID:159009779
安全科附件_第1页
1/6

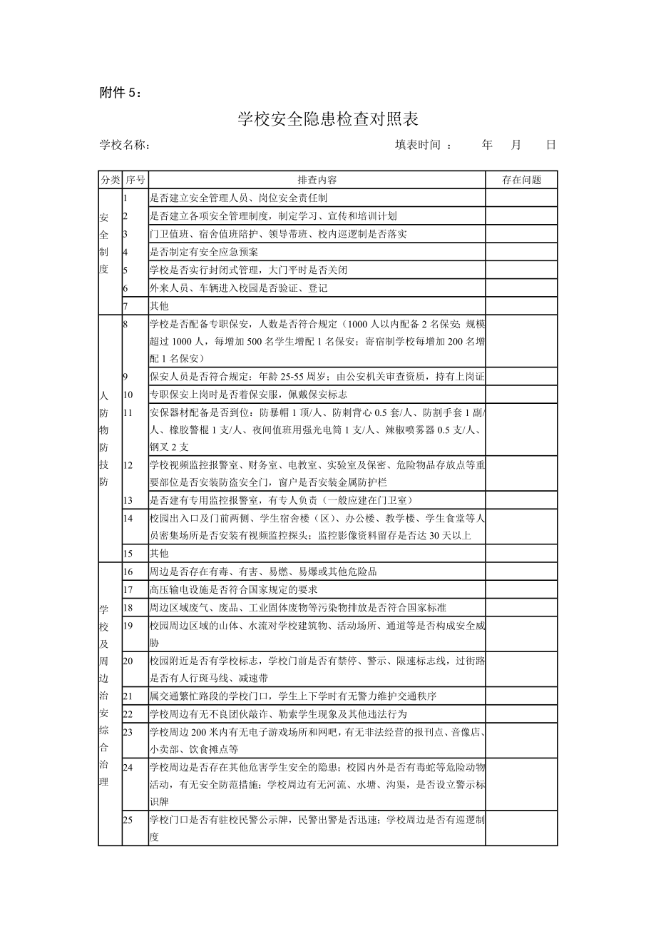
附件5:学校安全隐患检查对照表学校名称: 填表时间 : 年 月 日  分类序号排查内容存在问题安全制度1是否建立安全管理人员、岗位安全责任制2是否建立各项安全管理制度,制定学习、宣传和培训计划3门卫值班、宿舍值班陪护、领导带班、校内巡逻制是否落实4是否制定有安全应急预案5学校是否实行封闭式管理,大门平时是否关闭6外来人员、车辆进入校园是否验证、登记7其他人防物防技防8学校是否配备专职保安,人数是否符合规定(1000人以内配备2名保安;规模超过1000人,每增加500名学生增配1名保安;寄宿制学校每增加200名增配1名保安)9保安人员是否符合规定:年龄25-55周岁;由公安机关审查资质,持有上岗证10专职保安上岗时是否着保安服,佩戴保安标志11安保器材配备是否到位:防暴帽1顶/人、防刺背心0.5套/人、防割手套1副/人、橡胶警棍1支/人、夜间值班用强光电筒1支/人、辣椒喷雾器0.5支/人、钢叉2支12学校视频监控报警室、财务室、电教室、实验室及保密、危险物品存放点等重要部位是否安装防盗安全门,窗户是否安装金属防护栏13是否建有专用监控报警室,有专人负责(一般应建在门卫室)14校园出入口及门前两侧、学生宿舍楼(区)、办公楼、教学楼、学生食堂等人员密集场所是否安装有视频监控探头;监控影像资料留存是否达30天以上15其他学校及周边治安综合治理16周边是否存在有毒、有害、易燃、易爆或其他危险品 17高压输电设施是否符合国家规定的要求18周边区域废气、废品、工业固体废物等污染物排放是否符合国家标准19校园周边区域的山体、水流对学校建筑物、活动场所、通道等是否构成安全威胁20校园附近是否有学校标志,学校门前是否有禁停、警示、限速标志线,过街路是否有人行斑马线、减速带21属交通繁忙路段的学校门口,学生上下学时有无警力维护交通秩序22学校周边有无不良团伙敲诈、勒索学生现象及其他违法行为23学校周边200米内有无电子游戏场所和网吧,有无非法经营的报刊点、音像店、小卖部、饮食摊点等24学校周边是否存在其他危害学生安全的隐患;校园内外是否有毒蛇等危险动物活动,有无安全防范措施;学校周边有无河流、水塘、沟渠,是否设立警示标识牌25学校门口是否有驻校民警公示牌,民警出警是否迅速;学校周边是否有巡逻制度26其他 校舍安全   27楼房房顶、外墙、阳台、楼梯围栏有无裂缝、变形,屋顶抹灰有无空鼓等不安全情况  28门窗(玻璃)安装是否牢固,围墙是否安全可靠;建筑面砖粘结是否牢固,有无空鼓现象。

扶手、栏杆是否牢固;窗台高度≤90厘米时有无装防护措施29学校是否安装防雷击设施,是否定期进行检修检测30运动场、馆、娱乐活动设施如旗杆、球架是否牢固,是否按要求正常维护,用前是否进行安全检查31正在施工中的建筑是否有安全防护及警示标语;校园内易发生碰撞、滑倒、破碎、倒塌等设施、场所是否有设置醒目的安全警示标志32其他消防安全33消防器材能否正常使用;是否落实了消防安全器材定期检查维护,有检查维护记录34学生宿舍、食堂、实验室、图书馆、配电房、危化品保管室是否配备灭火器材35教学楼、宿舍楼、学生食堂、会议室等人员密集场所是否有疏散逃生示意图36教学楼、宿舍楼等人员密集场是否有逃生通道,逃生通道是否通畅37是否对师生进行了消防安全教育,师生是否掌握“两会”(会使用灭火器材,会扑灭初始火灾),是否定期进行应急演练38其他   交通安全39学校租用或自有运载学生的车辆是否具有资质,经常检查车况 40校车是否配备灭火器、逃生锤、急救箱41驾驶员是否取得校车驾驶资质42校车是否有明确规定的行车线路和停放地点(文字材料)43学校与驾驶员、学校与学生家长是否签定安全责任书44是否有校车安全管理制度,跟车记录是否规范、齐全45车辆是否有超载现象,校车除司机外,是否有专职的管理人员,保障学生上下车安全46“交通安全知识进校园”活动是否落实47学生集中上下学时校门口是否有校领导、教师值班,维持交通秩序48学生集体外出是否履行报批手续,制定安全预案,是否有足够教师全程陪护和管理49其他 疾病防控  食品安全 是否坚持开展晨、午检疫情监测 小学、幼儿园是否开展了新生预防接种证查验是否建立传染病防控工作台账学校是否制定突发公共卫生安全工作预案50其他51食堂是否有独立的食品原料存放间,具有“八间一厅一室”,即白案间、红案间、粗加工间、精加工间、粮油储存间、调味品间、消毒间、更衣间、餐厅及台账管理成本核算工作室;生熟食分离储存;墙壁有1.5米以上的瓷砖制成的墙裙52是否有通风、排烟和有效的防蝇、防尘、防鼠措施53食堂采购的食品是否符合卫生要求,索证、台账等制度是否落实54食品贮存是否分类、分架、隔墙、离地存放,有无变质、过期食品55食品留样制度是否落实:每餐各种菜样各取不少于250克的样品留置于冷藏设备中保存24小时以上。

56食堂作业人员、管理人员是否取得健康证明;是否穿戴清洁的工作衣、帽、口罩57食堂建筑、设施是否符合卫生标准及安全要求;锅炉房、蒸气管道、蒸柜等厨房设施设备是否做到定期检查,防止泄漏措施是否完善58食堂设备是否严格执行消毒制度;用水是否符合国家饮用水标准;食堂工作人员是否着装上岗;防范季节性等流行性疾病和传染病措施是否落实59校园各功能室所有无定期消杀“四害”;是否有计划对全体师生定期进行有针对性的卫生健康教育60其他 用电安全 61空调机(室内外)、电风扇吊挂情况是否正常;灯具是否易坠落,能否正常使用;62线路有无裸露、老化;照明设备是否处于正常状态和定期检查记录和维修情况;63变压器、配电室(箱)、抽水房等用电危险场是否有警示标识64电器插座是否安全,电器设施是否完善,接地是否可靠;65电线、插座等用电设施设备是否定期检查66校园内电网铺设及电器设备是否符合国家有关标准,楼梯走道是否有日常照明设施和紧急照明装置;67其他安全教育68安全教育课是否落实,有无教育安排表、教育记录、教材等693月份中小学生安全教育日、“512”防灾减灾日、6月份安全生产宣传月、“119”消防宣传日是否安排专题活动,有无计划、方案、总结及图片音像资料70每学期是否组织至少1次全体师生参加预案演练、1次疏散逃生演练、寄宿制学校全体住校生参加的夜间疏散逃生演练71其他宿舍安全72宿舍床铺是否存在不牢固、易刺伤、挂伤学生等隐患73寄宿制学校是否配备教师或管理人员专门负责管理学生宿舍,是否落实夜间值班、巡查制度,是否坚持对寄宿学生实行晚点名和定时查铺。

74宿舍安全通道是否通畅,学生是否进行过应急训练75寄宿制学校教学楼、宿舍楼过道是否有应急照明灯等安全应急管理措施76寄宿学生提前离校,是否有班主任和学校指定领导签字 77其他危险剧毒品管理78危险剧毒品是否存入专用库(柜)并实行双人双锁专人管理,是否配备灭火器、窗帘、温度计、湿度计和通风等设备,是否安装监控报警设施79实验室危险化学药品保管分类是否明确,分类存放80实验室危险化学药品领用是否填写《危险化学药品使用登记表》,按规定数量取用,是否有外借情况81实验室危险化学药品销毁是否提出申请,呈报公安部门或在环保部门的监督下采取合理方式销毁82是否制定危险化学药品事故应急处理措施83其他备 注此表为安全隐患排查时参照使用附件6: 学校安全检查登记表检查时间: 年 月 日学生人数寄宿学生数校车数量乘车学生数检查发现的问题及工作建议 检查人签名: 附件7:学校安全隐患排查整改记录表 填表时间: 年 月 日学校名称隐患内容整改单位(学校/教育/政府)整改措施整改时限责任人隐患整改落实情况                                                               备注此表为各地对学校安全检查后汇总情况时使用。

下载提示
相关文档
正为您匹配相似的精品文档