文档详情

五氧化二钒安全技术说明书(MSDS)

jin****ng
实名认证
店铺
DOCX
10.19KB
约1页
文档ID:159383282
五氧化二钒安全技术说明书(MSDS)_第1页
1/1

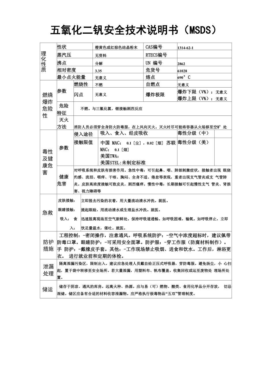
五氧化二钒安全技术说明书(MSDS)理化性质性状橙黄色或红棕色结晶粉末CAS编号1314-62-1蒸汽压无资料RTECS编号沸点分解UN 编号2862相对密度3.35危货号61028最小点火能量无意义熔点690°C燃烧 爆炸 危险 性参数燃烧性不燃自燃点无意义闪点无意义爆炸极限爆炸下限(V%):无意义 爆炸上限(V%):无意义危险 特征不燃与三氟化氯、锂接触剧烈反应灭火 方法消防人员必须穿全身防火防毒服,在上风向灭火灭火时尽可能将容器从火场移至空旷 处毒性 及健 康危 害参数侵入途径吸入、食入、经皮吸收毒性分级(中)接触限值中国 MAC: 0.1[尘],0.02[烟] 苏联MAC: 0.1[烟]美国TWA:美国STEL:未制定标准毒性分级(美)健康 危害对呼吸系统和皮肤有损害作用急性中毒:可引起鼻、咽、肺部刺激症状,接触者出现 眼烧灼感、流泪、咽痒、干咳、胸闷、全身不适、倦怠等表现,重者出现支气管炎或支 气管肺炎皮肤高浓度接触可致皮炎,剧烈瘙痒慢性中毒:长期接触可引起慢性支气 管炎、肾损害、视力障碍等急救皮肤接触: 眼睛接触: 吸入: 食入:立即脱去污染的衣着,用大量流动清水冲洗提起眼睑,用流动清水或生理盐水冲洗。

就医迅速脱离现场至空气新鲜处保持呼吸道通畅如呼吸困难,输氧如呼吸停止,立即 饮足量温水,催吐防护 措施工程控制:-密闭操作,注意通风呼吸系统防护:-空气中浓度超标时,建议佩带 防毒口罩眼睛防护:-可采用安全面罩防护服:-穿工作服(防腐材料制作)手 防护:-戴橡皮手套其他:-工作现场禁止吸烟、进食和饮水工作后,淋浴更衣 进行就业前和定期的体检泄漏 处理隔离泄漏污染区,限制出入建议应急处理人员戴自给正压式呼吸器,穿防毒服避免扬尘,小 心扫起,置于袋中转移至安全场所若大量泄漏,用塑料布、帆布覆盖收集回收或运至废物处 理场所处置储运储存于阴凉、通风的库房远离火种、热源应与易(可)燃物、酸类、食用化学品分开存放, 切忌混储储区应备有合适的材料收容泄漏物应严格执行极毒物品“五双”管理制度。

下载提示
相关文档
正为您匹配相似的精品文档