文档详情

机械加工工序卡片

回****
实名认证
店铺
DOC
313.50KB
约7页
文档ID:158028263
机械加工工序卡片_第1页
1/7

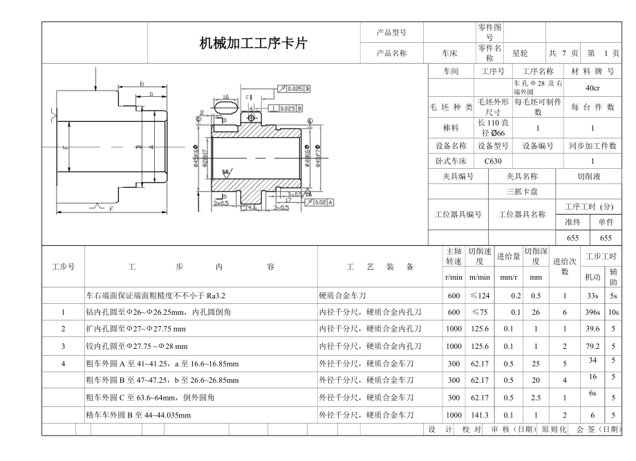
机械加工工序卡片产品型号零件图号产品名称车床零件名称星轮共7页第1页 车间工序号工序名称材 料 牌 号车孔Ф28及右端外圆40cr毛 坯 种 类毛坯外形尺寸每毛坯可制件数每 台 件 数棒料长110直径Ø6611设备名称设备型号设备编号同步加工件数卧式车床C6301夹具编号夹具名称切削液三抓卡盘工位器具编号工位器具名称工序工时 (分)准终单件655655工步号工 步 内 容工 艺 装 备主轴转速切削速度进给量切削深度进给次数工步工时r/minm/minmm/rmm机动辅助车右端面保证端面粗糙度不不小于Ra3.2硬质合金车刀600≤1240.20.5133s5s1钻内孔圆至Ф26~Ф26.25mm,内孔圆倒角内径千分尺,硬质合金内孔刀600≤75 0.1266396s10s2扩内孔圆至Ф27~Ф27.75 mm内径千分尺,硬质合金内孔刀1000125.60.11139.653铰内孔圆至Ф27.75 ~Ф28 mm内径千分尺,硬质合金内孔刀1000125.60.11279.254粗车外圆A至41~41.25,a至16.6~16.85mm外径千分尺,硬质合金车刀30062.170.5255345粗车外圆B至47~47.25,b至26.6~26.85mm外径千分尺,硬质合金车刀30062.170.5204165粗车外圆C至63.6~64mm,倒外圆角外径千分尺,硬质合金车刀30062.170.52.516s5精车车外圆B至44~44.035mm外径千分尺,硬质合金车刀1000141.30.11265 设 计(日 期) 校 对(日期) 审 核(日期) 原则化(日期) 会 签(日期)标识处数更改文献号签 字 日 期标识处数更改文献号签 字 日 期机械加工工序卡片产品型号零件图号产品名称车床零件名称星轮共7页第2页 车间工序号工序名称材 料 牌 号磨孔Ф2840cr毛 坯 种 类毛坯外形尺寸每毛坯可制件数每 台 件 数棒料长110直径Ø6611设备名称设备型号设备编号同步加工件数磨床M1432A1夹具编号夹具名称切削液 三爪卡盘工位器具编号工位器具名称工序工时 (分)准终单件194194工步号工 步 内 容工 艺 装 备主轴转速切削速度进给量切削深度进给次数工步工时r/minm/minmm/rmm机动辅助1磨孔F至Ф27.973~28,Ra0.8塞规Ф28H7,40035.170.050.31189s5s 设 计(日 期) 校 对(日期) 审 核(日期) 原则化(日期) 会 签(日期)标识处数更改文献号签 字 日 期标识处数更改文献号签 字 日 期机械加工工序卡片产品型号零件图号产品名称机床零件名称星轮共7页第3页车间工序号工序名称材 料 牌 号车断40cr毛 坯 种 类毛坯外形尺寸每毛坯可制件数每 台 件 数棒料长110直径Ø6611设备名称设备型号设备编号同步加工件数卧式车床C6301夹具编号夹具名称切削液 三爪卡盘工位器具编号工位器具名称工序工时 (分)准终单件2828s工步号工 步 内 容工 艺 装 备主轴转速切削速度进给量切削深度进给次数工步工时r/minm/minmm/rmm机动辅助1车断,长度f范围为61.85~62.15游标卡尺,3mm切槽刀30062.180.334122.7s5s 设 计(日 期) 校 对(日期) 审 核(日期) 原则化(日期) 会 签(日期)标识处数更改文献号签 字 日 期标识处数更改文献号签 字 日 期机械加工工序卡片产品型号零件图号产品名称旋耕机零件名称犁刀变速齿轮箱体共13页第4页车间工序号工序名称材 料 牌 号车左端外圆40cr毛 坯 种 类毛坯外形尺寸每毛坯可制件数每 台 件 数棒料长110直径Ø6611设备名称设备型号设备编号同步加工件数卧式车床C6301夹具编号夹具名称切削液 三爪卡盘工位器具编号工位器具名称工序工时 (分)准终单件115s工步号工 步 内 容工 艺 装 备主轴转速切削速度进给量切削深度进给次数工步工时r/minm/minmm/rmm机动辅助1车左端面至61±0.15,Ra3.2,内孔Ф28倒角硬质合金车刀,游标卡尺6001130.211 17s5s粗车左外圆D至Ф47~47.25,e14.1~14.5,倒外圆角硬质合金车刀,游标卡尺30062.20.521432s7s半精车左外圆D至Ф46~46.039,c14~14.2硬质合金车刀,外径千分尺60084.80.21110s5s精车左外圆至Ф44.987~45.003硬质合金车刀,外径千分尺900127.20.11227s5s切3x0.5旳槽3mm切槽刀,外径千分尺30042.390.05012s5s 设 计(日 期) 校 对(日期) 审 核(日期) 原则化(日期) 会 签(日期)标识处数更改文献号签 字 日 期标识处数更改文献号签 字 日 期机械加工工序卡片产品型号零件图号产品名称旋耕机零件名称犁刀变速齿轮箱体共13页第5页车间工序号工序名称材 料 牌 号精车右端外圆40cr毛 坯 种 类毛坯外形尺寸每毛坯可制件数每 台 件 数棒料长110直径Ø6611设备名称设备型号设备编号同步加工件数卧式车床C6301夹具编号夹具名称切削液 专用夹具工位器具编号工位器具名称工序工时 (分)准终单件27s27s工步号工 步 内 容工 艺 装 备主轴转速切削速度进给量切削深度进给次数工步工时r/minm/minmm/rmm机动辅助1精车外圆B至44.975~45.01硬质合金车刀,外径千分尺1000141.30.11212s5s切两个3x0.5旳槽外径千分尺,3mm切槽刀300150.052155s5s 设 计(日 期) 校 对(日期) 审 核(日期) 原则化(日期) 会 签(日期)标识处数更改文献号签 字 日 期标识处数更改文献号签 字 日 期机械加工工序卡片产品型号零件图号产品名称机床零件名称星轮共13页第6页 车间工序号工序名称材 料 牌 号铣圆周上平面及槽40cr毛 坯 种 类毛坯外形尺寸每毛坯可制件数每 台 件 数棒料长110直径Ø6611设备名称设备型号设备编号同步加工件数数控铣床XK50321夹具编号夹具名称切削液专用铣夹具工位器具编号工位器具名称工序工时 (分)准终单件100s100s工步号工 步 内 容工 艺 装 备主轴转速切削速度进给量切削深度进给次数工步工时r/minm/minmm/rmm机动辅助1粗铣N,Q面X至26..3专用铣刀mm37.680.0114.51530s5s2精铣N,Q面X至24.3024.31专用铣刀mm500047.10.00521035s5s3磨N,Q面X至24.29724.310专用磨刀mm5000200.0120.01516s5s4铣键槽至40.5h11,Ra3.2宽为8N9整体硬质合金直柄立式铣刀d1=6mm5000188.40.0054.51510s5s 设 计(日 期) 校 对(日期) 审 核(日期) 原则化(日期) 会 签(日期)标识处数更改文献号签 字 日 期标识处数更改文献号签 字 日 期机械加工工序卡片产品型号零件图号产品名称旋耕机零件名称犁刀变速齿轮箱体共13页第7页车间工序号工序名称材 料 牌 号钻孔Ф2, Ф440cr毛 坯 种 类毛坯外形尺寸每毛坯可制件数每 台 件 数棒料长110直径Ø6611设备名称设备型号设备编号同步加工件数立式钻床Z5351夹具编号夹具名称切削液 专用钻夹具工位器具编号工位器具名称工序工时 (分)准终单件54s54s工步号工 步 内 容工 艺 装 备主轴转速切削速度进给量切削深度进给次数工步工时r/minm/minmm/rmm机动辅助1钻孔Ф2高速钢麻花钻d=2mm300018.840.0524815s15s精铰铰孔Ф4至Ф4H9硬质合金麻花钻d=4塞规Ф4H9400050.240.0512412s12s。

下载提示
相关文档
正为您匹配相似的精品文档