文档详情

HAF603检验要求

yc****d
实名认证
店铺
DOC
117.50KB
约7页
文档ID:159609139
HAF603检验要求_第1页
1/7

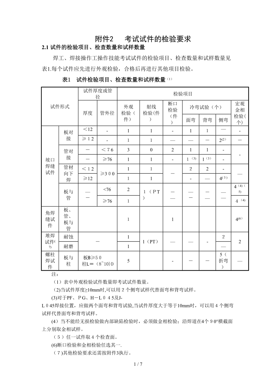
附件2  考试试件的检验要求2.1 试件的检验项目、检查数量和试样数量焊工、焊接操作工操作技能考试试件的检验项目、检查数量和试样数量见表1.每个试件应先进行外观检验,合格后再进行其他项目检验表1 试件检验项目、检查数量和试样数量(1)试件形式试件厚度或管径检验项目厚度管外径外观检验(件)射线检验(件)断口检验(件)冷弯试验(个)宏观金相检验(个)面弯背弯侧弯坡口焊缝试件板对接<12-11-11—-≥12-11——-2(2)-管对接-<7630211---≥7611-1(3)1(3)-管材向下焊<12≥30011-22-—≥1211-—4(3)板与管—-<7621(PT) -——--———4(4)(5)≥7614(4)角焊缝试件板、管、板与管114(6)堆焊试件(7)耐蚀-11(PT)——-22耐磨1—螺柱焊试件板与柱板B≥50柱L=(8~10)D5---5(折弯)—注:(1)表中外观检验试件数量即考试试件数量2)当试件厚度≥10mm时,可以用2个侧弯试样代替面弯和背弯试样3)对于PF、PG、H-L045及J-L045焊接位置,应做两个面弯和背弯试验,当试件厚度大于等于10mm时,可以用4个侧弯试样代替面弯和背弯试样。

4)当不能经无损检验做内部缺陷检验时,必须做金相检验;沿焊道在4个90°横截面上分别取金相试样5)任一试件取4个检查面6)断口检验和金相检验任选其一.(7)其他检验要求还需按附件3执行2.2 试件的外观检验21  试件的外观检验,采用目视或5倍放大镜进行手工焊的板材试件两端20mm内的缺陷不计,焊缝的余高和宽度可用焊缝检验尺测量最大值和最小值,但不取平均值,单面焊的背面焊缝宽度可不测定2 试件焊缝的外观检验应符合下列要求:2.2.21焊缝表面应是焊后原始状态,不允许加工修磨或返修2.2焊缝外形尺寸应符合表2的规定以及下列要求:(1)焊缝边缘直线度:手工焊≤2mm;机械化焊≤3mm2)板材、管板或接管角焊缝凸度或凹度应不大于1.5mm;板材、管板或接管角焊缝的焊脚尺寸K为T+(0~3)mm(T为板或管壁厚)3)不带衬垫的板材试件、管板或接管试件和外径不小于76mm的管材试件背面焊缝的余高应不大于3mm4)外径小于76mm的管材对接焊缝试件进行通球检查.管外径大于或等于32mm时,通球直径为管内径的85%;管外径小于32mm时,通球直径为管内径的75%表2 试件焊缝外形尺寸(mm)焊接方法焊缝余高焊缝余高差焊缝宽度平焊位置其他位置平焊位置其他位置比坡口每侧增宽宽度差手工焊0—30-4≤2≤30。

5-2.5≤3机械化焊0-30-3≤2≤22-4≤223堆焊两相邻焊道之间的凹下量不得大于15mm;焊道高度差应小于或等于1焊道间搭接接头的平面度在试件范围内不得大于12.2.2.4各种焊缝表面不得有裂纹、未熔合、夹渣、气孔、焊瘤和未焊透机械化焊的焊缝表面不得有咬边和凹坑手工焊焊缝表面的咬边和背面凹坑不得超过表3的规定表3 手工焊焊缝表面咬边和背面凹坑缺陷名称允许的最大尺寸咬边深度≤05mm;焊缝两侧咬边总长度不得超过焊缝长度的10%背面凹坑当T≤6mm时,深度≤15% T,且≤0.5mm;当T>6mm时,深度≤10% T,且≤1除仰焊位置的板材试件不作规定外,总长度不超过焊缝长度的10%5板状试件焊后变形角度θ≤3°,见图1(a).试件的错边量不得大于10%T,且≤2mm,见图1(b)2.3 属于一个考试项目的所有试件外观检验的结果均符合2.2.2各项要求,该项试件的外观检验为合格,否则为不合格           (a)试件的变形角度         (b)试件错边量图1  板状试件的变形角度和错边量23无损检验试件的无损检验应符合民用核安全设备产品一级焊缝的检验要求.2.4 弯曲试验2.4。

1 弯曲试样应从无损检验中发现的缺陷最多的区域切取板状试件可按图2的位置截取弯曲试样;管状试件可按图3的位置截取弯曲试样,弯曲试样的形式和尺寸见图4.堆焊侧弯试样宽度至少应包括堆焊层全部、熔合线和基层热影响区.试样上的余高及焊缝背面的垫板应用机械方法去除,面弯和背弯试样的拉伸面应平齐,且保留焊缝两侧中至少一侧的母材原始表面4.2  做面、背弯或者侧弯试验时,对于延伸率A≥20%的母材,弯头(或内辊)直径应为4T,弯曲角度应为180o.而延伸率A<20%的母材,应采用下列公式:D0=100S1/A-S1式中:D0为弯头或内辊的直径;    S1为弯曲试样厚度;   A为母材标准要求的最低延伸率a)板材对接焊缝试件           b)板材堆焊试件图2  板材试件弯曲试样的截取位置      图3(a)管材试件弯曲试样的截取位置          图3(b)表1注(3)焊接位置弯曲试样的截取位置(a)板材试件的面弯和背弯试样(b)管材试件的面弯和背弯试样S1=10mm(c)对接侧弯试样(d)堆焊侧弯试样D0-弯轴直径,D—管子外径,T—试件厚度,S1—试样厚度 B-试样宽度,L0-试样长度注1:如果组合考试试件厚度≥20mm时,则侧弯试样宽度≥20mm图4 焊接接头弯曲试样的形式和尺寸2.4。

3 对于不均匀焊缝,在确定D0参数时,材料的最低延伸率A由两母材中较小的延伸率来确定2.4.4  弯曲试验时,应将试样弯到使其两端成平行为止,此时,材料的任何部分不再受到压力2.4.5  试件弯曲到规定的角度后,其拉伸面上不得有任何一个横向(沿试样宽度方向)裂纹或缺陷的长度不大于1.5mm;或纵向(沿试样长度方向)裂纹或缺陷的长度不大于3mm试样的棱角开裂不计,但确因焊接缺陷引起试样的棱角开裂,其长度应进行评定2.4.6 试件弯曲试样的试验结果均合格时,弯曲试验为合格两个以上试样均不合格时,不允许复验,弯曲试验为不合格若其中一个试样不合格时,允许从原试件上另取一个试样进行复验,复验合格,弯曲试验为合格对于补考,弯曲试验试样不合格的,不允许复验,本次补考应认定为不合格7  在弯曲试验中压头位置相对于焊缝偏离时,弯曲试验结果无效2.5金相检验25.1  金相宏观检验应用机械方法截取、磨光、再用金相砂纸按“由粗到细”的顺序磨制,然后经适当的浸蚀,使焊缝金属和热影响区有一个清晰的界限,该面上的焊接缺陷用目视或5倍放大镜检查.若宏观检查显示出存在有疑问区域,则必须进行微观检查2.5.2每个试样检查面经宏观检验应符合下列要求:2.5。

2.1没有裂纹、未熔合、未焊透;2.5.2.2蒸汽发生器或热交换器的管子和管板焊缝根部线性缺陷应不超过01mm;2.52.3气孔或夹渣的最大尺寸不得超过1.5mm;当气孔或夹渣大于05mm,不大于15mm时,其数量不得多于1个;当只有小于或等于05mm的气孔或夹渣时,其数量不得多于3个6断口检验2.6.1管材对接焊缝试件的断口检验,用机械方法在其焊缝上加工出一条1/3T深,尖角≤45°的沟槽,然后将试件压断或折断,检查断口缺陷6.2  试件的断口检验应符合下列要求:2.6.2.1  断面上没有裂纹和未熔合;26.2.2 背面凹坑深度不大于25%T,且不大于1mm;2.6.2.3  单个气孔沿径向不大于30%T,且不大于15mm,沿轴向或周向不大于2mm;26.2.4  单个夹渣沿径向不大于25%T,沿轴向或周向不大于30%T;2.6.25 在任何10mm焊缝长度内,气孔和夹渣不多于3个;2.6.2.6  沿圆周方向10T范围内,气孔和夹渣的累计长度不大于T;2.6.2.7 沿壁厚方向同一直线上各种缺陷总和不大于30%T,且不大于1.5mm每个试件位置的两个断口试样检验结果均符合上述要求才合格,否则为不合格。

27螺柱焊试件检验对每个螺柱焊试件采用下列任何一种方法进行检验时,每个螺柱的焊缝和热影响区在锤击或弯曲试验后,没有开裂为合格:2.7.1 锤击螺柱上端部,使1/4螺柱长度贴在试件板上;2.72  如图5所示,用套管使螺柱弯曲不小于15°,然后恢复原位螺柱直径356101316202225套管间隙e335689121215图5  螺柱焊弯曲试验方法简图文中如有不足,请您指教!7 / 7。

下载提示
相关文档
正为您匹配相似的精品文档